Соленоидный клапан (электромагнитный) AR-YCDF2
Клапан соленоидный нормально закрытый непрямого действия с поршнем для использования под водой. Предназначен для управления потоком рабочей среды в трубопроводе.
- Рабочая среда: вода, горячая вода
- Температура рабочей среды: −10…120°С
- Рабочее давление: 0,05…2,5 МПа
- Диаметр условного прохода: 65…150 мм
- Материал корпуса: нержавеющая сталь
- Материал уплотнения: VITON
- Присоединение: фланцевое F2½»…6″
Цена: по запросу
Клапан соленоидный нормально закрытый непрямого действия с поршнем AR-YCDF2 для использования под водой. Предназначен для управления потоком рабочей среды в трубопроводе.
Особенности:
- Клапан предназначен для использования под водой
- Применяется для фонтанов
- Глубина погружения до 1 метра
- Класс защиты IP68
Принцип действия и область применения:
В большинстве случаев подходит для эксплуатации в системах водоснабжения, теплоснабжения, вентиляции и пневмоуправления. Особенно актуально применение данного типа клапана, когда клапан должен быть закрыт большую часть времени либо когда он обязательно должен быть закрыт при отключении электропитания системы.
Технические характеристики:
| Параметр | Значение | |
| Рабочая среда | Вода, горячая вода | |
| Материал | Корпуса | Нержавеющая сталь |
| Уплотнения | VITON | |
| Температура рабочей среды | −10…120°С | |
| Рабочее давление | 0,05…2,5 МПа | |
| Диаметр условного прохода | 65…150 мм | |
| Присоединение | Фланцевое F2½»…6″ | |
| Катушка* | F14B, F24B; IP68 Выводные провода 95 см |
|
| Питание | F14B | ~220 В, ~110 В, ~24 В |
| F24B | =24 В, =12 В | |
| Мощность | F14B | 24 ВА (АС) |
| F24B | 15 Вт (DC) | |
Примечание:
Шток у клапана с катушкой F14B короче, поэтому ее нельзя заменить на катушку F24B.
Шток у клапана с катушкой F24B длиннее, поэтому ее можно заменить на катушку F14B.
Модификации:
| Модель | Ду, мм | Kv, м³/ч | Присоединение | Pmin , МПа | Pmax , МПа | Катушка | Вес, кг |
| AR-YCDF265 FSV | 65 | 72,5 | F2½» | 0,05 | 2,5 | F14B F24B |
22,1 |
| AR-YCDF280 FSV | 80 | 106,6 | F3″ | 31,5 | |||
| AR-YCDF2100 FSV | 100 | 136,5 | F4″ | 42,4 | |||
| AR-YCDF2125 FSV | 122 | 173 | F5″ | 55 | |||
| AR-YCDF2150 FSV | 150 | 276,8 | F6″ | 85 |
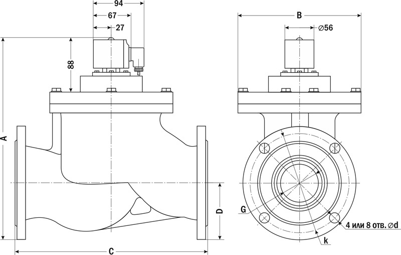
| Габаритные размеры |
![]() |
| Размер, мм | AR-YCDF2, Ду, мм | ||||
| 65 | 80 | 100 | 125 | 150 | |
| A F24B | 324 | 337 | 370 | 397,5 | 448 |
| A F14B | 314 | 327 | 360 | 387,5 | 438 |
| B | 175 | 216 | 235 | 270 | 310 |
| C | 282 | 300 | 338 | 400 | 480 |
| D | 95 | 103 | 114 | 125 | 143 |
| G | 2½» | 3″ | 4″ | 5″ | 6″ |
| d | 18 | 18 | 18 | 18 | 22 |
| k | 145 | 162 | 178 | 210 | 240 |
| Кол-во отверстий | 4 | 8 | 8 | 8 | 8 |
| Вариант |
AR-YCDF265 FSV ,AR-YCDF280 FSV ,AR-YCDF2100 FSV ,AR-YCDF2125 FSV ,AR-YCDF2150 FSV |
|---|

