Соленоидный клапан (электромагнитный) AR-YCDF1
Клапан соленоидный нормально закрытый непрямого действия с диафрагмой для использования под водой. Предназначен для управления потоком рабочей среды в трубопроводе.
- Рабочая среда: вода, горячая вода
- Температура рабочей среды: −20…120°С
- Рабочее давление: 0,1…0,5 МПа
- Диаметр условного прохода: 65…100 мм
- Материал корпуса: чугун
- Материал уплотнения: EPDM
- Присоединение: фланцевое F2½»…4″
Цена: по запросу
Клапан соленоидный нормально закрытый непрямого действия с диафрагмой для использования под водой AR-YCDF1. Предназначен для управления потоком рабочей среды в трубопроводе.
Особенности:
- При отсутствии напряжения на катушке клапан закрыт; при подаче напряжения на катушку фланцевый клапан открывается, при этом часть воды выбрасывается через пилотный клапан
- Модель пилотного клапана – AR-YCDF1115 GBV
- Клапан предназначен для использования под водой
- Применяется для фонтанов
- Глубина погружения до 1 метра
- Класс защиты IP68
- Скорость срабатывания до 10 раз в секунду
Принцип действия и область применения:
В большинстве случаев подходит для эксплуатации в системах водоснабжения, теплоснабжения, вентиляции и пневмоуправления. Особенно актуально применение данного типа клапана, когда клапан должен быть закрыт большую часть времени либо когда он обязательно должен быть закрыт при отключении электропитания системы.
Технические характеристики:
| Параметр | Значение | |
| Рабочая среда | Вода, горячая вода | |
| Материал | Корпуса | Чугун |
| Уплотнения | EPDM | |
| Температура рабочей среды | −20…120°С | |
| Рабочее давление | 0,1…0,5 МПа | |
| Диаметр условного прохода | 65…100 мм | |
| Присоединение | Фланцевое F2½»…4″ | |
| Катушка* | F14B, F24B; IP68 Выводные провода 95 см |
|
| Питание | F14B | ~220 В, ~110 В, ~24 В |
| F24B | =24 В, =12 В | |
| Мощность | F14B | 24 ВА (АС) |
| F24B | 15 Вт (DC) | |
Примечание:
Шток у клапана с катушкой F14B короче, поэтому ее нельзя заменить на катушку F24B.
Шток у клапана с катушкой F24B длиннее, поэтому ее можно заменить на катушку F14B.
Модификации:
| Модель | Ду, мм | Kv, м³/ч | Присоединение | Pmin , МПа | Pmax , МПа | Катушка | Вес, кг |
| AR-YCDF165 FHE | 65 | 58 | F2½» | 0,1 | 0,5 | F14B F24B |
18,35 |
| AR-YCDF180 FHE | 80 | 85,3 | F3″ | 25,5 | |||
| AR-YCDF1100 FHE | 100 | 149,3 | F4″ | 25,5 |
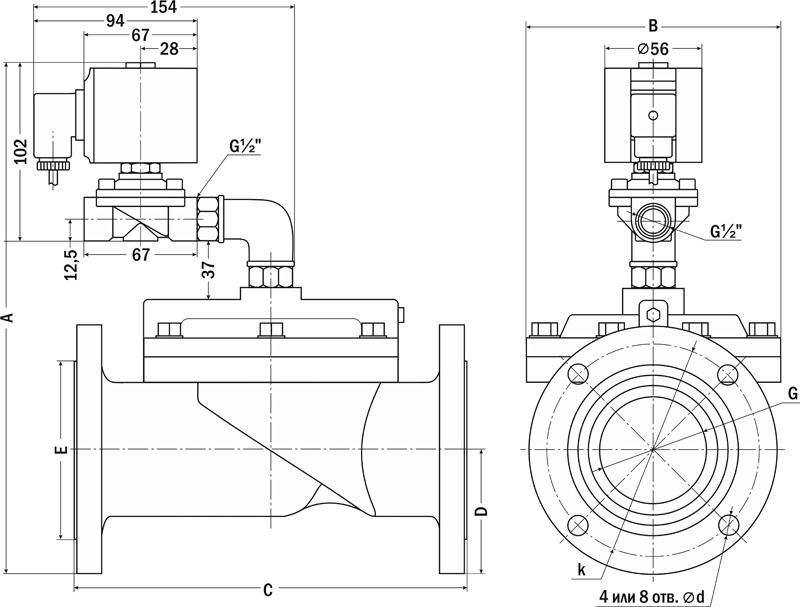
| Габаритные размеры |
![]() |
| Размер, мм | AR-YCDF1F, Ду, мм | ||
| 65 | 80 | 100 | |
| A F24B | 350 | 360 | 383 |
| A F14B | 340 | 350 | 373 |
| B | 178 | 190 | 224 |
| C | 242 | 268 | 345 |
| D | 92 | 99 | 106 |
| E | 110 | 132 | 154 |
| G | F2½» | F3″ | F4″ |
| d | 19 | 19 | 19 |
| k | 146 | 161 | 181 |
| Кол-во отверстий | 4 | 4 | 8 |
| Вариант |
AR-YCDF165 FHE ,AR-YCDF180 FHE ,AR-YCDF1100 FHE |
|---|

