Соленоидный клапан (электромагнитный) AR-RMF-Y
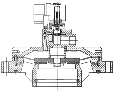
Клапан соленоидный нормально закрытый прямого действия с диафрагмой для управления потоком рабочей среды в трубопроводе
- Рабочая среда: воздух
- Температура рабочей среды: −5…55°С
- Рабочее давление: 0,3…0,8 МПа
- Диаметр условного прохода: 50…76 мм
- Материал корпуса: алюминий
- Материал уплотнения: NBR
- Присоединение: штуцеры ∅ 65 мм, ∅ 80 мм, ∅ 90 мм
- Импульсный клапан мембранного типа для систем пылеудаления
Цена: по запросу
Отправьте заявку
0
людей смотрят этот товар прямо сейчас
Клапан соленоидный нормально закрытый прямого действия с диафрагмой AR-RMF-Y предназначен для управления потоком рабочей среды в трубопроводе.
Особенности:
- Высокая пропускная способность
- Минимальное время открытия и закрытия
- Аналог клапанов ASCO
Принцип действия и область применения:
Нормально закрытый соленоидный клапан – это магнитный клапан, в котором закрытое положение сохраняется, если управляющее напряжение на его индукционную катушку не подается. При подаче напряжения на катушку нормально закрытый клапан открывается и пропускает через себя поток рабочей среды. При отключении управляющего напряжения этот клапан автоматически закрывается и перекрывает поток рабочей среды в трубопроводе. При обрыве провода управляющего напряжения клапан будет закрыт.
В большинстве случаев подходит для эксплуатации в системах водоснабжения, теплоснабжения, вентиляции и пневмоуправления. Особенно актуально применение данного типа клапана, когда клапан должен быть закрыт большую часть времени либо когда он обязательно должен быть закрыт при отключении электропитания системы.
В большинстве случаев подходит для эксплуатации в системах водоснабжения, теплоснабжения, вентиляции и пневмоуправления. Особенно актуально применение данного типа клапана, когда клапан должен быть закрыт большую часть времени либо когда он обязательно должен быть закрыт при отключении электропитания системы.
Технические характеристики:
| Параметр | Значение | |
| Рабочая среда | Воздух | |
| Материал | Корпуса | Алюминий |
| Уплотнения | NBR | |
| Температура рабочей среды | −5…55°С | |
| Рабочее давление | 0,3…0,8 МПа | |
| Диаметр условного прохода | 50…76 мм | |
| Присоединение | Штуцеры ∅ 65 мм, ∅ 80 мм, ∅ 90 мм | |
| Катушка | SB461, IP65 | |
| Питание | ~220 В, ~110 В, ~24 В =24 В, =12 В |
|
| Мощность | 25 ВА (АС), 20 Вт (DC) | |
Модификации:
| Модель | Ду, мм | Kv, м³/ч | Присоединение | Pmin , МПа | Pmax , МПа | Катушка | Вес, кг |
| AR-RMF-Y-50S CAN | 50 | 48 | ∅ 65 мм | 0,3 | 0,8 | SB461 | 2,58 |
| AR-RMF-Y-62S CAN | 62 | 68 | ∅ 80 мм | 3,17 | |||
| AR-RMF-Y-76S CAN | 76 | 100 | ∅ 90 мм | 3,76 |
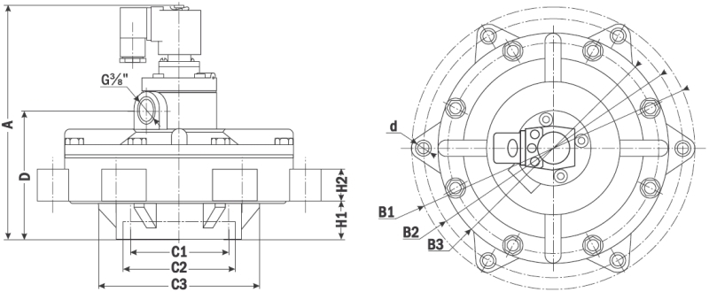
| Габаритные размеры |
![]() |
| Модель | Размеры, мм | ||||||||||
| A | ∅ B1 | ∅ B2 | ∅ B3 | ∅ C1 | ∅ C2 | ∅ C3 | D | H1 | H2 | ∅ d | |
| AR-RMF-Y-50S | 187 | 200 | 180 | 159 | 65 | 79 | 118 | 100 | 31 | 22 | 6−12 |
| AR-RMF-Y-62S | 197 | 226 | 204 | 185 | 80 | 94 | 145 | 107 | 35 | 25 | 6−11 |
| AR-RMF-Y-76S | 205 | 248 | 227 | 200 | 90 | 99 | 141 | 113 | 34 | 27 | 6−11 |
| Вариант |
AR-RMF-Y-50S CAN ,AR-RMF-Y-62S CAN ,AR-RMF-Y-76S CAN |
|---|

