Соленоидный клапан (электромагнитный) AR-RFS-SLF
Клапан соленоидный нормально закрытый прямого действия с диафрагмой для управления потоком рабочей среды в трубопроводе
- Рабочая среда: cлабые и сильные кислоты и щелочи
- Температура рабочей среды: 0…160°С
- Рабочее давление: 0…0,2 МПа
- Диаметр условного прохода: 2 мм, 3 мм
- Материал корпуса: PTFE
- Материал уплотнения: PTFE
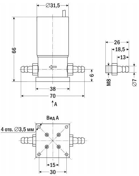
- Присоединение: резьбовое М8 или 2 штуцера ∅7 мм
Цена: по запросу
Отправьте заявку
0
людей смотрят этот товар прямо сейчас
Клапан соленоидный нормально закрытый прямого действия с диафрагмой AR-RFS-SLF предназначен для управления потоком рабочей среды в трубопроводе.
Особенности:
- Клапан для агрессивных сред, в том числе 60% раствора серной или соляной кислоты при высоких температурах до 95°С
- Срабатывание при нулевом давлении
- 2 штуцера ∅7 мм в комплекте
- Компактный размер
Принцип действия и область применения:
Нормально закрытый соленоидный клапан – это магнитный клапан, в котором закрытое положение сохраняется, если управляющее напряжение на его индукционную катушку не подается. При подаче напряжения на катушку нормально закрытый клапан открывается и пропускает через себя поток рабочей среды. При отключении управляющего напряжения этот клапан автоматически закрывается и перекрывает поток рабочей среды в трубопроводе. При обрыве провода управляющего напряжения клапан будет закрыт.
В большинстве случаев подходит для эксплуатации в системах водоснабжения, теплоснабжения, вентиляции и пневмоуправления. Особенно актуально применение данного типа клапана, когда клапан должен быть закрыт большую часть времени либо когда он обязательно должен быть закрыт при отключении электропитания системы.
В большинстве случаев подходит для эксплуатации в системах водоснабжения, теплоснабжения, вентиляции и пневмоуправления. Особенно актуально применение данного типа клапана, когда клапан должен быть закрыт большую часть времени либо когда он обязательно должен быть закрыт при отключении электропитания системы.
Технические характеристики:
| Параметр | Значение |
| Рабочая среда | Слабые и сильные кислоты и щелочи |
| Материал | Корпуса: PTFE Уплотнения: PTFE |
| Температура рабочей среды | 0…160°С |
| Рабочее давление | 0…0,2 МПа |
| Диаметр условного прохода | 2 мм, 3 мм |
| Присоединение | Резьбовое M8 или 2 штуцера ∅ 7 мм |
| Питание | ~220 В, ~110 В, ~24 В =24 В, =12 В |
Модификации:
| Модель | Ду, мм | Kv, м³/ч | Присоединение | Pmin , МПа | Pmax , МПа | Катушка* | Вес, кг |
| AR-RFS-SLF MPP | 2 | 0,1 | резьбовое M8 или 2 штуцера ∅ 7 мм |
0 | 0,2 | SLF01 | 0,216 |
| 3 | 0,4 |
* Катушка несъемная. Конструкция клапана не предполагает замены катушки.
Замена катушки может производиться только квалифицированным специалистом.
Работоспособность клапана в случае самостоятельной замены катушки пользователем не гарантируется.
| Габаритные размеры |
![]() |

