Соленоидный клапан (электромагнитный) AR-HX-3
Клапан соленоидный нормально закрытый прямого действия с поршнем для управления потоком рабочей среды в трубопроводе
- Рабочая среда: пар, вода, горячая вода, воздух, инертные газы
- Температура рабочей среды: 0,1…180°С
- Рабочее давление: 0…0,3 МПа
- Диаметр условного прохода: 1 мм
- Материал корпуса: нержавеющая сталь
- Материал уплотнения: cиликон
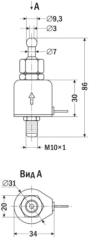
- Присоединение: вход – резьбовое наруж. М10×1; выход – штуцер под трубку с внутр. ∅ 7 мм
Цена: по запросу
Клапан соленоидный нормально закрытый прямого действия с поршнем AR-HX-3 предназначен для управления потоком рабочей среды в трубопроводе.
Особенности:
- Срабатывание при нулевом давлении
- Пониженное энергопотребление
- Компактный размер
- Долгий срок службы
Принцип действия и область применения:
Нормально закрытый соленоидный клапан – это магнитный клапан, в котором закрытое положение сохраняется, если управляющее напряжение на его индукционную катушку не подается. При подаче напряжения на катушку нормально закрытый клапан открывается и пропускает через себя поток рабочей среды. При отключении управляющего напряжения этот клапан автоматически закрывается и перекрывает поток рабочей среды в трубопроводе. При обрыве провода управляющего напряжения клапан будет закрыт.
В большинстве случаев подходит для эксплуатации в системах водоснабжения, теплоснабжения, вентиляции и пневмоуправления. Особенно актуально применение данного типа клапана, когда клапан должен быть закрыт большую часть времени либо когда он обязательно должен быть закрыт при отключении электропитания системы.
Технические характеристики:
| Параметр | Значение |
| Рабочая среда | Пар, вода, горячая вода, воздух, инертные газы |
| Материал | Корпуса: нержавеющая сталь Уплотнения: силикон |
| Температура рабочей среды | 0,1…180°С |
| Рабочее давление | 0…0,3 МПа |
| Диаметр условного прохода | 1 мм |
| Присоединение | Вход – резьбовое наруж. М10×1; выход – штуцер под трубку с внутр. ∅ 7 мм |
| Катушка | SB069, SB542, IP65 |
| Питание | ~220 В, ~110 В, ~24 В =100 В, =24 В, =12 В |
| Мощность | SB069: 10 ВА (АС), 6 Вт (DC) SB542: 13 ВА (AC), 15 Вт (DC) |
Модификации:
| Модель | Ду, мм | Kv, м³/ч | Присоединение | Pmin , МПа | Pmax , МПа | Катушка | Вес, кг |
| AR-HX-3 MSQ | 1 | 0,09 | Вход – резьбовое наруж. М10×1; выход – штуцер под трубку с внутр. ∅ 7 мм |
0 | 0,3 | SB069, SB542 | 0,125 |
| Габаритные размеры |
![]() |

