Соленоидный клапан (электромагнитный) AR-5531-03
Клапан соленоидный нормально закрытый прямого действия с поршнем с ручным регулированием Ду для управления потоком рабочей среды в трубопроводе
- Рабочая среда: вода, горячая вода, воздух, инертные газы
- Температура рабочей среды: −10…120°С
- Рабочее давление: 0,0…0,6 МПа
- Диаметр условного прохода: 0,75…2,8 мм
- Материал корпуса: латунь
- Материал уплотнения: VITON
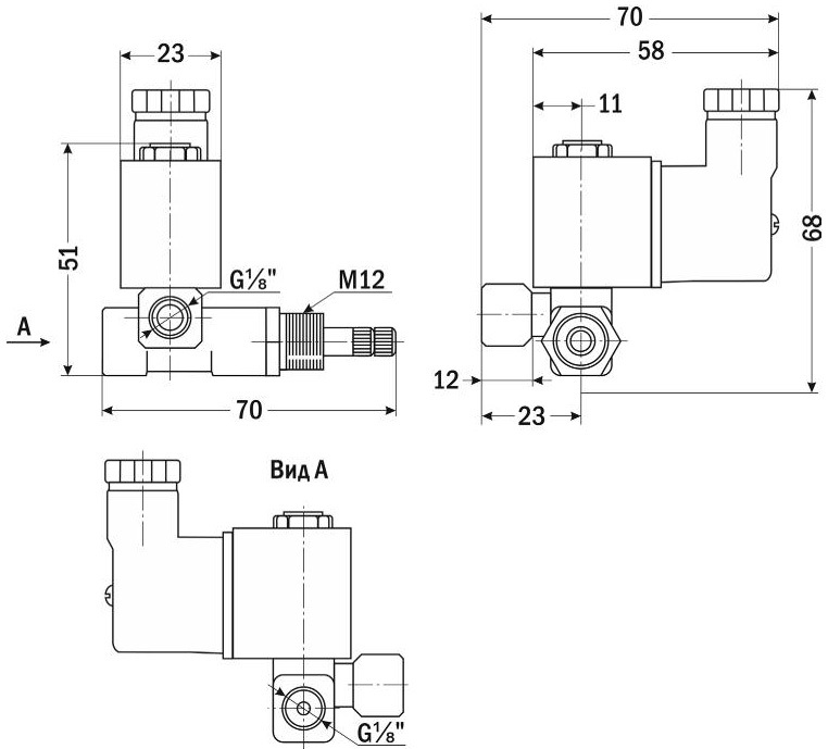
- Присоединение: резьбовое G⅛»
Цена: по запросу
Отправьте заявку
0
людей смотрят этот товар прямо сейчас
Клапан соленоидный нормально закрытый прямого действия с поршнем с ручным регулированием Ду AR-5531-03 предназначен для управления потоком рабочей среды в трубопроводе.
Особенности:
- Ручное регулирование Ду
- Срабатывание при нулевом давлении
- Пониженное энергопотребление
- Компактный размер
Принцип действия и область применения:
Нормально закрытый соленоидный клапан – это магнитный клапан, в котором закрытое положение сохраняется, если управляющее напряжение на его индукционную катушку не подается. При подаче напряжения на катушку нормально закрытый клапан открывается и пропускает через себя поток рабочей среды. При отключении управляющего напряжения этот клапан автоматически закрывается и перекрывает поток рабочей среды в трубопроводе. При обрыве провода управляющего напряжения клапан будет закрыт.
В большинстве случаев подходит для эксплуатации в системах водоснабжения, теплоснабжения, вентиляции и пневмоуправления. Особенно актуально применение данного типа клапана, когда клапан должен быть закрыт большую часть времени либо когда он обязательно должен быть закрыт при отключении электропитания системы.
Технические характеристики:
| Параметр | Значение |
| Рабочая среда | Вода, горячая вода, воздух, инертные газы |
| Материал | Корпуса: латунь Уплотнения: VITON |
| Температура рабочей среды | −10…120°С |
| Рабочее давление | 0,0…0,6 МПа |
| Диаметр условного прохода | 0,75…2,8 мм |
| Присоединение | Резьбовое G⅛» |
| Катушка | SA11B; IP65 |
| Питание | ~220 В, ~110 В, ~24 В =24 В, =12 В |
| Мощность | 9 ВА (АС), 6 Вт (DC) |
Модификации:
| Модель | Ду, мм | Kv, м³/ч | Присоединение | Pmin , МПа | Pmax , МПа | Катушка | Вес, кг |
| AR-5531-03 GBV | 0,75…2,8 | 0,03…0,154 | G⅛» | 0,0 | 0,6 | SA11B | 0,182 |
| Габаритные размеры |
![]() |

