Соленоидный клапан (электромагнитный) AR-5515-06
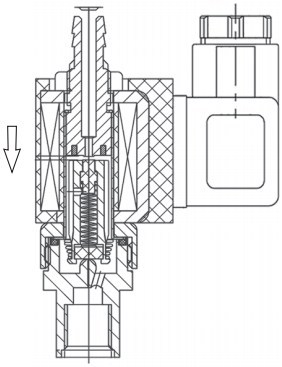
Клапан соленоидный нормально открытый прямого действия с поршнем для управления потоком рабочей среды в трубопроводе
- Рабочая среда: вода, горячая вода, воздух, инертные газы, масла, спирт
- Температура рабочей среды: −10…120°С
- Рабочее давление: 0…2 MПa
- Диаметр условного прохода: 2 мм
- Материал корпуса: латунь
- Материал уплотнения: VITON
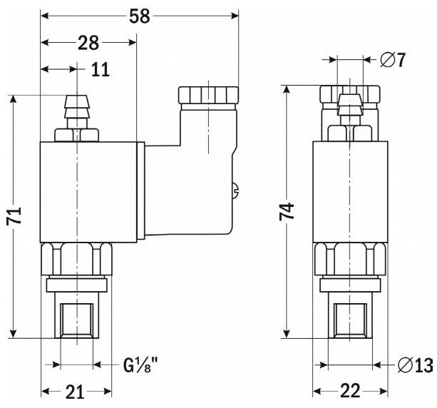
- Присоединение: вход – штуцер ∅ 7,0 мм, выход – резьбовое G⅛»
Цена: по запросу
Отправьте заявку
0
людей смотрят этот товар прямо сейчас
Клапан соленоидный нормально открытый прямого действия с поршнем AR-5515-06 для управления потоком рабочей среды в трубопроводе.
Особенности:
- Срабатывание при нулевом давлении
- Работа при высоком давлении до 2 МПа
- Пониженное энергопотребление
- Компактный размер
Принцип действия и область применения:
Нормально открытый соленоидный клапан – это клапан, который при отсутствии напряжения на его индукционной катушке открыт для потока рабочей среды через него. При подаче напряжения на катушку магнитный клапан этого типа закрывается и остается закрытым все время, пока напряжение подается на катушку. При обрыве провода управляющего напряжения клапан будет открыт.
В большинстве случаев подходит для эксплуатации в системах водоснабжения, теплоснабжения, вентиляции и пневмоуправления. Особенно актуально применение данного типа клапана, когда клапан должен быть открыт большую часть времени либо когда он обязательно должен быть открыт при отключении электропитания системы.
Технические характеристики:
| Параметр | Значение |
| Рабочая среда | Вода, горячая вода, воздух, инертные газы, масла, спирт |
| Материалы | Корпуса: латунь Уплотнения: VITON |
| Температура рабочей среды | −10…120°С |
| Рабочее давление | 0…2 МПа |
| Диаметр условного прохода | 2 мм |
| Присоединение | Вход – штуцер ∅ 7,0 мм, выход – резьбовое G⅛» |
| Катушка | SA11B; IP65 |
| Питание | ~220 В, ~110 В, ~24 В =24 В, =12 В |
| Мощность | 9 ВА (AC), 6 Вт (DC) |
Модификации:
| Модель | Ду, мм | Kv, м³/ч | Присоединение | Pmin , МПа | Pmax , МПа | Вес, кг | Катушка |
| AR-5515-06 CBV | 2 | 0,09 | вход – штуцер ∅ 7,0 мм, выход – резьбовое G⅛» |
0 | 2 | 0,1 | SA11B |
| Габаритные размеры |
![]() |

