Соленоидный клапан (электромагнитный) AR-5503-02
Клапан соленоидный нормально закрытый прямого действия с поршнем для управления потоком рабочей среды в трубопроводе
- Рабочая среда: вода, горячая вода, воздух, инертные газы, масла
- Температура рабочей среды: −10…120°С
- Рабочее давление: 0…0,6 МПа
- Диаметр условного прохода: 2,0 мм
- Материал корпуса: латунь
- Материал уплотнения: VITON
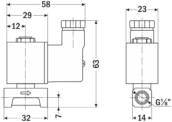
- Присоединение: резьбовое G⅛»
Цена: по запросу
Клапан AR-5503-02 соленоидный нормально закрытый прямого действия с поршнем предназначен для управления потоком рабочей среды в трубопроводе.
Особенности:
- Cрабатывание при нулевом давлении
- Пониженное энергопотребление
- Компактный размер
Принцип действия и область применения:
Нормально закрытый соленоидный клапан – это магнитный клапан, в котором закрытое положение сохраняется, если управляющее напряжение на его индукционную катушку не подается. При подаче напряжения на катушку нормально закрытый клапан открывается и пропускает через себя поток рабочей среды. При отключении управляющего напряжения этот клапан автоматически закрывается и перекрывает поток рабочей среды в трубопроводе. При обрыве провода управляющего напряжения клапан будет закрыт. В большинстве случаев подходит для эксплуатации в системах водоснабжения, теплоснабжения, вентиляции и пневмоуправления. Особенно актуально применение данного типа клапана, когда клапан должен быть закрыт большую часть времени либо когда он обязательно должен быть закрыт при отключении электропитания системы.
Технические характеристики:
| Параметр | Значение | |
| Рабочая среда | Вода, горячая вода, воздух, инертные газы, масла | |
| Материал | Корпуса | Латунь |
| Уплотнения | VITON | |
| Температура рабочей среды | −10…120°С | |
| Рабочее давление | 0…0,6 МПа | |
| Диаметр условного прохода | 2,0 мм | |
| Присоединение | Резьбовое G⅛» | |
| Катушка | SA11B; IP65 | |
| Питание | ~220 В, ~110 В, ~24 В =24 В, =12 В |
|
| Катушка | 9 ВА (АС), 6 Вт (DC) | |
Модификации:
| Модель | Ду, мм | Kv, м³/ч | Присоединение | Pmin, МПа | Pmax, МПа | Катушка | Вес, кг |
| AR-5503-02 GBV | 2,0 | 0,2 | Резьбовое G⅛» | 0,0 | 0,6 | SA11B | 0,13 |
| Габаритные размеры |
![]() |

