Соленоидный клапан (электромагнитный) AR-2L11
Клапан соленоидный нормально закрытый непрямого действия с поршнем для управления потоком рабочей среды в трубопроводе
- Рабочая среда: пар, вода, горячая вода
- Температура рабочей среды: −20…180°С
- Рабочее давление: 0,03…1,6 МПа
- Диаметр условного прохода: 15…50 мм
- Материал корпуса: латунь
- Материал уплотнения: PTFE
- Присоединение: резьбовое G½»…G2″
Цена: по запросу
Отправьте заявку
0
людей смотрят этот товар прямо сейчас
Клапан соленоидный нормально закрытый непрямого действия с поршнем AL-2L11 предназначен для управления потоком рабочей среды в трубопроводе.
Особенности:
- Долгий срок службы уплотнителя в среде пара
- Конструкция предусматривает долгосрочную эксплуатацию в системе паротрубопроводов
- Работа при высоком давлении до 1,6 МПа
Принцип действия и область применения:
Нормально закрытый соленоидный клапан – это магнитный клапан, в котором закрытое положение сохраняется, если управляющее напряжение на его индукционную катушку не подается. При подаче напряжения на катушку нормально закрытый клапан открывается и пропускает через себя поток рабочей среды. При отключении управляющего напряжения этот клапан автоматически закрывается и перекрывает поток рабочей среды в трубопроводе. При обрыве провода управляющего напряжения клапан будет закрыт.
В большинстве случаев подходит для эксплуатации в системах водоснабжения, теплоснабжения, вентиляции и пневмоуправления. Особенно актуально применение данного типа клапана, когда клапан должен быть закрыт большую часть времени либо когда он обязательно должен быть закрыт при отключении электропитания системы.
В большинстве случаев подходит для эксплуатации в системах водоснабжения, теплоснабжения, вентиляции и пневмоуправления. Особенно актуально применение данного типа клапана, когда клапан должен быть закрыт большую часть времени либо когда он обязательно должен быть закрыт при отключении электропитания системы.
Технические характеристики:
| Параметр | Значение | |
| Рабочая среда | Пар, вода, горячая вода | |
| Материал | Корпуса | Латунь |
| Уплотнения | PTFE | |
| Температура рабочей среды | −20…180°С | |
| Рабочее давление | 0,03…1,6 МПа | |
| Диаметр условного прохода | 15…50 мм | |
| Присоединение | Резьбовое G½»…G2″ | |
| Катушка | Y92H , Y42H, IP65, выводные провода 28 см (AS03), IP65, DIN 43650A (SB545), IP65, выводные провода 150 см |
|
| Питание | ~220 В, ~110 В, ~24 В =24 В, =12 В |
|
| Мощность | Y92H, Y42H | 35 ВА (АС), 30 Вт (DC) |
| SB545 | 15 ВА (AC), 18 Вт (DC) | |
| AS03 | 28 ВА (АС), 38 Вт (DC) | |
Модификации:
| Модель | Ду, мм | Kv, м³/ч | Присоединение | Pmin , МПа | Pmax , МПа | Катушка | Вес, кг |
| AR-2L11-15 GBP | 15 | 3,8 | G½» | 0,03 | 1,6 | Y92H, Y42H, (AS03, SB545) |
1,58 |
| AR-2L11-20 GBP | 20 | 8 | G¾» | 1,6 | |||
| AR-2L11-25 GBP | 25 | 10 | G1″ | 1,8 | |||
| AR-2L11-32 GBP | 32 | 20 | G1¼» | 2,89 | |||
| AR-2L11-40 GBP | 40 | 25 | G1½» | 2,97 | |||
| AR-2L11-50 GBP | 50 | 41 | G2″ | 4,2 |
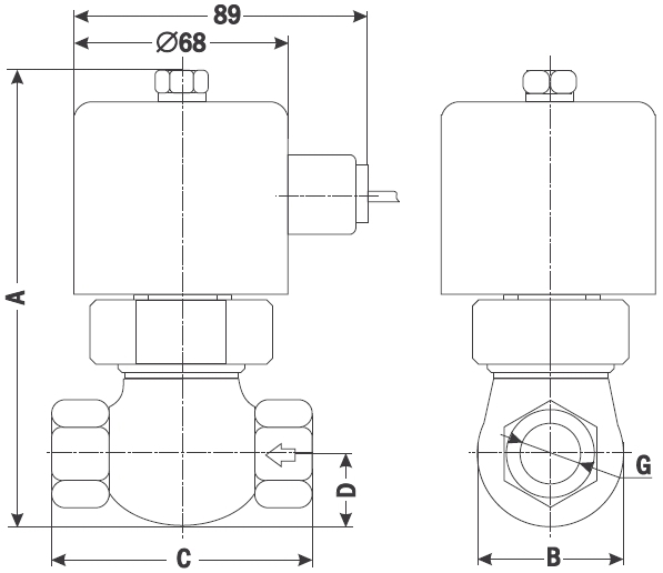
| Габаритные размеры |
![]() |
| Размер, мм | AR-2L11-15 | AR-2L11-20 | AR-2L11-25 | AR-2L11-32 | AR-2L11-40 | AR-2L11-50 |
| A | 138 | 139 | 152 | 185 | 176 | 223 |
| B | 44 | 42 | 54 | 80 | 75 | 95 |
| C | 80 | 80 | 90 | 111 | 111 | 163 |
| D | 23 | 23 | 28 | 37 | 37 | 50 |
| G | ½» | ¾» | 1″ | 1¼» | 1½» | 2″ |
| Вариант |
AR-2L11-15 GBP ,AR-2L11-20 GBP ,AR-2L11-25 GBP ,AR-2L11-32 GBP ,AR-2L11-40 GBP ,AR-2L11-50 GBP |
|---|

