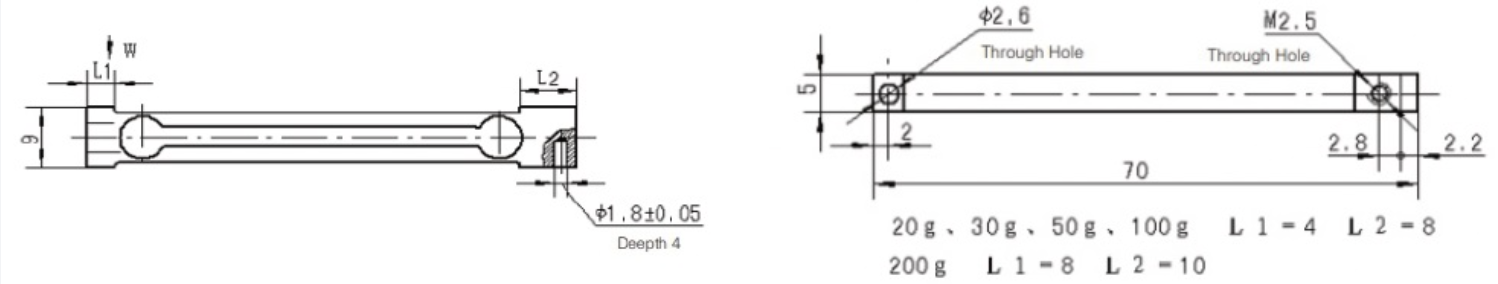
Минисенсор Q70X5X9-H
Нагрузка: 20г,30г,50г,100г,200г
Материал исполнения: алюминиевый сплав
Комбинированная ошибка: 0,05
Гарантия: 1 год
Цена: по запросу
Техническое описание
Q70X5X9-H — тензометрический датчик типа минисенсор.
Датчики минисенсоры применяются для изготовления весов и весоизмерительных систем на одном датчике, в основном применяется при изготовлении торговых, карманных, платформенных, напольных, кухонных весов, а также весов типа кантер, весов для младенцев, весов в ванную комнату. Полимерное покрытие тензорезисторов может обеспечивать класс защиты минисенсора до IP65. Выбор датчика зависит от размеров платформы, точности и условий использования весов.
Габаритные размеры

| Бренд |
|---|
