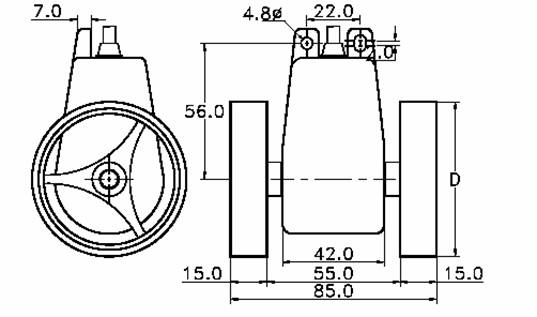
Линейные энкодеры WE, Преобразователи угловых перемещений с мерным колесом
Преобразователи угловых перемещений с мерным колесом, предназначенные для измерения линейных перемещений
Цена: по запросу
Отправьте заявку
0
людей смотрят этот товар прямо сейчас
Характеристики:
- Высокая выходная частота: до 10 кГц
- Высокая частота вращения: до 6000 об/мин
- NPN и PNP выход
- Высокая надежность за счет схемы защиты от помех
- Двухфазный выход (у моделей WE-M2ЕT, WE-M3T, WE-M4T)
Применение
Однофазный выход
Двухфазный выход
Модели
| Модель | Описание |
| WE -M1 | Энкодер колёсный, 1 импульс на метр (0,2 имп/об), однофазные |
| WE -M2 | Энкодер колёсный, 10 импульсов на метр (2 имп/об), однофазные |
| WE -M2T | Энкодер колёсный, 10 импульсов на метр (2 имп/об), двухфазные |
| WE -M3 | Энкодер колёсный, 100 импульсов на метр (20 имп/об), однофазные |
| WE -M3T | Энкодер колёсный, 100 импульсов на метр (20 имп/об), двухфазные |
| WE -M4T | Энкодер колёсный, 1000 импульсов на метр (200 имп/об), двухфазные |
| Вариант |
WE -M1 ,WE -M2 ,WE -M2T ,WE -M3 ,WE -M3T ,WE -M4T |
|---|---|
| Бренд |



