ARCOM LK-90-1, Энкодер
Энкодер LK-90-1 предназначен для измерения линейного перемещения прибора относительно поверхности (или наоборот) посредством прямого накопительного счета числа оборотов измерительных колес
Цена: по запросу
Отправьте заявку
0
людей смотрят этот товар прямо сейчас
Энкодер LK-90-1 предназначен для измерения линейного перемещения прибора относительно поверхности (или наоборот) посредством прямого накопительного счета числа оборотов измерительных колес
- Диапазон измерения перемещения: зависит от используемого СИ (средства измерения)
- Дискретность счета: 0,01 м, 0,1 м или 1 м
- Максимальная скорость: 120 м/мин
- Прямой и реверсивный счет (с дискретностью 0,01м)
- Двухфазный выход
Особенности:
- Применение в упаковочной, печатной и текстильной промышленностях, лесо- и древообработке, при протягивании проводов и кабелей и т.п.
- Можно использовать с ВЕХА-С и ВЕХА-Т
Технические характеристики
| Параметр | Значение |
| Диапазон измерения перемещения | Зависит от используемого СИ (средства измерения) |
| Дискретность счета | 0,01 м, 0,1 м или 1 м |
| Максимальная скорость |
120 м/мин |
| Питание | =9…30 В |
| Температура эксплуатации | −10…40°С |
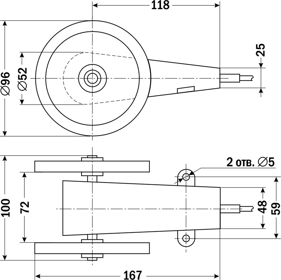
| Габаритные размеры | 167×100×96 мм |
Габаритные размеры
Вы можете купить энкодеры в Перми в компании БРИКО Автоматик.
Оставить заказ или получить консультацию можно любым способом, указанным в Контактах.
| Бренд |
|---|

