Датчик бесконтактный емкостный ВБЕ-Ф60-40У-2241-ЛА
Цена: по запросу
Основные параметры и установочные размеры бесконтактных выключателей «Сенсор» соответствуют нормам МЭК (IEC 60947-5-2) на основе которых и разработан ГОСТ Р 50030.5.2. Это позволяет успешно заменять датчики таких производителей, как BALLUFF, TURK, PEPPERL+FUCHS, OMRON и т.п. ВБЕ-Ф60-40У-2241-ЛА является аналогом таких датчиков, как E13-NO-AC, VB1-33-30N74-K, ВБ1.33.хх.30.7.4.К. Кроме этого датчики «Сенсор» могут заменять и отечественные бесконтактные выключатели, не производимые в настоящее время. Термины и названия параметров карточки изделия приведены в соответствии с ГОСТ Р 50030.5.2.
Характеристики
| Наименование | ВБЕ-Ф60-40У-2241-ЛА |
| Гарантированный интервал срабатывания | 0-28,8 мм |
| Номинальное расстояние срабатывания | 40 мм |
| Напряжение и схема выхода | 220 В АС двухпроводной |
| Функция выхода | НО замыкающий |
| Схема выхода | Двухпров. AC |
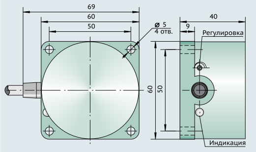
| Вид корпуса | Фланцевый 60х60х40 |
| Установка в металл | Не встраиваемый |
| Способ подключения | Кабель |
| Диапазон рабочих напряжений | 100-250 В AC |
| Номинальный ток | 250 мА |
| Регулировка чувствительности | 60-120% |
| Индикация срабатывания | есть |
| Подключение | Кабель 2 м (ПВС ХЛ 2х0,35 мм2) |
| Частота переключения | 10 Гц |
| Падение напряжения | не более 9 В |
| Минимальный рабочий ток | 5 мА |
| Остаточный ток | менее 3 мА |
| Температура окружающей среды | -25…+80ºС |
| Модификация | Типовое исполнение |
| Степень защиты корпуса | IP65 |
| Материал корпуса | Полипропилен |
| Габариты корпуса | 40х60х69 |
| Максимальная масса изделия | 0,238 Кг |
| Категория применения коммутационного элемента | АC14 |
| Материал чувствительного элемента | Полипропилен |
| Примечание | Данное изделие может быть поставлено и с длиной кабеля 3, 5 или 7 метров. |
| Бренд |
|---|
