Датчик бесконтактный емкостный ВБЕ-Ф60-40У-2123-ЗА
Цена: по запросу
Отправьте заявку
0
людей смотрят этот товар прямо сейчас
Основные параметры и установочные размеры бесконтактных выключателей «Сенсор» соответствуют нормам МЭК (IEC 60947-5-2) на основе которых и разработан ГОСТ Р 50030.5.2. Это позволяет успешно заменять датчики таких производителей, как BALLUFF, TURK, PEPPERL+FUCHS, OMRON и т.п. ВБЕ-Ф60-40У-2123-ЗА является аналогом таких датчиков, как CSN IC81P5-43N-40-LZS4, VB1-33-30N61-K, ВБ1.33.хх.30.6.1.К. Кроме этого датчики «Сенсор» могут заменять и отечественные бесконтактные выключатели, не производимые в настоящее время. Термины и названия параметров карточки изделия приведены в соответствии с ГОСТ Р 50030.5.2.
Характеристики
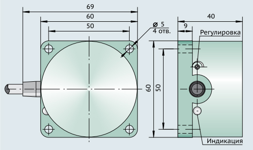
| Наименование | ВБЕ-Ф60-40У-2123-ЗА |
| Гарантированный интервал срабатывания | 0-28,8 мм |
| Номинальное расстояние срабатывания | 40 мм |
| Напряжение и схема выхода | 10-30 В DC NPN |
| Функция выхода | НО и НЗ |
| Схема выхода | NPN общий (+) |
| Вид корпуса | Фланцевый 60х60х40 |
| Установка в металл | Не встраиваемый |
| Способ подключения | Кабель |
| Диапазон рабочих напряжений | 10-30 В DC |
| Номинальный ток | 200 мА |
| Регулировка чувствительности | 60-120% |
| Индикация срабатывания | есть |
| Подключение | Кабель 2 м (ПВС ХЛ 4х0,35 мм2) |
| Частота переключения | 10 Гц |
| Защита коммутационного элемента | Есть бистабильная |
| Падение напряжения | не более 2 В |
| Остаточный ток | менее 0,01 мА |
| Температура окружающей среды | -25…+80ºС |
| Модификация | Типовое исполнение |
| Степень защиты корпуса | IP65 |
| Материал корпуса | Полипропилен |
| Габариты корпуса | 40х60х69 |
| Максимальная масса изделия | 0,238 Кг |
| Категория применения коммутационного элемента | DC13 |
| Материал чувствительного элемента | Полипропилен |
| Примечание | Данное изделие может быть поставлено и с длиной кабеля 3, 5 или 7 метров. |
| Бренд |
|---|
