Частотные преобразователи ERMAN серии E-9
Преобразователь частоты ERMAN серии E-9 — это идеальный бюджетный преобразователь частоты для насосов, вентиляторов и дымососов (модификация Е-9Р). Подходит и для общего применения (модификация E-9G).
Цена: по запросу
Область применения
Преобразователь частоты ERMAN серии E-9 — это идеальный бюджетный преобразователь частоты для насосов, вентиляторов и дымососов (модификация Е-9Р). Подходит и для общего применения (модификация E-9G).
Основные особенности
-
Преобразователи частоты для насосов и вентиляторов используют современный алгоритм синусоидальной широтно-импульсной модуляции, выдерживают высокие эксплуатационные перегрузки, позволяют получать номинальный крутящий момент при низких оборотах электродвигателя, компенсировать момент при нагруженном старте и управлять вольт-частотной характеристикой электродвигателя.
-
Автоматически компенсируют крутящий момент и скольжение при старте с высокомоментной нагрузкой. Преобразователь адаптируется к параметрам нагрузки, выдерживая высокую точность управления приводом.
-
Преобразователи частоты для насосов (дымососов) и вентиляторов обладают системой защиты и самодиагностики, функционал преобразователей продуман с тем, чтобы удовлетворять требованиям энергосбережения при различных технологических процессах.
-
Обладают повышенной устойчивостью к действию пыли за счет закрытого частично пылезащищенного металлического корпуса, благодаря чему продлевается срок службы преобразователя (от 11 до 200 кВт). Все электронные компоненты размещены в закрытом объеме со степенью защиты IP40.
-
Содержат высокоэффективную систему охлаждения с отдельным воздуховодом, которая обеспечивает малый перегрев преобразователя относительно окружающей среды.
-
Содержат четыре программируемых логических выхода (два релейных и два типа «открытый коллектор»), имеется возможность комбинации функций выходов для создания сложных зависимостей управления, в том числе каскадного включения насосов по нехватке давления.
-
Преобразователи частоты для вентиляторов и насосов предоставляют 24 режима управления на выбор пользователя: панель управления, дискретные/аналоговые входы, ПИД-регулятор, RS-485 и др.
-
Позволяют корректировать напряжение двигателя вплоть до ручного задания, возможна компенсация пониженного сетевого напряжения.
-
Управление двигателем осуществляет специализированный 32-битный микропроцессор Hitachi с использованием технологий синусоидальной широтно-импульсной модуляции, что позволяет улучшить форму волны тока и снизить гармонические искажения.
-
Силовые цепи обладают малой индуктивностью и низким активным сопротивлением, что позволяет увеличить КПД.
-
Панель управления может быть легко снята и вынесена из корпуса для удобства пользователя.
-
Панель управления отображает два различных параметра одновременно, в том числе физическую величину сигнала подключенного датчика, отображение остальных параметров легко настраивается в соответствии с потребностями пользователя.
-
Преобразователи частоты для вентиляторов и насосов мощностью до 15 кВт имеют встроенный тормозной прерыватель.
-
Возможно управление по цифровому последовательному интерфейсу RS-485 с протоколом MODBUS (в качестве опции).
Номенклатура частотных преобразователей ERMAN серии E-9
| Модель | Мощность, кВт | Номинальный выходной ток, А | Напряжение питания, В | Встроенный тормозной прерыватель |
| E-9P-5R5T4 | 5.5 | 13 | 380 | есть |
| E-9P-7R5T4 | 7.5 | 17 | 380 | есть |
| E-9P-011T4 | 11 | 25 | 380 | есть |
| E-9P-015T4 | 15 | 32 | 380 | есть |
| E-9P-018T4 | 18 | 37 | 380 | нет |
| E-9P-022T4 | 22 | 45 | 380 | нет |
| E-9P-030T4 | 30 | 60 | 380 | нет |
| E-9P-037T4 | 37 | 75 | 380 | нет |
| E-9P-045T4 | 45 | 90 | 380 | нет |
| E-9P-055T4 | 55 | 110 | 380 | нет |
| E-9P-075T4 | 75 | 150 | 380 | нет |
| E-9P-093T4 | 93 | 180 | 380 | нет |
| E-9P-110T4 | 110 | 215 | 380 | нет |
| E-9P-132T4 | 132 | 260 | 380 | нет |
| E-9P-160T4 | 160 | 310 | 380 | нет |
| E-9P-185T4 | 185 | 350 | 380 | нет |
| E-9P-200T4 | 200 | 380 | 380 | нет |
| E-9P-220T4 | 220 | 420 | 380 | нет |
| E-9P-245T4 | 245 | 470 | 380 | нет |
| E-9P-280T4 | 280 | 530 | 380 | нет |
| E-9P-315T4 | 315 | 600 | 380 | нет |
| E-9P-355T4 | 355 | 660 | 380 | нет |
| E-9P-400T4 | 400 | 750 | 380 | нет |
Характеристики
| Свойство | Значение | ||||||||||||||
| Выход | Максимальная мощность применяемого двигателя, кВт | — | — | — | 5,5 | 7,5 | 11 | 15 | 18 | 22 | 30 | 37 | 45 | 55 | 75 |
| Т.4. Номинальный выходной ток при 100% нагрузки, А | — | — | — | 13 | 17 | 25 | 32 | 38 | 45 | 60 | 75 | 90 | 110 | 150 | |
| Максимальная мощность применяемого двигателя, кВт | 93 | 110 | 132 | 160 | 185 | 200 | 220 | 245 | 280 | 315 | 355 | 400 | 500 | 600 | |
| Т.4. Номинальный выходной ток при 100% нагрузки, А | 180 | 215 | 260 | 310 | 350 | 380 | 420 | 470 | 530 | 600 | 660 | 750 | — | — | |
| Перегрузка по току |
Для серии G: 150% в течение 1 минуты, 180% в течение 6 секунд |
||||||||||||||
| Питание | Номинальное входное напряжение (В) и частота (Гц) | Трехфазное 380В(+10% ÷ -15%) 50/60Гц (±5%) | |||||||||||||
| Контролируемые характеристики | Диапазон выходной частоты | Для серии G: 0÷400Гц Для серии P: 0÷120Гц |
|||||||||||||
| Точность удержания частоты | При цифровом управлении 0.01% (-10ºC ÷ +40ºC) | ||||||||||||||
| Точность установки частоты | При цифровом управлении 0.1Гц; При аналоговом управлении 0.1Гц. |
||||||||||||||
| Частотное разрешение на выходе | 0.01Гц | ||||||||||||||
| Установка выходной частоты | 0 ÷ +10В, 0 ÷ +5В (20 кОм) 4 ÷ 20мА, 0 ÷ 20мА (250 Ом) | ||||||||||||||
| Время разгона/замедления | 0.1 ÷ 9999 сек (время разгона и замедления устанавливаются раздельно) | ||||||||||||||
| Тормозной момент | 125% с дополнительным тормозным резистором | ||||||||||||||
| Зависимости V/F | 34 предустановленных, 1 пользовательская | ||||||||||||||
| Несущая частота | 1 ÷ 8кГц | ||||||||||||||
| Функции защиты | Отклонение напряжения выше максимального и ниже минимального, ограничение амплитуды тока, перегрузка по току, электронное термореле, перегрев, короткое замыкание нагрузки | ||||||||||||||
| Параметры окружающей среды |
Рабочая температура |
-10 ºC ÷ +40 ºC -10 ºC ÷ +40 ºC 20%-90% (без образования конденсата) |
|||||||||||||
| Установка | Высота над уровнем моря не более 1000м, изоляция от металлипыли, солнца, агрессивных газов и паров | ||||||||||||||
| Вибрация | Частота не более 20Гц; ускорение не более 0.2g | ||||||||||||||
| Класс защиты | IP20 при мощности до 7,5кВт и IP10 при мощности 11кВт и выше | ||||||||||||||
Пример обозначения при заказе:
| E | 9P |
011 |
T4 | B |
| Артикул изделия | Артикул серии |
Максимальная мощность электродвигателя |
Класс номинального входного напряжения | Опции |
| E |
9G общий тип 9P для насосов,
|
5R5: 5,5 кВт 011 : 11 кВт … 600:600 кВт |
T4: 380 В |
Пустое поле: стандартное исполнение В: с функцией торможения (встроенный тормозной блок и тормозные резисторы) |
Передняя панель
|
|
||||||||||||||||||||||||||||||||||||||||||||||||||||||||||||||||||||||||||||||
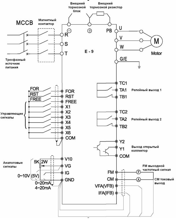
Схема подключения
| Классификация | Клемма | Функция сигнала | Описание |
| Управляющие сигналы | COM | Общая точка +24В | — |
| FOR | Вращение ВПЕРЕД | Действует при подключении к COM (Оптронный изолированный вход 24В/8мA) | |
| FREE | Свободная остановка | ||
| RST | Сброс | ||
| X1-X6 | Многофункциональные входные контакты | Задаются пользователем (Оптронный изолированный вход 24В/8мA) | |
| Аналоговые сигналы | FM | Выходной частотный сигнал | 0÷10V/100% частота; многофункциональная аналоговая система контроля тока |
| CM | Токовый выход | ||
| V10 | Выход электропитания +10В | Аналоговое питание +10В/50мА | |
| VG | Опорная частота. Вход по напряжению | 0÷10В/100%, 0÷5В/100% | |
| IG | Опорная частота, Вход по току | 4÷20мA/100% | |
| VFA.VFB | Входной сигнал обратной связи по напряжению | 0-10В | |
| IFA.IFB | Входной сигнал обратной связи по току | 4-20мА | |
| GND | Общая «земля» | — | |
| Дополнительный источник |
+24V, COM | Питание +24В | +24В |
| Выходные сигналы |
TA1,TB1,TC1 | Релейный выход 1 | Срабатывает, когда замкнут TA-TC или разомкнут TB-TC (задается пользователем) 250VAC/1A, 30VDC/1A |
| TA2,TB2,TC2 | Релейный выход 2 | ||
| Y1.Y2 | Выход открытый коллектор |
Сигнальный выход открытого коллектора (задается пользователем) |
Габаритные размеры
| Спецификация | W | W1 | H | H1 | H2 | D | D1 | D2 | d | Рис |
| Панель управления | 70 | 66 | 138 | 134 | — | 20 | 30 | — | — | 1 |
| Е-9(G/P)-5R5T4 | 190 | 170 | 290 | 260 | — | 187 | 195 | 105 | 5.5 | 2 |
| Е-9(G/P)-7R5T4 | ||||||||||
| Е-9(G/P)-011T4 | 245 | 200 | 410 | 390 | 367 | 240 | 245 | 170 | 7 | 3 |
| Е-9(G/P)-015T4 | ||||||||||
| Е-9(G/P)-018T4 | 278 | 200 | 550 | 530 | 490 | 250 | 260 | 155 | 10 | 3 |
| Е-9(G/P)-022T4 | ||||||||||
| Е-9(G/P)-030T4 | ||||||||||
| Е-9(G/P)-037T4 | 348 | 240 | 700 | 680 | 640 | 335 | 345 | 215 | 10 | 3 |
| Е-9(G/P)-045T4 | ||||||||||
| Е-9P-055T4 | ||||||||||
| Е-9G-055T4 | 375 | 300 | 785 | 760 | 717 | 335 | 345 | 240 | 12 | 3 |
| Е-9(G/P)-075T4 | ||||||||||
| Е-9(G/P)-093T4 | 530 | 420 | 920 | 890 | 852 | 335 | 345 | 250 | 12 | 3 |
| Е-9(G/P)-110T4 | ||||||||||
| Е-9(G/P)-132T4 | ||||||||||
| Е-9P-160T4 | ||||||||||
| Е-9G-160T4 | 695 | 580 | 1140 | 1110 | 1072 | 335 | 345 | 250 | 14 | 3 |
| Е-9(G/P)-185T4 | ||||||||||
| Е-9(G/P)-200T4 | Напольное исполнение: 1700х700х465 | |||||||||
| Е-9(G/P)-220T4 | 820 | 600 | 1334 | 1300 | 1260 | 450 | 460 | 240 | 14 | 3 |
| Е-9(G/P)-245T4 | Напольное исполнение: 1700х820х465 | |||||||||
| Е-9(G/P)-280T4 | ||||||||||
| Е-9P-315T4 | ||||||||||
| Е-9(G/P)-315T4 | ||||||||||
| Е-9(G/P)-355T4 | ||||||||||
| Е-9(G/P)-400T4 | ||||||||||
| Вариант |
E-9P-5R5T4 ,E-9P-7R5T4 ,E-9P-011T4 ,E-9P-015T4 ,E-9P-018T4 ,E-9P-022T4 ,E-9P-030T4 ,E-9P-037T4 ,E-9P-045T4 ,E-9P-055T4 ,E-9P-075T4 ,E-9P-093T4 ,E-9P-110T4 ,E-9P-132T4 ,E-9P-160T4 ,E-9P-185T4 ,E-9P-200T4 ,E-9P-220T4 ,E-9P-245T4 ,E-9P-280T4 ,E-9P-315T4 ,E-9P-355T4 ,E-9P-400T4 |
|---|---|
| Бренд |



