УТП/УТС-109 Датчики температуры с унифицированным сигналом
Цена: по запросу
ТУ 4211-034-39375199-10
Назначение
Термопреобразователи с унифицированным выходным сигналом (ТПУ) предназначены для применения в системах измерения температуры в различных отраслях народного хозяйства. Применение ТПУ позволяет передавать измеренный сигнал на удалённые вторичные приборы по стандартным электропроводам и снизить влияние электромагнитных помех на погрешность измерения.
ТПУ взрывозащищённого исполнения предназначены для применения во взрывоопасных зонах, где возможно образование взрывоопасных смесей категории взрывоопасности ΙΙС и групп взрывоопасности Т1…Т6.
Варианты исполнений:
УТП, УТС – общепромышленного исполнения
УТП Ехi, УТС Ехi – взрывозащищенного исполнения с видом взрывозащиты «искробезопасная электрическая цепь i»
УТП Ехd, УТС Ехd – взрывозащищенного исполнения с видом взрывозащиты «взрывонепроницаемая оболочка».
Устойчивость к внешним воздействиям
— виброустойчивость — группа N3 по ГОСТ Р 52931;
— устойчивость к воздействию атмосферного давления – группа Р1 по ГОСТ Р 52931;
— степень защиты от проникновения внутрь воды и пыли — IР65 по ГОСТ Р 14254;
— климатическое исполнение УХЛ 2 по ГОСТ 15150
Технические характеристики
| УТП 109 | УТС 109 | |
| Условное обозначение НСХ | K, L, N | 100М, 100П, Pt100 |
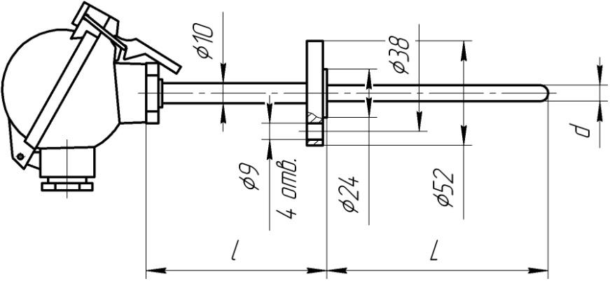
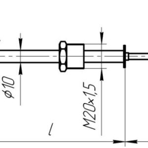
| Диаметр защитной арматуры, d, мм | 8, 10 | 6, 8, 10 |
| Условное давление, МПа | 2,5 | |
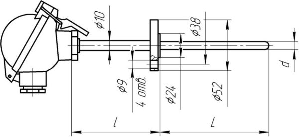
Рис.6а. Общепромышленное исполнение УТП, УТС 109
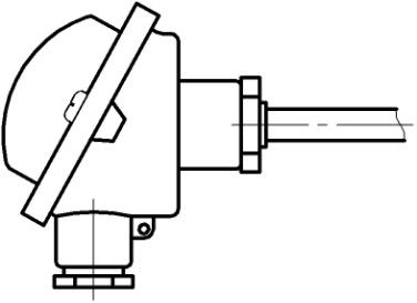
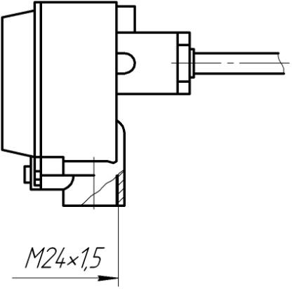
Рис. 6б. Взрывозащищенное исполнение с видом взрывозащиты «искробезопасная электрическая цепь i» УТП 109Exi, УТС 109Exi
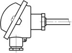
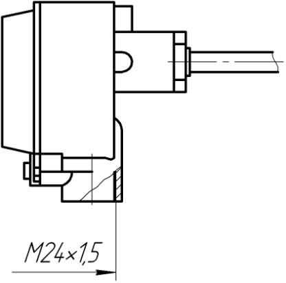
Рис. 6в. Взрывозащищенное исполнение с видом взрывозащиты «взрывонепроницаемая оболочка» УТП 109Exd, УТС 109Exd
| Пример обозначения при заказе | |||||||||||||||
|
УТС 108 |
Exd |
– |
400/120 |
– |
М20×1,5/8 |
– |
C10 |
– |
100П |
– |
0/400 |
– |
0,25 |
– |
Бк10 |
|
1 |
2 |
|
3 |
|
4 |
|
5 |
|
6 |
|
7 |
|
8 |
|
9 |
- Тип и модификация термопреобразователя
- Вид взрывозащиты (при наличии)
- Монтажная длина, L / вспомогательная длина, l
- Размеры монтажной резьбы / диаметр защитной арматуры (D/ d)
- Материал защитной арматуры
- Условное обозначение НСХ
- Диапазон измерения температуры
- Класс точности
- При наличии: тип кабельного ввода / диаметр кабеля (Т – для трубного монтажа, Бк – для бронированного кабеля)



