Твердотельные реле для комутации мощной нагрузки GaDH-xxx120.ZD3 и GwDH-xxx120.ZD3 (с водяным охлаждением)
Силовые тиристорные переключатели переменного тока (твердотельные реле) данных серий используются для обеспечения гарантированного запаса по току при коммутации нагрузок с непредсказуемыми пусковыми токами (сварочное оборудование, мощная индуктивная или активная нагрузка, трансформаторы). Перекрывают самый большой на сегодняшний день диапазон токов нагрузки среди переключателей.
Цена: по запросу
Особенности коммутации нагрузки тиристорных переключателей серии GaDH-xxx120.ZD3 и GwDH-xxx120.ZD3
- Диапазон управляющего сигнала: 3…32 VDC;
- Переключение в «нуле» минимизирует коммутационные помехи;
- Обеспечивают надежную коммутацию для самого большого из представленных сегодня на российском рынке диапазона токов нагрузки:
- резистивная нагрузка: до 600 А;
- индуктивная нагрузка: до 80 А;
- Широкий диапазон коммутируемого напряжения: 60…1000 VAC;
- Высокое максимальное пиковое напряжение: 1600 VAC (16 класс).
Конструктивные особенности тиристорных переключателей серии GaDH-xxx120.ZD3 и GwDH-xxx120.ZD3
Большие токи коммутации вызывают повышенное выделение тепла на выходном силовом элементе ТТР, поэтому для их надежной и стабильной работы требуются особые конструктивные решения, усиливающие эффективность теплоотвода.
Наиболее современным решением сегодня является применение особых выходных элементов: тиристоров SCR-типа. Сочетание тиристора SCR-типа, медного основания, обладающего высокой теплопроводностью, и рекомендованных моделей радиатора и вентилятора гарантирует надежную коммутацию силовых цепей при больших токах коммутации.
Встроенная шунтирующая выход RC-цепочка* повышает надежность работы ТТР (ТППТ) при коммутации нагрузки индуктивного типа.
* — RC-цепочка – это электрическая цепь из последовательно включенных емкости (конденсатора) и сопротивления. Применительно к твердотельным реле KIPPRIBOR RC-цепь включается параллельно коммутационному ключу и располагается внутри корпуса реле. Номиналы элементов цепи обычно составляют C=0.1 мкФ, R=50 Ом. Довольно часто RC-цепочку называют сглаживающим фильтром, поскольку её главная задача – сгладить скорость нарастания напряжения (dU/dt) на коммутационном элементе реле (симисторе либо тиристоре). Это позволяет повысить надежность работы ТТР в условиях действия импульсных помех (перенапряжений). Это свойство особенно необходимо при работе реле в условиях электрических помех, генерируемых в сеть нагрузкой индуктивного и емкостного типа.
Корпусные особенности (тиристорных переключателей) твердотельных реле серии GaDH-xxx120.ZD3 и GwDH-xxx120.ZD3
- Корпус из специализированного пластика обеспечивает высокую термостойкость и защиту от короткого замыкания;
- Удобный клеммник для подключения шин или наконечников;
- Основание из медной пластины гарантирует эффективный отвод тепла от силового элемента;
- GwDH: 2 штуцера для подвода и отвода охлаждающей жидкости (температура отходящей жидкости не более 70 °C).
Технические характеристики переключателей тиристорных (твердотельных реле) серий GaDH / GwDH-ххх120.ZD3
Характеристики входной цепи ТТР серий GaDH / GwDH-ххх120.ZD3
| Параметр | Значение | |
| Модель ТТР | GaDH-ххх120.ZD3 | GwDH-ххх120.ZD3 |
| Тип управляющего сигнала | Дискретный сигнал напряжения | |
| Диапазон напряжения управляющего сигнала | 3…32 VDC | |
| Напряжение гарантированного включения | ≥ 3 VDC | |
| Напряжение гарантированного выключения | ≤ 1 VDC | |
| Ток потребления цепи управления | ≤ 16 мА (±0,5 мА) | ≤ 16 мА (±0,5 мА) |
| Время включения | ≤ 10 мс при f=50 Гц | |
| Время выключения | ≤ 10 мс при f=50 Гц | |
| Максимальная частота переключения | ≤ 50 Гц при f=50 Гц | |
| Тип клемм цепи управления | Разъем Faston серии 0,110″ | |
Характеристики выходной цепи ТТР серииGaDH-ххх120.ZD3
| Параметр | Значение | ||
| Номинальный ток ТТР | 500А | 600 А | 800А |
| Тип выходных силовых элементов | SCR — тиристор | ||
| Тип коммутируемой сети |
|
||
| Вид коммутируемого тока | Переменный | ||
| Вид коммутации: | С контролем перехода через «0» | ||
| Минимальный коммутируемый ток | 0,5 А | ||
| Максимальный коммутируемый ток | 500 A | 600A | 800 A |
| Ток утечки в закрытом состоянии | ≤ 10 мА | ||
| Скорость нарастания тока (di/dt) | 150 А/мкс | ||
| Максимальный импульс тока во включенном состоянии (≤ 10мс) | 5500 А | 6500 А | 9000 А |
| Диапазон напряжения питания нагрузки | 60…1000 VAC | ||
| Частота источника питания нагрузки | 50 Гц | ||
| Максимальное пиковое напряжение | 1600 VAC (16 класс) | ||
| Тепловое сопротивление переход – основание (Rthjc) | 0,08 °С/ Вт | 0,07 °С/ Вт | 0,05 °С/ Вт |
| Падение напряжения в коммутируемой цепи во включенном состоянии | ≤ 1,6 V | ||
| Скорость нарастания напряжения в закрытом состоянии (dV/dt) | 500 В/мкс | ||
| I2t (< 10 мс) | 151250 А2с | 217800 А2с | 387200 А2с |
| Электрическая прочность изоляции (цепь упр. / вых. цепь) | 2500 V в течение 1 минуты | ||
| Электрическая прочность изоляции (корпус / вх. цепь) | 2500 V в течение 1 минуты | ||
| Электрическая прочность изоляции (корпус / вых. цепь) | 2500 V в течение 1 минуты | ||
| Сопротивление изоляции | 500 МОм (при 500 VDC) | ||
1 — для коммутации трехфазной нагрузки устанавливается одно ТТР на каждую фазу. Допустимые схемы включения нагрузки: «звезда», «звезда с нейтралью», «треугольник»
Характеристики выходной цепи ТТР серииGwDH-ххх120.ZD3
| Параметр | Значение | ||
| Номинальный ток ТТР | 500А | 600 А | 800А |
| Тип выходных силовых элементов | SCR — тиристор | ||
| Тип коммутируемой сети |
|
||
| Вид коммутируемого тока | Переменный | ||
| Вид коммутации: | С контролем перехода через «0» | ||
| Минимальный коммутируемый ток | 0,5 А | ||
| Максимальный коммутируемый ток | 500 A | 600A | 800 A |
| Ток утечки в закрытом состоянии | ≤ 10 мА | ||
| Скорость нарастания тока (di/dt) | 150 А/мкс | ||
| Максимальный импульс тока во включенном состоянии (≤ 10мс) | 5500 А | 6500 А | 9000 А |
| Диапазон напряжения питания нагрузки | 60…1000 VAC | ||
| Частота источника питания нагрузки | 50 Гц | ||
| Максимальное пиковое напряжение | 1600 VAC (16 класс) | ||
| Тепловое сопротивление переход – основание (Rthjc) | 0,08 °С/ Вт | 0,07 °С/ Вт | 0,05 °С/ Вт |
| Падение напряжения в коммутируемой цепи во включенном состоянии | ≤ 1,6 V | ||
| Скорость нарастания напряжения в закрытом состоянии (dV/dt) | 500 В/мкс | ||
| I2t (< 10 мс) | 151250 А2с | 217800 А2с | 387200 А2с |
| Электрическая прочность изоляции (цепь упр. / вых. цепь) | 2500 V в течение 1 минуты | ||
| Электрическая прочность изоляции (корпус / вх. цепь) | 2500 V в течение 1 минуты | ||
| Электрическая прочность изоляции (корпус / вых. цепь) | 2500 V в течение 1 минуты | ||
| Сопротивление изоляции | 500 МОм (при 500 VDC) | ||
| Температура охлаждающей жидкости | +30…+70°С | ||
| Номинальное давление охлаждающей жидкости | 0,3 МПа | ||
| Максимальное давление охлаждающей жидкости | ≤0,8 МПа | ||
| Минимальный напор охлаждающей жидкости | ≥3 м/с (0,4 м3/ч) | ||
2 — для коммутации трехфазной нагрузки устанавливается одно ТТР на каждую фазу. Допустимые схемы включения нагрузки: «звезда», «звезда с нейтралью», «треугольник»
Характеристики выходной цепи ТТР серииGwDH-ххх120.ZD3
| Параметр | Значение | |
| Температура окружающей среды | -30…+70 °С | |
| Охлаждение | Воздушное для серии GaDH-ххх120.ZD3,
Водяное для серии GwDH-ххх120.ZD3 |
|
| Материал основания | Медь никелированная | |
| Индикация наличия управляющего сигнала | Светодиодная | |
| Тип монтажа | Крепление винтами на плоскость на радиатор с вентилятором | |
| Масса | ≤ 1800 г | |
Модификации и номинальные токи ТТР серий GaDH / GwDH-ххх120.ZD3
| Модификация ТТР | Номинальный ток нагрузки |
| GaDH-ххх120.ZD3 | |
| GaDH-500120.ZD3 | 500 A |
| GaDH-600120.ZD3 | 600 A |
| GaDH-800120.ZD3 | 800 A |
| GwDH-ххх120.ZD3 | |
| GwDH-500120.ZD3 | 500 A |
| GwDH-600120.ZD3 | 600 A |
| GwDH-800120.ZD3 | 800 A |
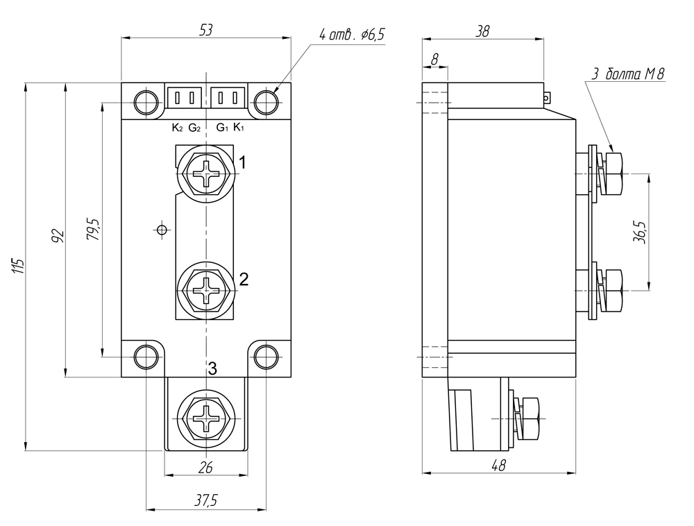
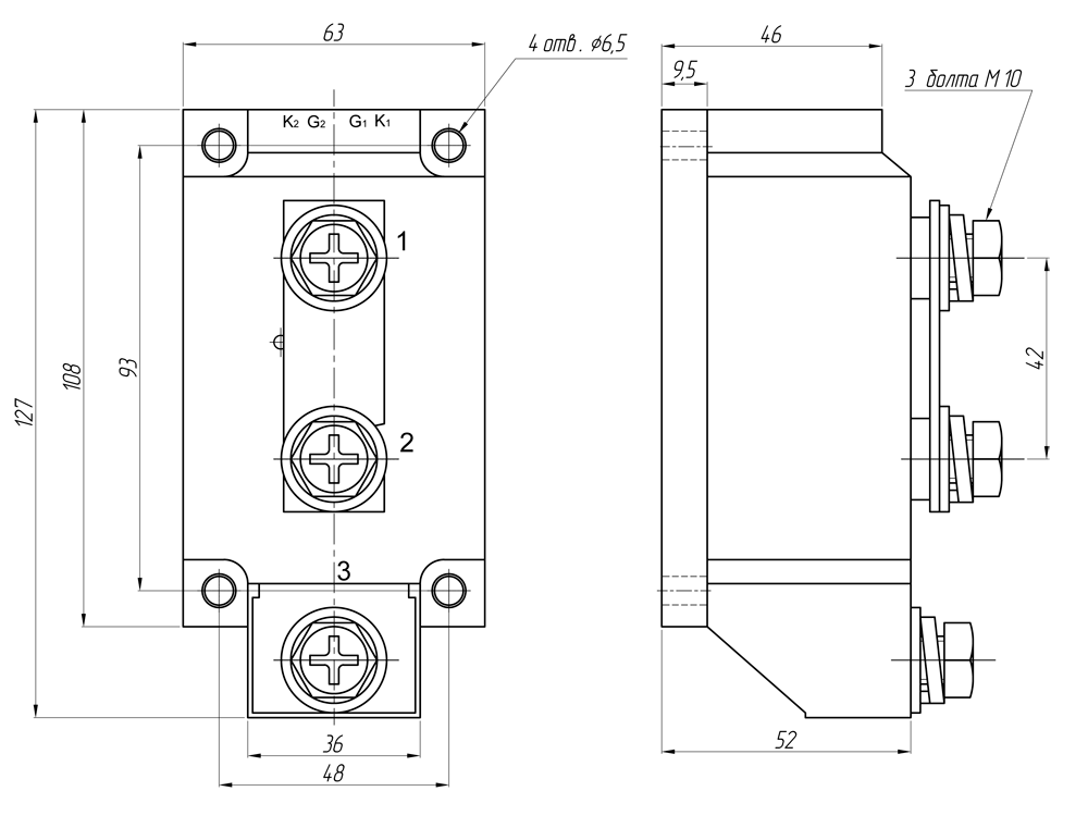
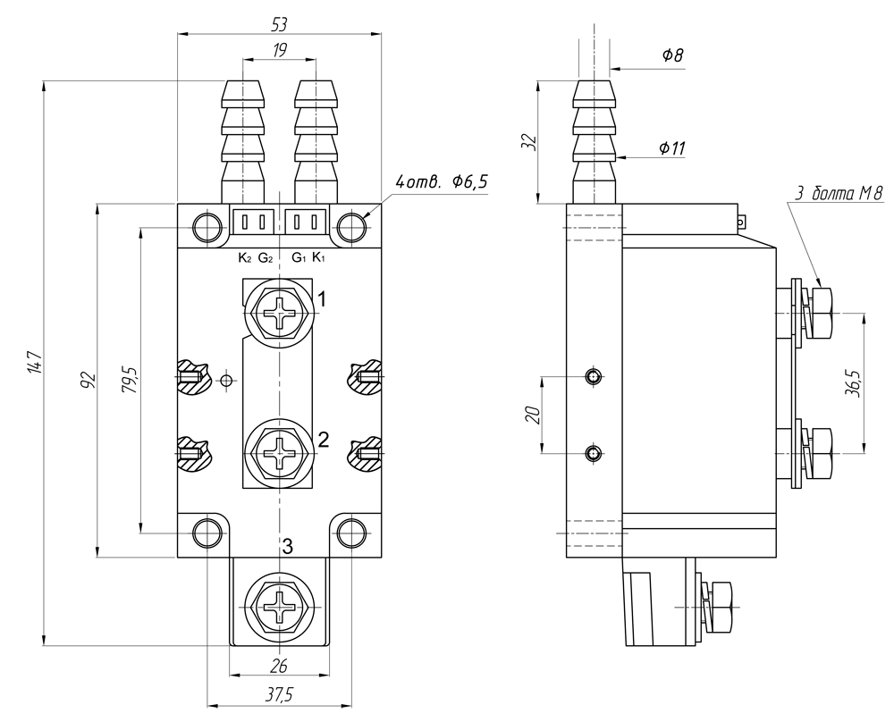
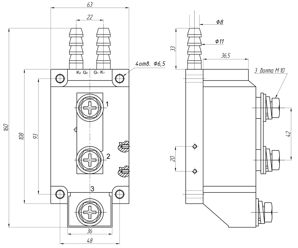
Габаритные и установочные размеры GaDH / GwDH-ххх120.ZD3
Реле серий GaDH-500120.ZD3, GaDH-600120.ZD3
Реле серии GaDH-ххх800.ZD3
Реле серий GwDH-500120.ZD3, GwDH-600120.ZD3
Реле серии GwDH-800120.ZD3
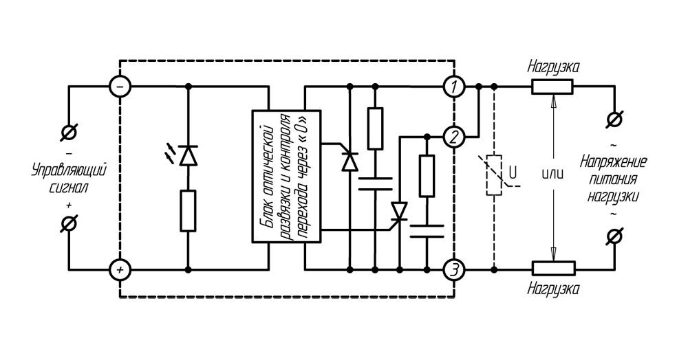
Схема подключения реле серий GaDH / GwDH-ххх120.ZD3
| Вариант |
GaDH-500120.ZD3 ,GaDH-600120.ZD3 ,GaDH-800120.ZD3 ,GwDH-500120.ZD3 ,GwDH-600120.ZD3 ,GwDH-800120.ZD3 |
|---|---|
| Бренд |





