ТС729, термосопротивление (-70…+500С), штуцер, d10мм
Цена: по запросу
Предназначена для измерения температуры жидких, газообразных и твердых тел в диапазоне от -70 до +500°С.
-ТУ 4211-011-12023213-2009
-Внесены в Государственный реестр средств измерений под № 41202-09
-Номинальная статическая характеристика Pt100 по ГОСТ Р 8.625-2006
-Класс допуска В по ГОСТ Р 8.625-2006.
Пример для записи при заказе: ТС729-d10-H300-М20-Pt100 (-70…+500⁰С)
− ТC729 — модель преобразователя;
− d10 – диаметр корпуса (мм);
− Н300 — длина погружаемой части в (мм);
− М20 – штуцер М20х1,5
− Pt100 — тип НСХ.
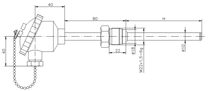
Технические характеристики «ТС729»
Корпус термопары:12Х18Н10Т.
Диаметр корпуса: 10 мм.
Длина погружной части:80, 100, 120, 160, 200, 250, 320, 400, 500, 630, 800, 1000 1250, 1600, 2000, 2500, 3150 мм.
Штуцер: М20х1,5, М22х1,5, М27х2 ( по заказу G1/2).
Материал головки: Алюминиевый сплав

