ТС719, термосопротивление (-70…+300С), штуцер, d6мм
Цена: по запросу
Предназначена для измерения температуры жидких, газообразных и твердых тел в диапазоне от -70 до +300°С.
-ТУ 4211-011-12023213-2009
-Внесены в Государственный реестр средств измерений под № 41202-09
-Номинальная статическая характеристика Pt100 по ГОСТ Р 8.625-2006
-Класс допуска В по ГОСТ Р 8.625-2006.
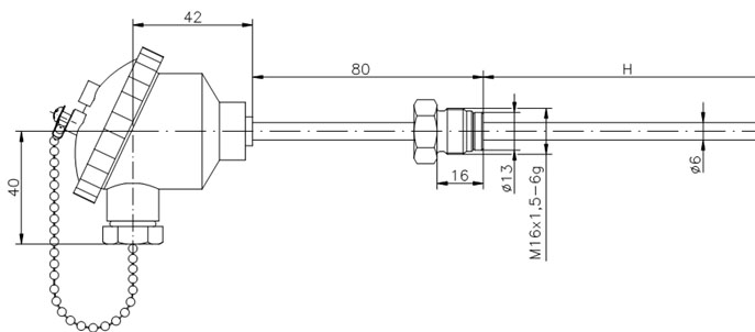
Пример для записи при заказе: ТС719-d6-H300-М16-Pt100 (-70…+300⁰С)
− ТC719 — модель преобразователя;
− d6 – диаметр корпуса (мм);
− Н300 — длина погружаемой части в (мм);
− М16 – штуцер М16х1,5
− Pt100 — тип НСХ.
Технические характеристики «ТС719»
Корпус термопары:12Х18Н10Т.
Диаметр корпуса: 6 мм.
Длина погружной части:100, 120, 160, 200, 250, 320, 400, 500 мм.
Штуцер: М16х1,5, М20х1,5 ( по заказу G1/2).
Материал головки: Алюминиевый сплав

