Термометры коррозионностойкие с электроконтактной приставкой (универсальное присоединение)
Тип БТ, серия 220. Биметаллический термометр, устойчивый к воздействию агрессивных измеряемых сред; предназначен для управления внешними электрическими цепями в схемах сигнализации, автоматики и блокировки технологических процессов.
Цена: по запросу
Корпус и шток коррозионностойкого термометра изготовлены из нержавеющей стали. Возможна комплектация термометра гильзой из нержавеющей стали.
Область применения: химическая промышленность, нефтехимическая промышленность, машиностроение.
| Диаметр корпуса | 100 мм | |||||||||
| Класс точности | 1,5 | |||||||||
| Диапазоны показаний температур |
|
|||||||||
| Диапазон рабочих температур, °C | Окружающая среда: −60…+60 °C |
|||||||||
| Длина погружной части | 64, 100, 150, 200, 250, 300 мм (под заказ возможно изготовление погружной части длиной до 1600 мм) | |||||||||
| Электрическая схема | Двухконтактная: Исп. III (ЛРПР), Исп. IV (ЛЗПЗ), Исп. V (ЛРПЗ), Исп. VI (ЛЗПР) | |||||||||
| Максимальное напряжение | –220 В, ~380 В | |||||||||
| Максимальный ток | 1 А | |||||||||
| Максимальная разрывная мощность контактов | 30 Вт, 50 В·А | |||||||||
| Тип контактов | Со скользящими контактами, серебряное покрытие | |||||||||
| Минимальные электрические характеристики | Определяются переходным контактным сопротивлением и рассчитываются для конкретных электрических схем | |||||||||
| Пределы допускаемой основной погрешности срабатывания электрической схемы в % от диапазона измерений | ±4 | |||||||||
| Чувствительный элемент | Биметаллическая спираль | |||||||||
| Шток | Нержавеющая сталь 08Х18Н10 | |||||||||
| Корпус | IP65, нержавеющая сталь 08Х18Н10 | |||||||||
| Кольцо | Нержавеющая сталь 08Х18Н10 Байонетное |
|||||||||
| Циферблат | Алюминий, шкала черная на белом фоне | |||||||||
| Стекло | Минеральное | |||||||||
| Подключение | Через клеммную коробку сбоку на корпусе | |||||||||
| Присоединение | Универсальное, с поворотно-откидным корпусом, угол поворота до 90° | |||||||||
| Резьба присоединения (на штоке) | G½ или М20х1,5 | |||||||||
| Комплектность | Без гильзы (возможна комплектация термометра гильзой из нержавеющей стали 08Х18Н10) | |||||||||
| Рабочее давление | На штоке: 10 МПа На гильзе из нержавеющей стали: 25 МПа |
|||||||||
| Межповерочный интервал | 3 года | |||||||||
| Техническая документация | ТУ 4211-001-4719015564-2008 |
Коррозионностойкие с электроконтактной приставкой (универсальное присоединение)
| Тип | Диаметр корпуса | Класс точности | Диапазон показаний температуры, °C |
|---|---|---|---|
| БТ-54.220 | 100 | 1,5 | −30…+50; 0…60 / 100 / 120 / 160 / 250 / 350 / 450 |
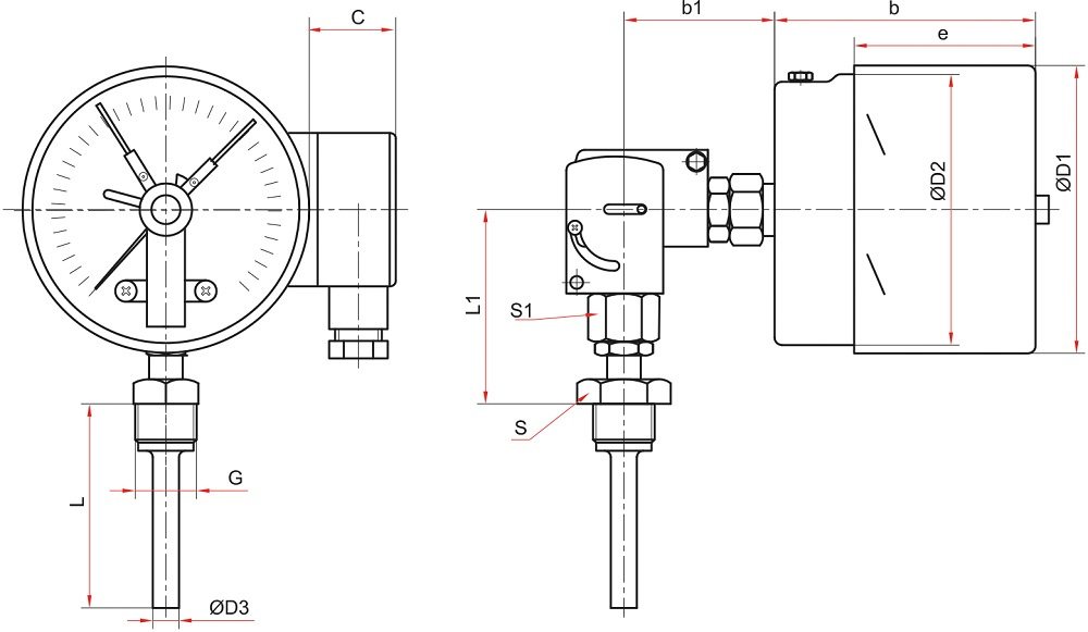
Чертежи
Универсальное присоединение (Ø100 мм)
Основные размеры (мм), вес (кг)
| Ø | D1 | D2 | D3 | b | b1 | e | L | L1 | S | S1 | G | С | Вес |
|---|---|---|---|---|---|---|---|---|---|---|---|---|---|
| 100 | 101 | 99 | 10 | 87 | 63 | 54 | 64, 100, 150, 200, 250, 300 | 75 | 22 | 17 | G½ или М20х1,5 | 42 | 1,05 |
Монтаж и эксплуатация
Прибор следует применять для измерения температуры только в среде, для которой он предназначен; не превышать диапазон измерений. Запрещается использовать растворители и абразивы для очистки стекол. Прибор необходимо исключить из эксплуатации и сдать в ремонт в случае, если: прибор не работает; стрелка движется скачками; погрешность показаний превышает допустимое значение.
В термометре БТ в качестве термоэлемента используется биметаллическая пружина, находящаяся в нижней части штока прибора. Погрешность измерения температуры минимальна, если конец защитной гильзы или штока термометра (для термометров без гильзы) погружен на глубину не менее ⅓ и не более ⅔ внутреннего диаметра трубопровода. Различная глубина погружения термоэлемента может быть достигнута выбором длины приварной бобышки или погружной части биметаллического термометра. При монтаже прибора на трубопровод приваривается бобышка с внутренней резьбой. В бобышку вкручивается гильза термометра, а в гильзу устанавливается термометр. Термометр фиксируется в гильзе с помощью винта на шестиграннике гильзы. При монтаже вращать прибор разрешается только за шестигранник гильзы или за шестигранник на штоке (для термометров без гильзы) с помощью гаечного ключа. Прикладывать усилие к корпусу прибора запрещается. Крутящий момент при монтаже не должен превышать 20 Н∙м. Резьбовые соединения уплотнять лентой ФУМ (при температуре измеряемой среды до 200 °С); жгутом ФУМ (при температуре измеряемой среды до 250 °С); льняной подмоткой (при температуре измеряемой среды свыше 250 °С). Уплотнительная подмотка должна осуществляться в направлении, противоположном направлению вкручивания детали, чтобы при монтаже вкручиваемая деталь не срывала подмотку.
| Бренд |
|---|



