ТД739, термопара (0…+1000С), штуцер, d10мм
Цена: по запросу
Предназначена для измерения температуры жидких, газообразных и твердых тел в диапазоне от 0 до +1000°С.
-ТУ 4211-010-12023213-2007
-Внесены в Государственный реестр средств измерений под № 38468-08
-Номинальная статическая характеристика ТХА (К) и ТХК (L) по ГОСТ Р 8.585-2001.
-Класс допуска по ГОСТ 6616 94: 2 или 3.
Пример для записи при заказе: ТД739-d10-H750-М20-ХА (-0…+1000⁰С)
− ТД739 — модель преобразователя;
− d10 – диаметр корпуса (мм);
− Н750 — длина погружаемой части в (мм);
− М20 – штуцер М20х1,5;
− ХА — тип НСХ.
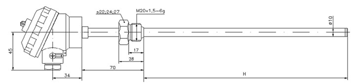
Технические характеристики «ТД739»
Корпус термопары:10Х23Н18.
Диаметр корпуса: 10 мм.
Длина погружной части: 320, 400, 500, 630, 800, 1000 1250, 1600, 2000, 2500, 3150 мм.
Штуцер:М20х1,5, М22х1,5, М27х2 ( по заказу G1/2).
Диаметр термоэлектродов: 1,2 мм.
Материал головки: алюминиевый сплав

