ТД729, термопара (-150…+800С), штуцер, d10мм
Цена: по запросу
Предназначена для измерения температуры жидких, газообразных и твердых тел в диапазоне от -150 до +800°С.
-ТУ 4211-010-12023213-2007
-Внесены в Государственный реестр средств измерений под № 38468-08
-Номинальная статическая характеристика ТХА (К) и ТХК (L) по ГОСТ Р 8.585-2001.
-Класс допуска по ГОСТ 6616 94: 2 или 3.
Пример для записи при заказе: ТД729-d10-H250-М20-ХА (-150…+800⁰С)
− ТД729 — модель преобразователя;
− d10 – диаметр корпуса (мм);
− Н250 — длина погружаемой части в (мм);
− М20 – штуцер М20х1,5;
− ХА — тип НСХ.
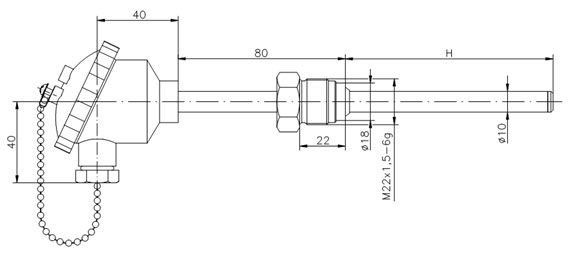
Технические характеристики «ТД729»
Корпус термопары:12Х18Н10Т.
Диаметр корпуса: 10 мм.
Длина погружной части: 80, 100, 120, 160, 200, 250, 320, 400, 500, 630, 800, 1000 1250, 1600, 2000, 2500, 3150 мм.
Штуцер:М20х1,5, М22х1,5, М27х2 (по заказу G1/2).
Материал головки: алюминиевый сплав

