Соленоидный клапан (клапан электромагнитный) AR-YCWS2
Клапан соленоидный миниатюрный нормально закрытый прямого действия с поршнем для управления потоком рабочей среды в трубопроводе
- Рабочая среда: вода, горячая вода, воздух, инертные газы, масла
- Температура рабочей среды: −5…80°С
- Рабочее давление: 0…0,7 МПа
- Диаметр условного прохода: 2,5 мм
- Материал корпуса: полиамид
- Материал уплотнения: VITON
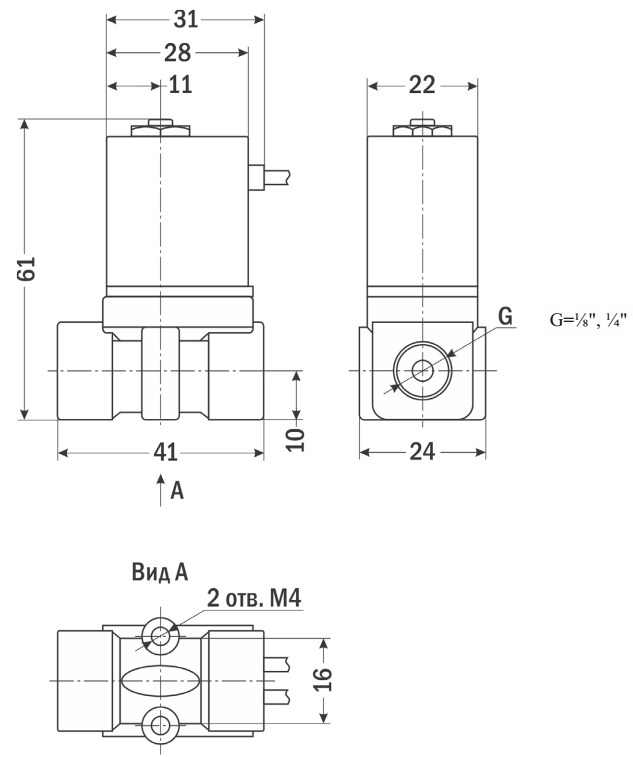
- Присоединение: резьбовое G⅛», G¼»
Цена: по запросу
Отправьте заявку
0
людей смотрят этот товар прямо сейчас
Клапан соленоидный нормально закрытый прямого действия с поршнем AR-YCWS2 для управления потоком рабочей среды в трубопроводе.
Особенности:
- Клапан может использоваться в пищевых устройствах: кулерах, бойлерах, кофемашинах
- Срабатывание при нулевом давлении
- Пониженное энергопотребление
- Время закрытия: 50 мс
- Компактный размер
Принцип действия и область применения:
Нормально закрытый соленоидный клапан – это магнитный клапан, в котором закрытое положение сохраняется, если управляющее напряжение на его индукционную катушку не подается. При подаче напряжения на катушку нормально закрытый клапан открывается и пропускает через себя поток рабочей среды. При отключении управляющего напряжения этот клапан автоматически закрывается и перекрывает поток рабочей среды в трубопроводе. При обрыве провода управляющего напряжения клапан будет закрыт.
В большинстве случаев подходит для эксплуатации в системах водоснабжения, теплоснабжения, вентиляции и пневмоуправления. Особенно актуально применение данного типа клапана, когда клапан должен быть закрыт большую часть времени либо когда он обязательно должен быть закрыт при отключении электропитания системы.
Технические характеристики:
| Параметр | Значение |
| Рабочая среда | Вода, горячая вода, воздух, инертные газы, масла |
| Материал | Корпуса: полиамид Уплотнения: VITON |
| Температура рабочей среды | −5…80°С |
| Рабочее давление | 0…0,7 МПа |
| Диаметр условного прохода | 2,5 мм |
| Присоединение | Резьбовое G⅛», G¼» |
| Катушка | S82B, IP65 Выводные провода 50 см |
| Питание | ~220 В, ~110 В, ~24 В =24 В, =12 В |
| Мощность | 5 ВА (АС), 5 Вт (DC) |
Модификации:
| Модель | Ду, мм | Kv, м³/ч | Присоединение | Pmin , МПа | Pmax , МПа | Катушка | Вес, кг |
| AR-YCWS2 GLV | 2,5 | 0,17 | G⅛», G¼» | 0 | 0,7 | S82B | 0,101 |
| Габаритные размеры |
![]() |

