Соленоидный клапан (электромагнитный) AR-YCWS10-03
Клапан соленоидный нормально закрытый прямого действия с диафрагмой для управления потоком рабочей среды в трубопроводе
- Рабочая среда: вода, горячая вода, воздух, инертные газы, масла
- Температура рабочей среды: −10…80°С
- Рабочее давление: 0,02…0,8 МПа
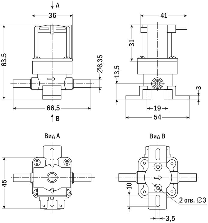
- Диаметр условного прохода: 4 мм
- Материал корпуса: полиацеталь
- Материал уплотнения: NBR
- Присоединение: 2 штуцера ∅ 6,35 мм
Цена: по запросу
Отправьте заявку
0
людей смотрят этот товар прямо сейчас
Клапан соленоидный нормально закрытый прямого действия с диафрагмой AR-YCWS10-03 предназначен для управления потоком рабочей среды в трубопроводе.
Особенности:
- Клапан может использоваться в пищевых устройствах: кулерах, бойлерах, кофемашинах
- Пониженное энергопотребление
- Компактный размер
Принцип действия и область применения:
Нормально закрытый соленоидный клапан – это магнитный клапан, в котором закрытое положение сохраняется, если управляющее напряжение на его индукционную катушку не подается. При подаче напряжения на катушку нормально закрытый клапан открывается и пропускает через себя поток рабочей среды. При отключении управляющего напряжения этот клапан автоматически закрывается и перекрывает поток рабочей среды в трубопроводе. При обрыве провода управляющего напряжения клапан будет закрыт.
В большинстве случаев подходит для эксплуатации в системах водоснабжения, теплоснабжения, вентиляции и пневмоуправления. Особенно актуально применение данного типа клапана, когда клапан должен быть закрыт большую часть времени либо когда он обязательно должен быть закрыт при отключении электропитания системы.
В большинстве случаев подходит для эксплуатации в системах водоснабжения, теплоснабжения, вентиляции и пневмоуправления. Особенно актуально применение данного типа клапана, когда клапан должен быть закрыт большую часть времени либо когда он обязательно должен быть закрыт при отключении электропитания системы.
Технические характеристики:
| Параметр | Значение | |
| Рабочая среда | Вода, горячая вода, воздух, инертные газы, масла | |
| Материал | Корпуса | Полиацеталь |
| Уплотнения | NBR | |
| Температура рабочей среды | −10…80°С | |
| Рабочее давление | 0,02…0,8 МПа | |
| Диаметр условного прохода | 4 мм | |
| Присоединение | 2 штуцера ∅ 6,35 мм | |
| Катушка | SA41B, IP65 | |
| Питание | ~220 В, ~110 В, ~24 В =24 В, =12 В |
|
| Мощность | 3 ВА (АС), 5 Вт (DC) | |
Модификации:
| Модель | Ду, мм | Kv, м³/ч | Присоединение | Pmin , МПа | Pmax , МПа | Вес, кг | Катушка |
| AR-YCWS10-03 CLN | 4 | 0,85 | 2 штуцера ∅ 6,35 мм | 0,02 | 0,8 | 0,130 | SA41B |
| Габаритные размеры |
![]() |

