Соленоидный клапан (электромагнитный) AR-YCTT11
Клапан соленоидный нормально закрытый прямого действия с поршнем для управления потоком рабочей среды в трубопроводе
- Рабочая среда: пар, вода, горячая вода, воздух, инертные газы, масла
- Температура рабочей среды: −20…180°С
- Рабочее давление: 0,0…3,0 МПа
- Диаметр условного прохода: 1,5…6 мм
- Материал корпуса: нержавеющая сталь
- Материал уплотнения: PTFE
- Присоединение: резьбовое G⅛»…G⅜»
Цена: по запросу
Клапан соленоидный нормально закрытый прямого действия с поршнем AR-YCTT11 предназначен для управления потоком рабочей среды в трубопроводе.
Особенности:
- Устойчив к низким и высоким температурам
- Работа при высоком давлении до 3 МПа
- Срабатывание при нулевом давлении
- Пониженное энергопотребление
- Долгий срок службы
Принцип действия и область применения:
Нормально закрытый соленоидный клапан – это магнитный клапан, в котором закрытое положение сохраняется, если управляющее напряжение на его индукционную катушку не подается. При подаче напряжения на катушку нормально закрытый клапан открывается и пропускает через себя поток рабочей среды. При отключении управляющего напряжения этот клапан автоматически закрывается и перекрывает поток рабочей среды в трубопроводе. При обрыве провода управляющего напряжения клапан будет закрыт.
Технические характеристики:
| Параметр | Значение | |
| Рабочая среда | Пар, вода, горячая вода, воздух, инертные газы, масла | |
| Материал | Корпуса | Нержавеющая сталь |
| Уплотнения | PTFE | |
| Температура рабочей среды | −20…180°С | |
| Рабочее давление | 0,0…4,0 МПа | |
| Диаметр условного прохода | 1…6 мм | |
| Присоединение | Резьбовое G⅛»…G⅜ | |
| Катушка | S91H, ASE11B, SB543, IP65 | |
| Питание | ~220 В, ~110 В, ~24 В (кроме ASE11B) =24 В, =12 В |
|
| Мощность | S91H: 20 ВА (АС), 14 Вт (DC) ASE11B: 4,5 ВА (AC), 8 Вт (DC) SB543: 23 ВА (AC), 13 Вт (DC) |
|
Модификации:
| Обозначение | Ду, мм |
Kv, м³/ч |
Присоединение | Pmin, МПа |
Pmax, МПа | Катушки | Вес, кг | |
| AC | DC | |||||||
| AR-YCTT11161 GSP | 1,5 | 0,09 | ⅛» | 0,0 | 3,0 | S91H, ASE11B, SB543 |
0,463 | |
| AR-YCTT11251 GSP | 2,5 | 0,15 | 2,5 | 2,0 | ||||
| AR-YCTT11301 GSP | 3,0 | 0,26 | 2,0 | 1,8 | ||||
| AR-YCTT11252 GSP | 2,5 | 0,15 | ¼» | 2,5 | 2,0 | 0,451 | ||
| AR-YCTT11302 GSP | 3,0 | 0,26 | 2,0 | 1,8 | ||||
| AR-YCTT11352 GSP | 3,5 | 0,29 | 1,5 | |||||
| AR-YCTT11402 GSP | 4,0 | 0,43 | 1,0 | |||||
| AR-YCTT11452 GSP | 4,5 | 0,52 | 0,5 | |||||
| AR-YCTT11403 GSP | 4,0 | 0,43 | ⅜» | 1,0 | 0,464 | |||
| AR-YCTT11453 GSP | 4,5 | 0,52 | 0,5 | |||||
| AR-YCTT11503 GSP | 5,0 | 0,61 | 0,5 | |||||
| AR-YCTT11603 GSP | 6,0 | 0,68 | 0,5 | |||||
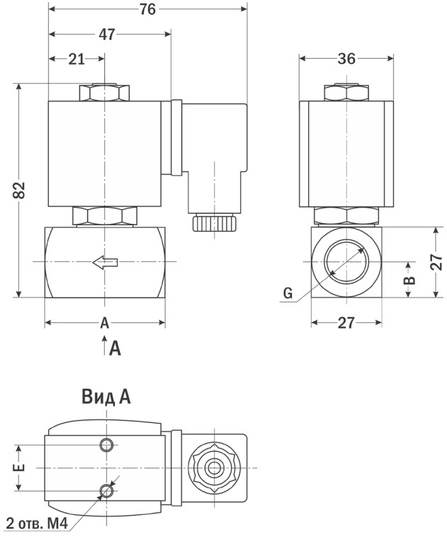
| Габаритные размеры |
![]() |
| Размер, мм | G⅛» | G¼» | G⅜» |
| A | 40 | 46 | |
| B | 11 | 14 | |
| E | 19 | 19,5 | |
| Вариант |
AR-YCTT11161 GSP ,AR-YCTT11251 GSP ,AR-YCTT11301 GSP ,AR-YCTT11252 GSP ,AR-YCTT11302 GSP ,AR-YCTT11352 GSP ,AR-YCTT11402 GSP ,AR-YCTT11452 GSP ,AR-YCTT11403 GSP ,AR-YCTT11453 GSP ,AR-YCTT11503 GSP ,AR-YCTT11603 GSP |
|---|

