Соленоидный клапан (электромагнитный) AR-YCP31
Клапан соленоидный нормально закрытый непрямого действия с поршнем для управления потоком рабочей среды в трубопроводе
- Рабочая среда: пар, вода, горячая вода, масла
- Температура рабочей среды: −20…180°С
- Рабочее давление: 0,05…1,6 МПа
- Диаметр условного прохода: 12…50 мм
- Материал корпуса: нержавеющая сталь
- Материал уплотнения: PTFE
- Присоединение: резьбовое G⅜»…G2″
Цена: по запросу
Отправьте заявку
0
людей смотрят этот товар прямо сейчас
Клапан соленоидный нормально закрытый непрямого действия с поршнем AR-YCP31 предназначен для управления потоком рабочей среды в трубопроводе.
Особенности:
- Долгий срок службы уплотнителя в среде пара
- Конструкция предусматривает долгосрочную эксплуатацию в системе паротрубопровода
- Защита трубопровода от гидравлических ударов благодаря специальной конструкции клапана
- Работа при высоком давлении до 1,6 МПа
Принцип действия и область применения:
Нормально закрытый соленоидный клапан – это магнитный клапан, в котором закрытое положение сохраняется, если управляющее напряжение на его индукционную катушку не подается. При подаче напряжения на катушку нормально закрытый клапан открывается и пропускает через себя поток рабочей среды. При отключении управляющего напряжения этот клапан автоматически закрывается и перекрывает поток рабочей среды в трубопроводе. При обрыве провода управляющего напряжения клапан будет закрыт.
В большинстве случаев подходит для эксплуатации в системах водоснабжения, теплоснабжения, вентиляции и пневмоуправления. Особенно актуально применение данного типа клапана, когда клапан должен быть закрыт большую часть времени либо когда он обязательно должен быть закрыт при отключении электропитания системы.
В большинстве случаев подходит для эксплуатации в системах водоснабжения, теплоснабжения, вентиляции и пневмоуправления. Особенно актуально применение данного типа клапана, когда клапан должен быть закрыт большую часть времени либо когда он обязательно должен быть закрыт при отключении электропитания системы.
Технические характеристики:
| Параметр | Значение | |
| Рабочая среда | Пар, вода, горячая вода, масла | |
| Материал | Корпуса | Нержавеющая сталь |
| Уплотнения | PTFE | |
| Температура рабочей среды | −20…180°С | |
| Рабочее давление | 0,05…1,6 МПа | |
| Диаметр условного прохода | 12…50 мм | |
| Присоединение | Резьбовое G⅜»…G2″ | |
| Катушка | S21H, ASE21B, Ex1320, SB282, IP65 | |
| Питание | ~220 В, ~110 В*, ~24 В* =24 В, =12 В |
|
| Мощность | S21H: 22 ВА (АС), 15 Вт (DC) ASE21B: 5,5 ВА (АС), 12 Вт (DC) Ex1320: 28 ВА (AC), 20 Вт (DC) SB282: 24 ВА (AC), 17 Вт (DC) |
|
* Кроме ASE21B
Модификации:
| Модель | Ду, мм | Kv, м³/ч | Присоединение | Pmin , МПа | Pmax , МПа | Катушка | Вес, кг |
| AR-YCP3112 GSP | 12 | 3,8 | G⅜» | 0,05 | 1,6 | S21H, ASE21B, Ex1320, SB282 | 0,83 |
| AR-YCP3115 GSP | 15 | 3,8 | G½» | 0,92 | |||
| AR-YCP3120 GSP | 20 | 8 | G¾» | 1,23 | |||
| AR-YCP3125 GSP | 25 | 10 | G1″ | 1,7 | |||
| AR-YCP3132 GSP | 32 | 20 | G1¼» | 2,96 | |||
| AR-YCP3140 GSP | 40 | 25 | G1½» | 2,82 | |||
| AR-YCP3150 GSP | 50 | 41 | G2″ | 4,05 |
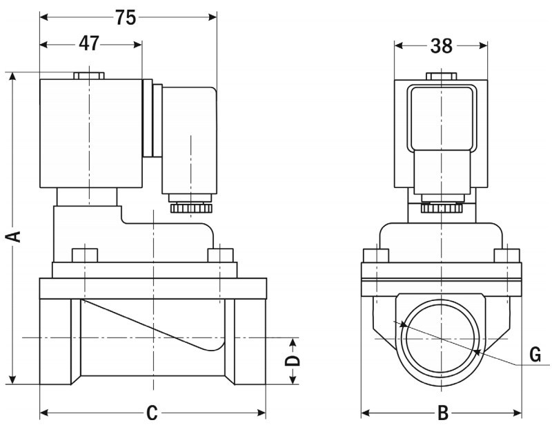
| Габаритные размеры |
![]() |
| Размер, мм | AR-YCP3112 | AR-YCP3115 | AR-YCP3120 | AR-YCP3125 | AR-YCP3132 | AR-YCP3140 | AR-YCP3150 |
| A | 114 | 114 | 127 | 138 | 152 | 150 | 165 |
| B | 48,5 | 48,5 | 60 | 72 | 96 | 95 | 122 |
| C | 74,5 | 74,5 | 84 | 102 | 130 | 129 | 155 |
| D | 13 | 13 | 16 | 18 | 22 | 27 | 34 |
| G | ⅜» | ½» | ¾» | 1″ | 1¼» | 1½» | 2″ |
| Вариант |
AR-YCP3112 GSP ,AR-YCP3115 GSP ,AR-YCP3120 GSP ,AR-YCP3125 GSP ,AR-YCP3132 GSP ,AR-YCP3140 GSP ,AR-YCP3150 GSP |
|---|

