Соленоидный клапан (электромагнитный) AR-YCL41
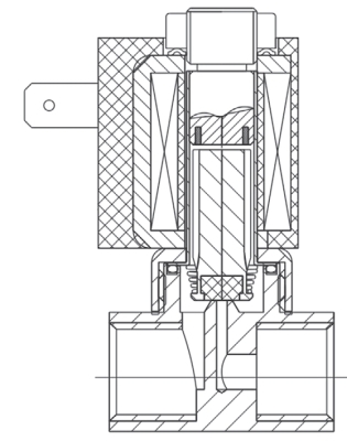
Клапан соленоидный бистабильный прямого действия с поршнем для управления потоком рабочей среды в трубопроводе
- Рабочая среда: вода, горячая вода, воздух, инертные газы, масла
- Температура рабочей среды: −10…120°С
- Рабочее давление: 0…0,8−1 МПа
- Диаметр условного прохода: 1,6…3 мм
- Материал корпуса: латунь или нержавеющая сталь
- Материал уплотнения: VITON
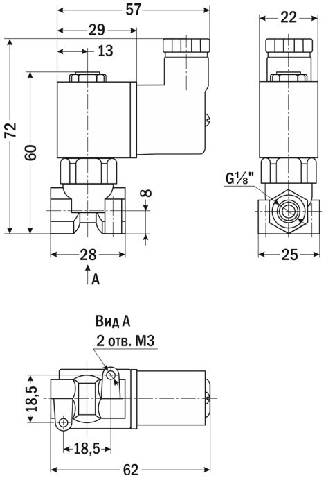
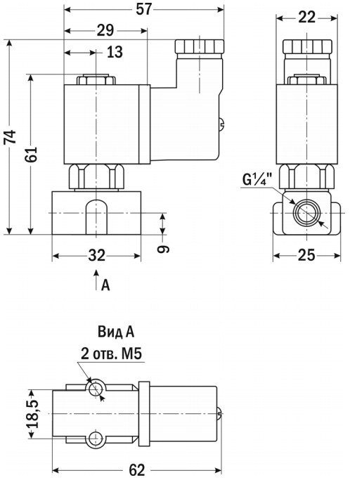
- Присоединение: резьбовое G⅛», G¼»
Цена: по запросу
Клапан соленоидный бистабильный прямого действия с поршнем AR-YCL41 предназначен для управления потоком рабочей среды в трубопроводе.
Особенности:
- При подаче напряжения клапан открывается и фиксируется в первом положении; при смене полярности приложенного напряжения клапан закрывается и фиксируется во втором положении
- Отсутствие перегрева, длительный срок службы
- Нулевое потребление энергии в конечных положениях, энергия тратится только на переключение положения
- Малое время срабатывания: 0,025…0,1 с
- Только на постоянное напряжение
Принцип действия и область применения:
Бистабильные клапаны имеют два устойчивых положения: «Открыто» и «Закрыто». Переключение между ними осуществляется последовательно, подачей короткого импульса на катушку клапана. Особенностью управления является необходимость подачи импульсов противоположной полярности, поэтому бистабильные клапаны работают только от источников постоянного тока. Для удержания открытого или закрытого положения подавать напряжение на катушку не требуется! Благодаря этому эти клапаны обеспечивают нулевое потребление энергии (кроме моментов переключения) и исключительно долгий срок службы из-за отсутствия перегрева катушки. В большинстве случаев подходят для эксплуатации в системах, где либо требуется частое открытие-закрытие клапанов либо важно при отключении питания обеспечить бесперебойную работу оборудования и не допустить остановки технологического процесса.
Технические характеристики:
| Параметр | Значение |
| Рабочая среда | Вода, горячая вода, воздух, инертные газы, масла |
| Материалы | Корпуса: латунь (⅛», ¼») или нерж. сталь (¼») Уплотнения: VITON |
| Температура рабочей среды | −10…120°С |
| Рабочее давление | 0…0,8−1 МПа |
| Диаметр условного прохода | 1,6…3 мм |
| Присоединение | Резьбовое G⅛», G¼» |
| Катушка | L21H, IP65 |
| Питание | =24 В, =12 В, =6 В |
| Мощность | 10 Вт (DC) |
Модификации:
| Модель | Ду, мм | Kv, м³/ч | Присоединение | Pmin, МПа | Pmax, МПа | Катушка | Вес, кг |
| AR-YCL41161 GBV | 1,6 | 0,09 | ⅛» | 0 | 1 | L21H | 0,147 |
| AR-YCL41251 GBV | 2,5 | 0,15 | |||||
| AR-YCL41301 GBV | 3,0 | 0,26 | 0,8 | ||||
| AR-YCL41252 GBV | 2,5 | 0,15 | ¼» | 1 | 0,169 | ||
| AR-YCL41302 GBV | 3,0 | 0,26 | 0,8 |
| Габаритные размеры |
![]() |
| AR-YCL41XX1 |
![]() |
| AR-YCL41XX2 |
| Вариант |
AR-YCL41161 GBV ,AR-YCL41251 GBV ,AR-YCL41301 GBV ,AR-YCL41252 GBV ,AR-YCL41302 GBV |
|---|


