Соленоидный клапан (электромагнитный) AR-YCL11
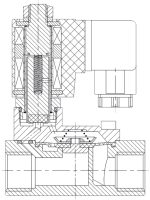
Клапан соленоидный бистабильный непрямого действия с диафрагмой для управления потоком рабочей среды в трубопроводе
- Рабочая среда: вода, горячая вода, воздух, инертные газы
- Температура рабочей среды: −10…120°С
- Рабочее давление: 0,03…1 MПa
- Диаметр условного прохода: 12…50 мм
- Материал корпуса: латунь
- Материал уплотнения: VITON
- Присоединение: резьбовое G⅜»…G2″
Цена: по запросу
Отправьте заявку
0
людей смотрят этот товар прямо сейчас
Клапан соленоидный бистабильный непрямого действия с диафрагмой AR-YCL11 предназначен для управления потоком рабочей среды в трубопроводе.
Особенности:
- Отсутствие перегрева, длительный срок службы
- Нулевое потребление энергии в конечных положениях, энергия тратится только на переключение положения
- Защита трубопровода от гидравлических ударов благодаря специальной конструкции клапана
- Малое время срабатывания: 0,025…0,1 с
- Только на постоянное напряжение
Принцип действия и область применения:
Бистабильные клапаны имеют два устойчивых положения: «Открыто» и «Закрыто». Переключение между ними осуществляется последовательно, подачей короткого импульса на катушку клапана. Особенностью управления является необходимость подачи импульсов противоположной полярности, поэтому бистабильные клапаны работают только от источников постоянного тока. Для удержания открытого или закрытого положения подавать напряжение на катушку не требуется! Благодаря этому эти клапаны обеспечивают нулевое потребление энергии (кроме моментов переключения) и исключительно долгий срок службы из-за отсутствия перегрева катушки.
В большинстве случаев подходят для эксплуатации в системах, где либо требуется частое открытие-закрытие клапанов либо важно при отключении питания обеспечить бесперебойную работу оборудования и не допустить остановки технологического процесса.
Технические характеристики:
| Параметр | Значение |
| Рабочая среда | Вода, горячая вода, воздух, инертные газы |
| Материалы | Корпуса: латунь Уплотнения: VITON |
| Температура рабочей среды | −10…120°С |
| Рабочее давление | 0,03…1 MПa |
| Диаметр условного прохода | 12…50 мм |
| Присоединение | Резьбовое G⅜»…G2″ |
| Катушка | L11B, IP65 |
| Питание | =24 В, =12 В, =6 В |
| Мощность | 10 Вт (DC) |
Модификации:
| Модель | Ду, мм | Kv, м³/ч | Присоединение | Pmin, МПа | Pmax, МПа | Катушка | Вес, кг |
| AR-YCL1112 GBV | 12 | 3,8 | ⅜» | 0,03 | 1 |
L11B |
0,8 |
| AR-YCL1115 GBV | 15 | 3,8 | ½» | 0,7 | |||
| AR-YCL1120 GBV | 20 | 8 | ¾» | 1 | |||
| AR-YCL1125 GBV | 25 | 10 | 1″ | 1,18 | |||
| AR-YCL1132 GBV | 32 | 19 | 1¼» | 2,58 | |||
| AR-YCL1140 GBV | 40 | 25 | 1½» | 2,38 | |||
| AR-YCL1150 GBV | 50 | 41 | 2″ | 3,38 |
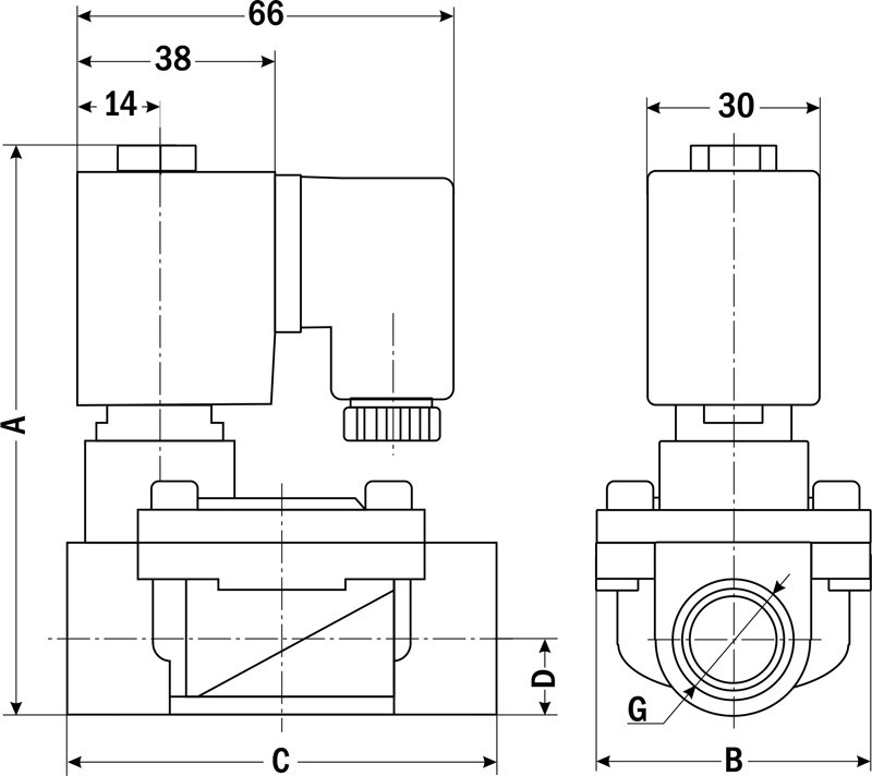
| Габаритные размеры |
![]() |
| Размер, мм | AR-YCL1112 | AR-YCL1115 | AR-YCL1120 | AR-YCL1125 | AR-YCL1132 | AR-YCL1140 | AR-YCL1150 |
| A | 93 | 93 | 104 | 116 | 130 | 130 | 145 |
| B | 48 | 48 | 60 | 70 | 92 | 92 | 113 |
| C | 73 | 73 | 83 | 100 | 130 | 130 | 156 |
| D | 13,5 | 13,5 | 16,5 | 21 | 28,5 | 28,5 | 34 |
| G | ⅜» | ½» | ¾» | 1″ | 1¼» | 1½» | 2″ |
| Вариант |
AR-YCL1112 GBV ,AR-YCL1115 GBV ,AR-YCL1120 GBV ,AR-YCL1125 GBV ,AR-YCL1132 GBV ,AR-YCL1140 GBV ,AR-YCL1150 GBV |
|---|

