Соленоидный клапан (электромагнитный) AR-YCA11
Клапан соленоидный нормально закрытый непрямого действия с диафрагмой для управления потоком рабочей среды в трубопроводе
- Рабочая среда: вода, горячая вода
- Температура рабочей среды: −10…80°С
- Рабочее давление: 0,1…1,0 МПа
- Диаметр условного прохода: 40 мм, 50 мм, 80 мм
- Материал корпуса: нейлон
- Материал уплотнения: NBR
- Присоединение: резьбовое G1½», G2″, G3″
Цена: по запросу
Отправьте заявку
0
людей смотрят этот товар прямо сейчас
Клапан соленоидный нормально закрытый непрямого действия с диафрагмой AR-YCA11 предназначен для управления потоком рабочей среды в трубопроводе.
Особенности:
- Устойчивая работа с загрязненной водой
- Простая разборка и очистка клапана от грязевых примесей в рабочей среде
- Защита трубопровода от гидравлических ударов благодаря специальной конструкции клапана
- Возможность ручного открытия/закрытия клапана при отсутствии питания
Принцип действия и область применения:
Нормально закрытый соленоидный клапан – это магнитный клапан, в котором закрытое положение сохраняется, если управляющее напряжение на его индукционную катушку не подается. При подаче напряжения на катушку нормально закрытый клапан открывается и пропускает через себя поток рабочей среды. При отключении управляющего напряжения этот клапан автоматически закрывается и перекрывает поток рабочей среды в трубопроводе. При обрыве провода управляющего напряжения клапан будет закрыт.
В большинстве случаев подходит для эксплуатации в системах водоснабжения, теплоснабжения, вентиляции и пневмоуправления. Особенно актуально применение данного типа клапана, когда клапан должен быть закрыт большую часть времени либо когда он обязательно должен быть закрыт при отключении электропитания системы.
В большинстве случаев подходит для эксплуатации в системах водоснабжения, теплоснабжения, вентиляции и пневмоуправления. Особенно актуально применение данного типа клапана, когда клапан должен быть закрыт большую часть времени либо когда он обязательно должен быть закрыт при отключении электропитания системы.
Технические характеристики:
| Параметр | Значение |
| Рабочая среда | Вода, горячая вода |
| Материал | Корпуса: нейлон Уплотнения: NBR |
| Температура рабочей среды | −10…80°С |
| Рабочее давление | 0,1…1,0 МПа |
| Диаметр условного прохода | 40 мм, 50 мм, 80 мм |
| Присоединение | резьбовое G1½», G2″, G3″ |
| Катушка | SE02B; IP65 |
| Питание | ~220 В, ~110 В, ~24 В =24 В, =12 В |
| Мощность | 10 ВА (АС), 8 Вт (DC) |
Модификации:
| Модель | Ду, мм | Kv, м³/ч | Присоединение | Pmin , МПа | Pmax , МПа | Катушка | Вес, кг |
| AR-YCA1140 GLN | 40 | 21,33 | G1½» | 0,1 | 1,0 | SE02B | 0,9 |
| AR-YCA1150 GLN | 50 | 38,39 | G2″ | 1,8 | |||
| AR-YCA1180 GLN | 80 | 85,3 | G3″ | 2,9 |
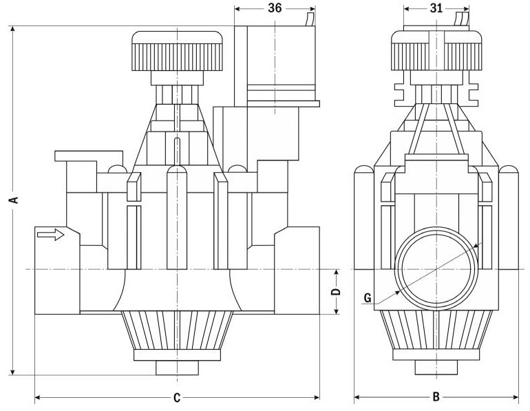
| Габаритные размеры |
![]() |
| Размер, мм | AR-YCA1140 | AR-YCA1150 | AR-YCA1180 |
| A | 194 | 253 | 267 |
| B | 84 | 125 | 156 |
| C | 163 | 195 | 305 |
| D | 30 | 38 | 43 |
| G | 1½» | 2″ | 3″ |
| Вариант |
AR-YCA1140 GLN ,AR-YCA1150 GLN ,AR-YCA1180 GLN |
|---|

