Соленоидный клапан (электромагнитный) AR-SB115
Клапан соленоидный нормально закрытый прямого действия с поршнем для управления потоком рабочей среды в трубопроводе
- Рабочая среда: вода, воздух, инертные газы, масла
- Температура рабочей среды: −10…80°С
- Рабочее давление: 0…0,7 МПа
- Диаметр условного прохода: 1…2,5 мм
- Материал корпуса: латунь
- Материал уплотнения: NBR
- Присоединение: резьбовое М4, М5, ⅛», ¼»
Цена: по запросу
Отправьте заявку
0
людей смотрят этот товар прямо сейчас
Клапан соленоидный нормально закрытый прямого действия с поршнем AR-SB115 предназначен для управления потоком рабочей среды в трубопроводе.
Особенности:
- Срабатывание при нулевом давлении
- Пониженное энергопотребление
- Высокая частота срабатывания
- Бесшумная работа
- Компактный размер
Принцип действия и область применения:
Нормально закрытый соленоидный клапан – это магнитный клапан, в котором закрытое положение сохраняется, если управляющее напряжение на его индукционную катушку не подается. При подаче напряжения на катушку нормально закрытый клапан открывается и пропускает через себя поток рабочей среды. При отключении управляющего напряжения этот клапан автоматически закрывается и перекрывает поток рабочей среды в трубопроводе. При обрыве провода управляющего напряжения клапан будет закрыт.
В большинстве случаев подходит для эксплуатации в системах водоснабжения, теплоснабжения, вентиляции и пневмоуправления. Особенно актуально применение данного типа клапана, когда клапан должен быть закрыт большую часть времени либо когда он обязательно должен быть закрыт при отключении электропитания системы.
В большинстве случаев подходит для эксплуатации в системах водоснабжения, теплоснабжения, вентиляции и пневмоуправления. Особенно актуально применение данного типа клапана, когда клапан должен быть закрыт большую часть времени либо когда он обязательно должен быть закрыт при отключении электропитания системы.
Технические характеристики:
| Параметр | Значение | |
| Рабочая среда | Вода, воздух, инертные газы, масла | |
| Материал | Корпуса | Латунь |
| Уплотнения | NBR | |
| Температура рабочей среды | −10…80°С | |
| Рабочее давление | 0…0,7 МПа | |
| Диаметр условного прохода | 1…2,5 мм | |
| Присоединение | Резьбовое М4, М5, ⅛», ¼» | |
| Катушка | SB075, IP65 | |
| Питание | ~220 В, ~110 В, ~24 В =24 В, =12 В |
|
| Мощность | 6,2 ВА (АС), 3,5 Вт (DC) | |
Модификации:
| Обозначение | Ду, мм | Kv, м³/ч | Присоединение | Pmin, МПа | Pmax, МПа | Катушка | Вес, кг |
| AR-SB115-010 MBN | 1,0 | 0,1 | М4 | 0,0 | 0,4 | SB075 | 0,21 |
| М5 | |||||||
| AR-SB115-020 MBN | 2,0 | 0,13 | ⅛» | ||||
| ¼» | |||||||
| AR-SB115-025 MBN | 2,5 | 0,2 | ⅛» | ||||
| ¼» |
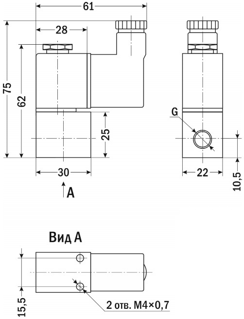
| Габаритные размеры |
![]() |
| Вариант |
E57273 ,E57279 ,E57285 ,E57291 ,E57297 ,E57274 ,E57280 ,E57286 ,E57292 ,E57298 ,E57275 ,E57281 ,E57287 ,E57293 ,E57299 ,E57277 ,E57283 ,E57289 ,E57295 ,E57301 ,E57276 ,E57282 ,E57288 ,E57294 ,E57300 ,E57278 ,E57284 ,E57290 ,E57296 ,E57302 |
|---|

