Соленоидный клапан (электромагнитный) AR-RMF-Z-A
Клапан соленоидный нормально закрытый прямого действия с диафрагмой для управления потоком рабочей среды в трубопроводе
- Рабочая среда: воздух
- Температура рабочей среды: −5…55°С
- Рабочее давление: 0,3…0,8 МПа
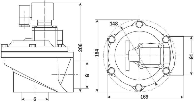
- Диаметр условного прохода: 50 мм, 62 мм
- Материал корпуса: алюминий
- Материал уплотнения: NBR
- Присоединение: резьбовое G2″, G2½»
- Импульсный клапан мембранного типа для систем пылеудаления
Цена: по запросу
Отправьте заявку
0
людей смотрят этот товар прямо сейчас
Клапан соленоидный нормально закрытый прямого действия с диафрагмой AR-RMF-Z-A предназначен для управления потоком рабочей среды в трубопроводе.
Особенности:
- Высокая пропускная способность благодаря угловой конструкции
- Аналог клапанов ASCO
Принцип действия и область применения:
Нормально закрытый соленоидный клапан – это магнитный клапан, в котором закрытое положение сохраняется, если управляющее напряжение на его индукционную катушку не подается. При подаче напряжения на катушку нормально закрытый клапан открывается и пропускает через себя поток рабочей среды. При отключении управляющего напряжения этот клапан автоматически закрывается и перекрывает поток рабочей среды в трубопроводе. При обрыве провода управляющего напряжения клапан будет закрыт.
В большинстве случаев подходит для эксплуатации в системах водоснабжения, теплоснабжения, вентиляции и пневмоуправления. Особенно актуально применение данного типа клапана, когда клапан должен быть закрыт большую часть времени либо когда он обязательно должен быть закрыт при отключении электропитания системы.
В большинстве случаев подходит для эксплуатации в системах водоснабжения, теплоснабжения, вентиляции и пневмоуправления. Особенно актуально применение данного типа клапана, когда клапан должен быть закрыт большую часть времени либо когда он обязательно должен быть закрыт при отключении электропитания системы.
Технические характеристики:
| Параметр | Значение | |
| Рабочая среда | Воздух | |
| Материал | Корпуса: | Алюминий |
| Уплотнения: | NBR | |
| Температура рабочей среды | −5…55°С | |
| Рабочее давление | 0,3…0,8 МПа | |
| Диаметр условного прохода | 50 мм, 62 мм | |
| Присоединение | Резьбовое G2″, G2½» | |
| Катушка | SB255, SB461; IP65 | |
| Питание | ~220 В, ~110 В, ~24 В =24 В, =12 В |
|
| Мощность | SB255 | 28 ВА (АС), 30 Вт (DC) |
| SB461 | 25 ВА (АС), 20 Вт (DC) | |
Модификации:
| Модель | Ду, мм | Kv, м³/ч | Присоединение | Pmin , МПа | Pmax , МПа | Вес, кг | Катушка |
| AR-RMF-Z-50S-A GAN | 50 | 48 | G2″ | 0,3 | 0,8 | 3 | SB255 |
| AR-RMF-Z-62S-A GAN | 62 | 68 | G2½» | SB461 |
| Габаритные размеры |
![]() |
| Вариант |
AR-RMF-Z-50S-A GAN ,AR-RMF-Z-62S-A GAN |
|---|

