Соленоидный клапан (электромагнитный) AR-HP250
Клапан соленоидный нормально закрытый прямого действия с проршнем на высокое давление до 25,0 МПа для управления потоком рабочей среды в трубопроводе
- Рабочая среда: вода, горячая вода, воздух, инертные газы, масла
- Температура рабочей среды: −10…120°С
- Рабочее давление: 0…25 МПа
- Диаметр условного прохода: 1 мм
- Материал корпуса: нержавеющая сталь
- Материал уплотнения: PTFE
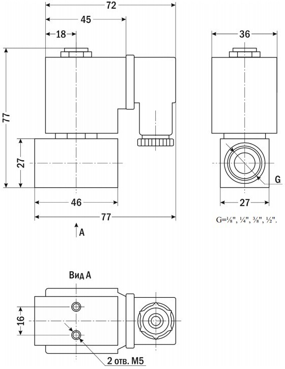
- Присоединение: резьбовое G⅛»…G½»
Цена: по запросу
Отправьте заявку
0
людей смотрят этот товар прямо сейчас
Клапан соленоидный нормально закрытый прямого действия с проршнем на высокое давление до 25,0 МПа AR-HP250 предназначен для управления потоком рабочей среды в трубопроводе.
Особенности:
- Работа при высоком давлении до 25,0 МПа
- Срабатывание при нулевом давлении
- Компактный размер
Принцип действия и область применения:
Нормально закрытый соленоидный клапан – это магнитный клапан, в котором закрытое положение сохраняется, если управляющее напряжение на его индукционную катушку не подается. При подаче напряжения на катушку нормально закрытый клапан открывается и пропускает через себя поток рабочей среды. При отключении управляющего напряжения этот клапан автоматически закрывается и перекрывает поток рабочей среды в трубопроводе. При обрыве провода управляющего напряжения клапан будет закрыт.
В большинстве случаев подходит для эксплуатации в системах водоснабжения, теплоснабжения, вентиляции и пневмоуправления. Особенно актуально применение данного типа клапана, когда клапан должен быть закрыт большую часть времени либо когда он обязательно должен быть закрыт при отключении электропитания системы.
Технические характеристики:
| Параметр | Значение |
| Рабочая среда | Вода, горячая вода, воздух, инертные газы, масла |
| Материал | Корпуса: нержавеющая сталь Уплотнения: PTFE |
| Температура рабочей среды | −10…120°С |
| Рабочее давление | 0…25 МПа |
| Диаметр условного прохода | 1 мм |
| Присоединение | Резьбовое G⅛»…G½» |
| Катушка | SB256, SB257, ASE11B, SB543, IP65 |
| Питание | ~220 В, ~110 В, ~24 В =24 В, =12 В |
| Мощность | SB256: 22 ВА (AC), 13 Вт (DC) SB257: 28 ВА (AC), 18 Вт (DC) ASE11B: 4,5 ВА (AC), 8 Вт (DC) SB543: 23 ВА (AC), 13 Вт (DC) |
Модификации:
| Модель | Ду, мм | Kv, м³/ч | Присоединение | Pmin , МПа | Pmax , МПа | Катушка | Вес, кг |
| AR-HP250 GSP | 1 | 5,6 | ⅛», ¼», ⅜», ½» | 0 | 25 | SB256, SB257, ASE11B, SB543 | 0,48 |
| Габаритные размеры |
![]() |

