Соленоидный клапан (электромагнитный) AR-DL-6K
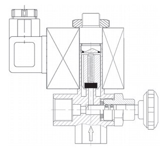
Клапан соленоидный нормально закрытый прямого действия с поршнем для управления потоком рабочей среды в трубопроводе
- Рабочая среда: пар, вода, горячая вода, воздух, инертные газы
- Температура рабочей среды: 0,1…180°С
- Рабочее давление: 0…0,8 МПа
- Диаметр условного прохода: 0…2,5 мм
- Материал корпуса: латунь
- Материал уплотнения: VITON
- Присоединение: резьбовое G¼»
- Ручное регулирование Ду
Цена: по запросу
Отправьте заявку
0
людей смотрят этот товар прямо сейчас
Клапан соленоидный нормально закрытый прямого действия с поршнем AR-DL-6K предназначен для управления потоком рабочей среды в трубопроводе.
Особенности:
- Срабатывание при нулевом давлении
Принцип действия и область применения:
Нормально закрытый соленоидный клапан – это магнитный клапан, в котором закрытое положение сохраняется, если управляющее напряжение на его индукционную катушку не подается. При подаче напряжения на катушку нормально закрытый клапан открывается и пропускает через себя поток рабочей среды. При отключении управляющего напряжения этот клапан автоматически закрывается и перекрывает поток рабочей среды в трубопроводе. При обрыве провода управляющего напряжения клапан будет закрыт.
В большинстве случаев подходит для эксплуатации в системах водоснабжения, теплоснабжения, вентиляции и пневмоуправления. Особенно актуально применение данного типа клапана, когда клапан должен быть закрыт большую часть времени либо когда он обязательно должен быть закрыт при отключении электропитания системы.
Технические характеристики:
| Параметр | Значение |
| Рабочая среда | Пар, вода, горячая вода, воздух, инертные газы, масла |
| Материал | Корпуса: латунь Уплотнения: VITON |
| Температура рабочей среды | 0,1…180°С |
| Рабочее давление | 0…0,8 МПа |
| Диаметр условного прохода | 0…2,5 мм (ручное регулирование) |
| Присоединение | Резьбовое G¼» |
| Катушка | SB242, IP65 |
| Питание | ~220 В, ~110 В, ~24 В =24 В, =12 В |
| Мощность | 15 ВА (АС), 10 Вт (DC) |
Модификации:
| Модель | Ду, мм | Kv, м3/ч | Присоединение | Pmin , МПа | Pmax , МПа | Катушка | Вес, кг |
| AR-DL-6K GBV | 0…2,5 | 0,18 | G¼» | 0 | 0,8 | SB242 | 0,31 |
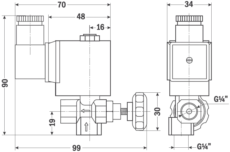
| Габаритные размеры |
![]() |

