Соленоидный клапан (электромагнитный) AR-5531
Клапан соленоидный миниатюрный нормально закрытый прямого действия с ручным регулированием Ду, для пара для управления потоком рабочей среды в трубопроводе
- Рабочая среда: пар, вода, горячая вода, воздух, инертные газы
- Температура рабочей среды: −20…200°С
- Рабочее давление: 0…0,5−1,6 МПа
- Диаметр условного прохода: 0…1,6 мм, 0…2,5 мм
- Материал корпуса: латунь
- Материал уплотнения: силикон
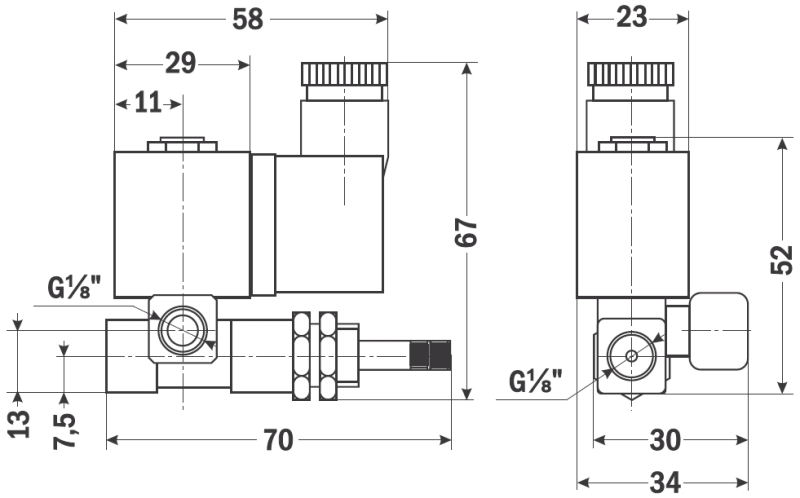
- Присоединение: резьбовое G⅛»
Цена: по запросу
Отправьте заявку
0
людей смотрят этот товар прямо сейчас
Клапан соленоидный миниатюрный нормально закрытый прямого действия с ручным регулированием Ду, для пара AR-5531 предназначен для управления потоком рабочей среды в трубопроводе.
Особенности:
- Ручное регулирование Ду
- Пониженное энергопотребление
- Компактный размер
Принцип действия и область применения:
Нормально закрытый соленоидный клапан – это магнитный клапан, в котором закрытое положение сохраняется, если управляющее напряжение на его индукционную катушку не подается. При подаче напряжения на катушку нормально закрытый клапан открывается и пропускает через себя поток рабочей среды. При отключении управляющего напряжения этот клапан автоматически закрывается и перекрывает поток рабочей среды в трубопроводе. При обрыве провода управляющего напряжения клапан будет закрыт.
В большинстве случаев подходит для эксплуатации в системах водоснабжения, теплоснабжения, вентиляции и пневмоуправления. Особенно актуально применение данного типа клапана, когда клапан должен быть закрыт большую часть времени либо когда он обязательно должен быть закрыт при отключении электропитания системы.
Технические характеристики:
| Параметр | Значение |
| Рабочая среда | Пар, вода, горячая вода, воздух, инертные газы |
| Материал | Корпуса: латунь Уплотнения: силикон |
| Температура рабочей среды | −20…200°С |
| Рабочее давление | 0…0,5−1,6 МПа |
| Диаметр условного прохода | 0…1,6 мм, 0…2,5 мм |
| Присоединение | Резьбовое G⅛» |
| Катушка | SA11B, (SB285); IP65 |
| Питание | ~220 В, ~110 В, ~24 В =24 В, =12 В |
| Мощность | SB285: 6 ВА (АС), 6 Вт (DC) SA11B: 9 ВА (АС), 8 Вт (DC) |
Модификации:
| Модель | Ду, мм | Kv, м³/ч | Присоединение | Pmin , МПа | Pmax , МПа | Вес, г | Катушка |
| AR-553101 GBQ | 0…1,6 | 0,08 | G⅛» | 0 | 1,6 | 120 | SA11B, (SB285) |
| AR-553103 GBQ | 0…2,5 | 0,14 | 0,5 |
| Габаритные размеры |
![]() |
| Вариант |
AR-553101 GBQ ,AR-553103 GBQ |
|---|

