Соленоидный клапан (электромагнитный) AR-5523
Клапан соленоидный миниатюрный нормально закрытый прямого действия с поршнем для управления потоком рабочей среды в трубопроводе
- Рабочая среда: вода, горячая вода, воздух, инертные газы, масла
- Температура рабочей среды: −10…120°С
- Рабочее давление: 0…1 МПа
- Диаметр условного прохода: 2,3 мм
- Материал корпуса: латунь
- Материал уплотнения: VITON
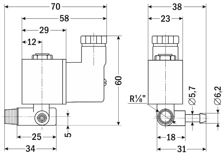
- Присоединение: резьбовое наруж. R⅛», штуцер ∅ 6,2 мм
Цена: по запросу
Клапан AR-5523 соленоидный миниатюрный нормально закрытый прямого действия с поршнем для управления потоком рабочей среды в трубопроводе.
Особенности:
- Срабатывание при нулевом давлении
- Пониженное энергопотребление
- Компактный размер
Принцип действия и область применения:
Нормально закрытый соленоидный клапан – это магнитный клапан, в котором закрытое положение сохраняется, если управляющее напряжение на его индукционную катушку не подается. При подаче напряжения на катушку нормально закрытый клапан открывается и пропускает через себя поток рабочей среды. При отключении управляющего напряжения этот клапан автоматически закрывается и перекрывает поток рабочей среды в трубопроводе. При обрыве провода управляющего напряжения клапан будет закрыт.
В большинстве случаев подходит для эксплуатации в системах водоснабжения, теплоснабжения, вентиляции и пневмоуправления. Особенно актуально применение данного типа клапана, когда клапан должен быть закрыт большую часть времени либо когда он обязательно должен быть закрыт при отключении электропитания системы.
Технические характеристики:
| Параметр | Значение |
| Рабочая среда | Вода, горячая вода, воздух, инертные газы, масла |
| Материал | Корпуса: латунь Уплотнения: VITON |
| Температура рабочей среды | −10…120°С |
| Рабочее давление | 0…1 МПа |
| Диаметр условного прохода | 2,3 мм |
| Присоединение | Резьбовое наруж. R⅛», штуцер ∅ 6,2 мм |
| Катушка | SA11B; IP65 |
| Питание | ~220 В, ~110 В, ~24 В =24 В, =12 В |
| Мощность | 9 ВА (АС), 6 Вт (DC) |
Модификации:
| Модель | Ду, мм | Kv, м³/ч | Присоединение | Pmin , МПа | Pmax , МПа | Вес, кг | Катушка |
| AR-5523 RBV | 2,3 | 0,18 | вход – R⅛», выход – штуцер ∅ 6,2 мм |
0 | 1 | 0,13 | SA11B |
| Габаритные размеры |
![]() |

