Соленоидный клапан (электромагнитный) AR-5515-04
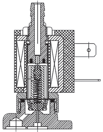
Клапан соленоидный трехходовой 3/2 переключающий прямого действия с поршнем для управления потоком рабочей среды в трубопроводе
- Рабочая среда: вода, горячая вода, воздух, инертные газы, масла
- Температура рабочей среды: −10…120°С
- Рабочее давление: 0…2 MПa
- Диаметр условного прохода: 1…2 мм
- Материал корпуса: латунь
- Материал уплотнения: VITON
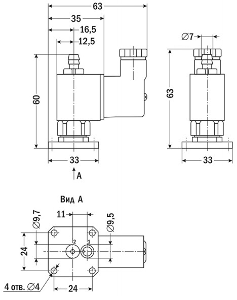
- Присоединение: вход – монтаж на плиту, выход – монтаж на плиту и штуцер ∅ 7,0 мм
Цена: по запросу
Клапан соленоидный трехходовой 3/2 переключающий прямого действия с поршнем AR-5515-04 предназначен для управления потоком рабочей среды в трубопроводе.
Особенности:
- Переключающий клапан
- Срабатывание при нулевом давлении
- Работа при высоком давлении до 2 МПа
- Пониженное энергопотребление
- Компактный размер
Принцип действия и область применения:
Трехходовые соленоидные клапаны устанавливаются на соединении входов нескольких трубопроводов (входы 1, 2 и 3) и позволяют пропускать поток рабочей среды в разных направлениях. К примеру, при отсутствии управляющего напряжения клапан пропускает поток рабочей среды в трубопроводе в направлении 1 → 3, при подаче на катушку клапана управляющего напряжения клапан переключает поток рабочей среды в трубопроводе в направлении 1 → 2. При отключении управляющего напряжения (или обрыве провода управляющего напряжения) клапан автоматически переключается обратно и снова пропускает поток рабочей среды в трубопроводе в направлении 1 → 3.
В большинстве случаев подходит для эксплуатации в системах водоснабжения, теплоснабжения, вентиляции и пневмоуправления.
В случае отсутствия питания на катушке открыт путь 1 → 3, при подаче питания открыт путь 1 → 2.
Технические характеристики:
| Параметр | Значение |
| Рабочая среда | Вода, горячая вода, воздух, инертные газы, масла |
| Материалы | Корпуса: латунь Уплотнения: VITON |
| Температура рабочей среды | −10…120°С |
| Рабочее давление | 0…2 MПa |
| Диаметр условного прохода | 1…2 мм |
| Присоединение | Вход – монтаж на плиту, выход – монтаж на плиту и штуцер ∅ 7,0 мм |
| Катушка | SA11B, IP65 |
| Питание | ~220 В, ~110 В, ~24 В =24 В, =12 В |
| Мощность | 9 ВА (AC), 6 Вт (DC) |
Модификации:
| Модель | Ду, мм | Kv, м³/ч | Присоединение | Pmin, МПа | Pmax, МПа | Катушка | Вес, кг |
| AR-5515-04 FpBV | 1 | 0,25 | вход – монтаж на плиту (отверстие 1), выход – монтаж на плиту (отверстие 2) и штуцер ∅ 7,0 мм |
0,0 | 2,0 | SA11B | 0,13 |
| 1,5 | |||||||
| 2,0 |
| Габаритные размеры |
![]() |


