Соленоидный клапан (электромагнитный) AR-2W21F
Клапан соленоидный нормально закрытый фланцевый прямого действия с диафрагмой для управления потоком рабочей среды в трубопроводе
- Рабочая среда: вода, горячая вода, воздух, инертные газы, масла, спирт
- Температура рабочей среды: −10…120°С
- Рабочее давление: 0…1 МПа
- Диаметр условного прохода: 25…50 мм
- Материал корпуса: нержавеющая сталь
- Материал уплотнения: VITON или EPDM
- Присоединение: фланцевое F1″…F2″
Цена: по запросу
Клапан соленоидный нормально закрытый фланцевый прямого действия с диафрагмой AR-2W21F предназначен для управления потоком рабочей среды в трубопроводе.
Особенности:
- Срабатывание при нулевом давлении
- Высокая частота срабатывания
Принцип действия и область применения:
Нормально закрытый соленоидный клапан – это магнитный клапан, в котором закрытое положение сохраняется, если управляющее напряжение на его индукционную катушку не подается. При подаче напряжения на катушку нормально закрытый клапан открывается и пропускает через себя поток рабочей среды. При отключении управляющего напряжения этот клапан автоматически закрывается и перекрывает поток рабочей среды в трубопроводе. При обрыве провода управляющего напряжения клапан будет закрыт.
В большинстве случаев подходит для эксплуатации в системах водоснабжения, теплоснабжения, вентиляции и пневмоуправления. Особенно актуально применение данного типа клапана, когда клапан должен быть закрыт большую часть времени либо когда он обязательно должен быть закрыт при отключении электропитания системы.
Технические характеристики:
| Параметр | Значение | |
| Рабочая среда | Вода, горячая вода, воздух, инертные газы, масла, спирт | |
| Материал | Корпуса | Нержавеющая сталь |
| Уплотнения | VITON или EPDM | |
| Температура рабочей среды | −10…120°С | |
| Рабочее давление | 0…1 МПа | |
| Диаметр условного прохода | 25…50 мм | |
| Присоединение | Фланцевое F1″…F2″ | |
| Катушка | Ду=25 мм | S51H, IP65 |
| Ду=32…50 мм | SD01H, SB545*, IP65 | |
| Питание | ~220 В, ~110 В, ~24 В =110 В, =24 В, =12 В |
|
| Мощность | S51H | 40 ВА (АС), 30 Вт (DC) |
| SD01H | 35 ВА (АС), 30 Вт (DC) | |
| SB545 | 18 Вт (DC) | |
* Только для =24 В
Модификации:
| Модель | Ду, мм | Kv, м³/ч | Присоединение | Pmin , МПа | Pmax , МПа | Катушка | Вес, кг |
| AR-2W2125 FSX | 25 | 10 | F1″ | 0 | 1 | S51H | 3 |
| AR-2W2132 FSX | 32 | 20 | F1¼» | SD01H, SB545 | 4,85 | ||
| AR-2W2140 FSX | 40 | 25 | F1½» | 5,65 | |||
| AR-2W2150 FSX | 50 | 41 | F2″ | 7,85 |
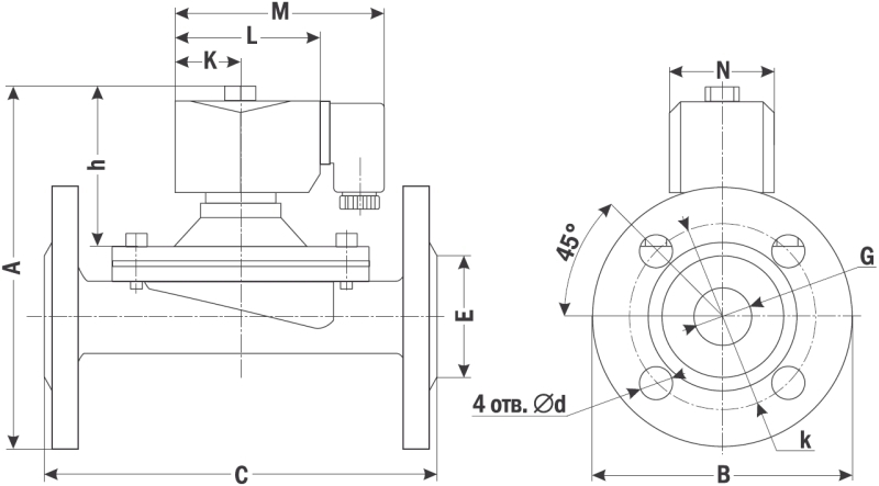
| Габаритные размеры |
![]() |
| Размер, мм | AR-2W2125F | AR-2W2132F | AR-2W2140F | AR-2W2150F |
| A | 145 | 184 | 205 | 220 |
| B | 105 | 132 | 143 | 160 |
| C | 136 | 144 | 155 | 185 |
| E | 62 | 70 | 82 | 98 |
| G | 1″ | 1¼» | 1½» | 2″ |
| K | 28 | 33 | 33 | 33 |
| L | 62 | 74 | 74 | 74 |
| M | 90 | 102 | 102 | 120 |
| N | 46 | 56 | 56 | 56 |
| d | 14 | 18 | 18 | 18 |
| k | 84 | 102 | 110 | 125 |
| h | 65 | 90 | 90 | 95 |
| Вариант |
AR-2W2125 FSX ,AR-2W2132 FSX ,AR-2W2140 FSX ,AR-2W2150 FSX |
|---|

