Соленоидный клапан (электромагнитный) AR-2W12F
Клапан соленоидный нормально открытый фланцевый прямого действия с диафрагмой для управления потоком рабочей среды в трубопроводе
- Рабочая среда: вода, горячая вода, воздух, инертные газы, масла, спирт
- Температура рабочей среды: −10…120°С
- Рабочее давление: 0…1 МПа
- Диаметр условного прохода: 25…50 мм
- Материал корпуса: нержавеющая сталь
- Материал уплотнения: VITON или EPDM
- Присоединение: фланцевое F1″… F2″
Цена: по запросу
Отправьте заявку
0
людей смотрят этот товар прямо сейчас
Клапан соленоидный нормально открытый фланцевый прямого действия с диафрагмой AR-2W12F предназначен для управления потоком рабочей среды в трубопроводе.
Особенности:
- Cрабатывание при нулевом давлении
- Высокая частота срабатывания
Принцип действия и область применения:
Нормально открытый соленоидный клапан – это клапан, который при отсутствии напряжения на его индукционной катушке открыт для потока рабочей среды через него. При подаче напряжения на катушку магнитный клапан этого типа закрывается и остается закрытым все время, пока напряжение подается на катушку. При обрыве провода управляющего напряжения клапан будет открыт.
В большинстве случаев подходит для эксплуатации в системах водоснабжения, теплоснабжения, вентиляции и пневмоуправления. Особенно актуально применение данного типа клапана, когда клапан должен быть открыт большую часть времени либо когда он обязательно должен быть открыт при отключении электропитания системы.
Технические характеристики:
| Параметр | Значение |
| Рабочая среда | Вода, горячая вода, воздух, инертные газы, масла, спирт |
| Материал | Корпуса: нержавеющая сталь Уплотнения: VITON или EPDM |
| Температура рабочей среды | −10…120°С Для рабочих сред при температуре от −10 до +5°С предпочтительнее выбирать EPDM |
| Рабочее давление | 0…1 МПа |
| Диаметр условного прохода | 25…50 мм |
| Присоединение | Фланцевое F1″… F2″ |
| Катушка | S51H, IP65 (Ду=25 мм) Y21H, Y71H; IP65 (Ду=32…50 мм) |
| Питание | ~220 В, ~110 В, ~24 В =24 В, =12 В , =6 В |
| Мощность | S51H: 40 ВА (АС), 30 Вт (DC) Y21H, Y71H: 28 ВА (АС), 20 Вт (DC) |
* Только для катушки Y21H
Модификации:
| Модель | Ду, мм | Kv, м³/ч | Присоединение | Pmin , МПа | Pmax , МПа | Катушка | Вес, кг |
| AR-2W1225 FSZ | 25 | 10 | F1″ | 0 | 1 | S51H | 3,8 |
| AR-2W1232 FSZ | 32 | 20 | F1¼» | Y21H, Y71H | 4,8 | ||
| AR-2W1240 FSZ | 40 | 25 | F1½» | 5,8 | |||
| AR-2W1250 FSZ | 50 | 41 | F2″ | 6,8 |
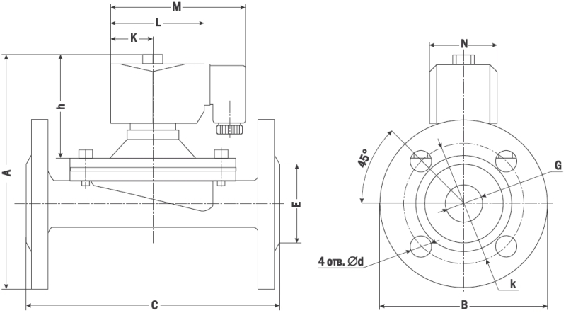
| Габаритные размеры |
![]() |
| Размер, мм | AR-2W1225F | AR-2W1232F | AR-2W1240F | AR-2W1250F |
| A | 165 | 200 | 205 | 235 |
| B | 108 | 132 | 140 | 160 |
| C | 138 | 146 | 153 | 182 |
| E | 59 | 72 | 77 | 98 |
| G | 1″ | 1¼» | 1½» | 2″ |
| K | 25 | 28 | 28 | 28 |
| L | 62 | 56 | 56 | 56 |
| M | 90 | 95 | 95 | 95 |
| N | 46 | 56 | 56 | 56 |
| d | 13,5 | 18 | 18 | 18 |
| k | 84,5 | 100 | 110 | 125 |
| h | 85 | 100 | 105 | 95 |
| Вариант |
AR-2W1225 FSZ ,AR-2W1232 FSZ ,AR-2W1240 FSZ ,AR-2W1250 FSZ |
|---|

