Реле перепада давления ДР-ДД-Т
Реле ДР-ДД-Т предназначен для сигнализации о достижении перепадом давления воздуха заданного значения.
Аналог DPS
Цена: по запросу
Отправьте заявку
0
людей смотрят этот товар прямо сейчас
Прибор для сигнализации о достижении перепадом давления воздуха заданного значения
- Рабочая среда: воздух
- Диапазон регулируемого давления: 0,02…4 кПа
- Максимальное давление: 10 кПа
- Дифференциал: 0,01…0,25
- Аналог DPS
- Реле: ~1 А, 250 В
- Кабельное присоединение: PG-11
- Присоединение труб: 2 трубки ∅ 6 мм
Особенности:
- Может применяться для сигнализации об аварийно низком или высоком перепаде давления в системе
- Может применяться для контроля засоренности воздушных фильтров
- Может применяться для контроля работоспособности вентиляторов
- Настройка перепада давления
- Высокий ресурс реле: 106 срабатываний
- Гибкая трубка длиной 1,2 м и пластиковые соединители для воздуховодов в комплекте
Технические характеристики
| Параметр | Значение |
| Рабочая среда | Воздух |
| Температура рабочей среды | −20…85°C |
| Реле | ~1 А, 250 В |
| Кабельное присоединение | PG-11 |
| Присоединение воздуховодов | 2 трубки ∅ 6 мм |
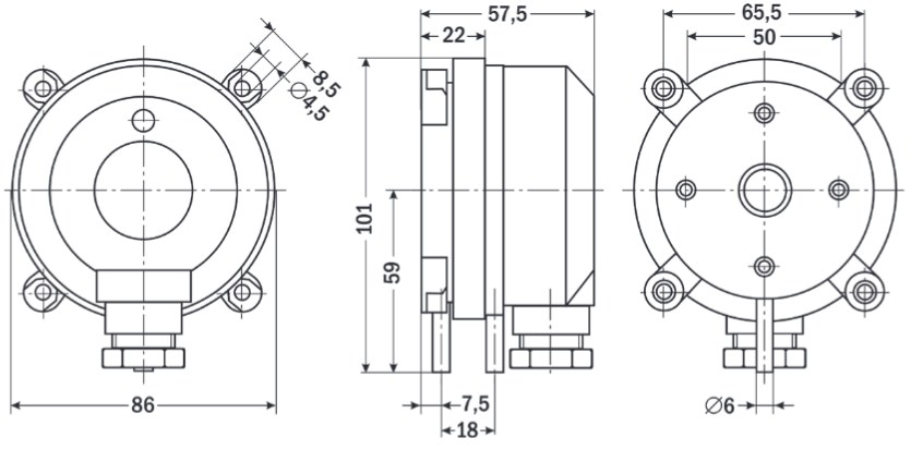
| Габаритные размеры | 101×86×57,5 мм |
| Вес | 150 г |
Модификации
| Модель | Диапазон, кПа | Дифференциал, кПа | Pmax, кПа |
| ДР-ДД-Т-80 | 0,02…0,2 | 0,01 | 10 |
| ДР-ДД-Т-82 | 0,03…0,3 | 0,02 | |
| ДР-ДД-Т-83 | 0,05…0,5 | 0,02 | |
| ДР-ДД-Т-85 | 0,2…1,0 | 0,1 | |
| ДР-ДД-Т-86 | 0,5…2,5 | 0,15 | |
| ДР-ДД-Т-87 | 1,0…4,0 | 0,25 |
Габаритные размеры
Купить реле перепада давления в Перми можно в компании БРИКО Автоматик.
| Вариант |
ДР-ДД-Т-80 ,ДР-ДД-Т-82 ,ДР-ДД-Т-83 ,ДР-ДД-Т-85 ,ДР-ДД-Т-86 ,ДР-ДД-Т-87 |
|---|---|
| Бренд |

