Регуляторы трехпозиционные ТРИД РК124
Приборы серии ТРИД РК предназначены для измерения и регулирования температуры или другого технологического параметра (давления, расхода) и управление клапанами и задвижками.
Цена: по запросу
Регуляторы ТРИД РК применяются в системах технологического контроля в различных отраслях промышленности, коммунального и сельского хозяйства, в химическом и нефтехимическом оборудовании, в сушильных шкафах, в пропарочных камерах при производстве железобетонных изделий.
- УНИВЕРСАЛЬНЫЙ ВХОД для подключения любых распространенных типов датчиков
- Предупредительная и аварийная СИГНАЛИЗАЦИЯ
- СЪЕМНАЯ КЛЕММНАЯ КОЛОДКА обеспечивает удобство подключения датчиков
- ПОДКЛЮЧЕНИЕ К ПК через интерфейс RS485, протокол обмена данных Modbus RTU/ASCII
- Двухстрочный цифровой ДИСПЛЕЙ одновременно отображает фактическое и заданное значение измеряемого параметра.
ОСНОВНЫЕ РЕЖИМЫ РАБОТЫ
- контроль значения измеряемой величины над заданным предельным значением;
- контроль значения измеряемой величины ниже заданного предельного значения;
- контроль значения измеряемой величины за пределы заданного диапазона.
ФУНКЦИОНАЛЬНЫЕ ВОЗМОЖНОСТИ
- Расширенная система обработки аварийных ситуаций и контроля технологических параметров;
- Цифровая фильтрация входного сигнала для уменьшения влияния помех;
- Линейное масштабирование входной величины для возможности использования датчиков различного типа;
- Контроль обрыва датчиков температуры, контроль короткого замыкания термосопротивления;
- Ограничение доступа к параметрам настройки;
- Цифровой дисплей с четырьмя окнами светодиодной индикации(высота символов 10мм) позволяет одновременно видеть показания с каждого канала;
- Интерфейс RS485, реализация протоколов Modbus RTU/ASCII (по выбору пользователя) для возможности подключения к компьютеру или интеграции в существующие системы автоматизации предприятий;
- Заданные пользователем настройки прибора сохраняются в энергозависимой памяти прибора.
Технические характеристики
| Номинальное напряжение питания | ~220 В, 50 Гц |
| Допустимое напряжение питания | от 187 до 242 В |
| Потребляемая мощность, не более | 10 Вт |
| Класс точности | 0,25 |
| Диапазон измеряемых температур | от минус 270 до +2500 °С |
| Компенсация температуры холодных спаев |
автоматическая/ ручной режим |
| Компенсация сопротивления проводов при использовании термосопротивлений |
по двухпроводной/ трехпроводной схеме |
| Разрешение по температуре | 0,1 или 1 °С |
| Время опроса, с (на канал) | 0,25-0,5 |
| Интерфейс для связи с компьютером | RS 485 |
| Относительная влажность воздуха | 5…90 %, без конденсации влаги |
| Степень пылевлагозащищенности | IP54 |
| Материал корпуса | металл (дюраль) |
| Тип монтажа | щитовой |
| Габаритные размеры | 96х96х110 мм |
| Рабочий диапазон температур | от минус 20 до +50 °С |
| Номер в Госреестре СИ | RU.C.34.004.A №42083 |
Функциональная схема

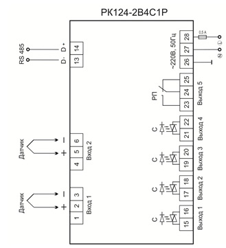
Схема подключения

Купить регуляторы трехпозиционные в Перми можно в компании БРИКО Автоматик.
| Бренд |
|---|


