Оптоволоконные кабели серии OF
Оптоволоконные кабели KIPPRIBOR серии OF предназначены для подключения к оптоволоконным усилителям серии OF65. Кабель является средством передачи оптического сигнала между усилителем и зоной контроля. Серия OF включает в себя два типа кабелей: на отражение и на пересечение луча. На концах кабелей установлены головки для монтажа. Оптоволоконные кабели имеют большой ресурс работы, незначительное для работы затухание сигнала.
Цена: по запросу
Датчики, построенные на основе оптоволоконных кабелей, не имеют непосредственного контакта с объектом контроля и применяются на производственных линиях, в станках и аппаратах.
Технические характеристики оптоволоконных кабелей серии OF:
| Параметр | Значение | |||
| Модификация | OFM4-TR0015.2M | OFM4-DR0002.2M | OFM6-TR0020.2M | OFM6-DR0006.2M |
| Тип кабеля | На пересечение | На отражение | На пересечение | На отражение |
| Размер установочной головки | М4 | М4 | М6*0,75 | М6*0,75 |
| Диаметр кабеля | 2,2 мм | 1 мм | 2,2 мм | 2,2 мм |
| Минимальный радиус изгиба | 25 мм | |||
| Температура эксплуатации | -10…+50°С (без конденсации влаги) | |||
| Длина кабеля | 2 м | |||
Модификации оптоволоконных кабелей серии OF:
| Модификация | Тип кабеля | Номинальное расст. срабатывания, Sn* | Минимальный размер объекта | Совместимость с оптоволоконными усилителями | |
| OF65-UR000FN3.U5.K OF65-UR000FP3.U5.K |
OF65-UR000FN3.U5.K.D OF65-UR000FP3.U5.K.D |
||||
| OFM4-TR0015.2M | На пересечение луча | 150 мм | 4 мм | Да | Да |
| OFM4-DR0002.2M | На отражение | 20 мм | Нет | Нет | |
| OFM6-TR0020.2M | На пересечение луча | 200 мм | Да | Да | |
| OFM6-DR0006.2M | На отражение | 65 мм | Да | Да | |
*Sn – расстояние срабатывания конкретного кабеля, измеренное при номинальных значениях температуры, напряжения питания усилителя и определенных условиях монтажа. Реальное расстояние срабаты-вания может значительно отличаться от номинального в зависимости от условий эксплуатации и свойств контролируемых объектов.
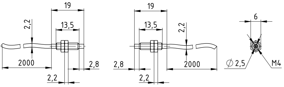
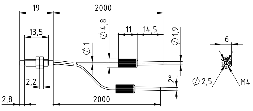
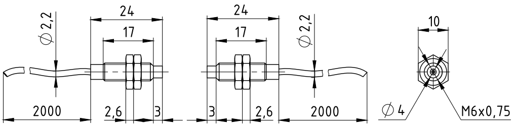
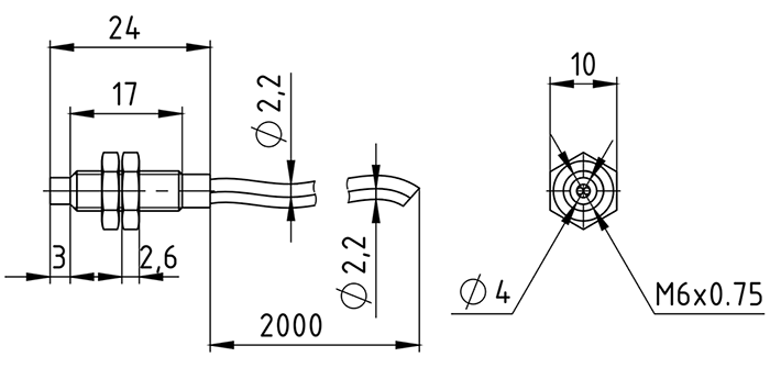
Габаритные размеры оптоволоконных кабелей серии OF:
| OFM4-TR0015.2M |
![]() |
| OFM4-DR0002.2M |
![]() |
| OFM6-TR0020.2M |
![]() |
| OFM6-DR0006.2M |
![]() |
Конструктивные особенности оптоволоконных кабелей серии OF:
Поставка оптоволоконных кабелей осуществляется в состоянии, готовом к эксплуатации. Однако, если возникает необходимость подрезки кабеля, следует пользоваться специальным инструментом.
ВНИМАНИЕ!
- При монтаже кабелей будьте предельно аккуратны. Изгиб кабелей с радиусом меньше минимального, заломы, деформации могут привести к выходу кабеля из строя!
- На концы кабелей OFM4-DR0002.2M установлены наконечники для подключения к слотам усилителя. На кабелях этой модификации подрезка не может быть выполнена.
Обозначение при заказе оптоволоконных кабелей серии OF:
Например: OF65-UR000FN3.U5.K.D
Вы заказали: Оптоволоконный кабель с установленной головкой с резьбой М6, диффузным типом детектирования, с номинальным расстоянием срабатывания 65 мм, длина кабеля 2 метра.
| Вариант |
OFM4-TR0015.2M ,OFM4-DR0002.2M ,OFM6-TR0020.2M ,OFM6-DR0006.2M |
|---|---|
| Бренд |





