МВ110-224.16Д Модуль дискретного ввода
Модули предназначены для сбора данных со встроенных дискретных входов и передачи их в сеть RS-485.
Цена: по запросу
|
Коммуникационные возможности |
|
|
Интерфейс |
RS-485 |
|
Поддерживаемые протоколы |
Modbus RTU Modbus ASCII ОВЕН DCON |
|
Скорость обмена по RS-485 |
2400…115200 бит/с |
Особенности
- Встроенные входы могут работать в режиме счетчика импульсов частотой до 1 кГц
- Автоматическое определение протокола (только для МВ110-8ДФ)
- Съемные клеммники с невыпадающими винтами
- Универсальное питание (=24 В или ~230 В)
- Обновление встроенного программного обеспечения по RS-485
- Поддержка облачного сервиса OwenCloud (при использовании сетевого шлюза ПМ210)
Конфигурирование
Конфигурирование модулей Мx110 осуществляется на ПК через адаптер интерфейса RS-485/RS-232 или RS-485/USB (например, ОВЕН АСЗ-М или ОВЕН АС4, соответственно) с помощью программы «Конфигуратор М110», входящей в комплект поставки.
Технические характеристики
|
Модификация |
МВ110-224.16Д |
МВ110-224.16ДН |
МВ110-24/220.32ДН |
МВ110-224.8ДФ |
|
|
![]() |
![]() |
![]() |
![]() |
|
Входы |
||||
|
Количество входов |
16 DI |
16 DI |
32 DI |
8 DI |
|
Типы поддерживаемых сигналов |
|
|
сигнал ~230 В или =230 В |
|
|
Характеристики дискретных входов (DI) |
||||
|
Гальваническая развязка входов |
– |
групповая (по 4 входа) |
поканальная |
|
|
Электрическая прочность изоляции |
– |
1500 В |
||
|
Макс. частота входного сигнала |
1 кГц |
– |
||
|
Мин. длительность входного сигнала |
0,5 мс (скважность 2 для частоты 1 кГц) |
– |
||
|
Напряжение питания входов (внешний источник) |
24 ±3 В для транзисторных ключей Для «сухих контактов» питание не требуется! |
24 ±3 В |
– |
|
|
Макс. входной ток |
не более 7 мА |
не более 8,5 мА (при напряжении входа =27 В) |
– |
|
|
Суммарное сопротивление внешнего контакта и линии подключения |
не более 100 Ом |
– |
||
|
Ток «логической единицы» |
не менее 4 мА |
не менее 4,5 мА |
не менее 0,3 мА |
|
|
Ток «логического нуля» |
не более 0,7 мА |
не более 1,5 мА |
не более 0,1 мА |
|
|
Напряжение «логической единицы» |
– |
– |
не менее ~110 В (частотой от 47 до 63 Гц) или =110 В (постоянное) |
|
|
Напряжение «логического нуля» |
– |
– |
не более ~20 В (частотой от 47 до 63 Гц) или =15 (постоянное) |
|
|
Питание |
||||
|
Тип питания |
универсальное ~230 В/=24 В |
универсальное ~230 В/=24 В |
зависит от модификации |
универсальное ~230 В/=24 В |
|
Напряжение питания |
переменное: ~90…264 В (номинальное ~230 В) частотой 47…63 Гц или постоянное: =18…30 В (номинальное =24 В) |
МВ110-220.32ДН: ~90…264 В (номинальное ~230 В) частотой 47…63 Гц МВ110-24.32ДН: =18…30 В (номинальное =24 В) |
переменное: ~90…264 В (номинальное ~230 В) частотой 47…63 Гц или постоянное: =18…30 В (номинальное =24 В) |
|
|
Потребляемая мощность |
не более 6 ВА |
не более 40 ВА |
не более 6 ВА |
|
|
Конструктивное исполнение |
||||
|
Габаритные размеры |
(63×110×75) ±1 мм |
(140×114×75) ±1 мм |
(63×110×75) ±1 мм |
|
|
Степень защиты |
IP20 |
|||
|
Монтаж |
на DIN-рейку / на стену |
|||
|
Условия эксплуатации |
||||
|
Температура окружающего воздуха |
-10…+55 °С |
|||
|
Относительная влажность воздуха (при +25 °С и ниже без конденсации влаги) |
не более 80 % |
|||
|
Комплектность |
||||
|
Модуль |
1 шт. |
|||
|
Паспорт / Гарантийный талон |
1 экз. |
|||
|
Краткое руководство по эксплуатации |
1 экз. |
|||
Схемы подключения
|
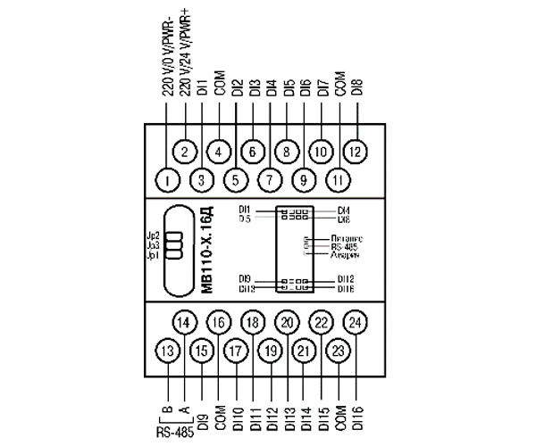
МВ110-224.16Д |
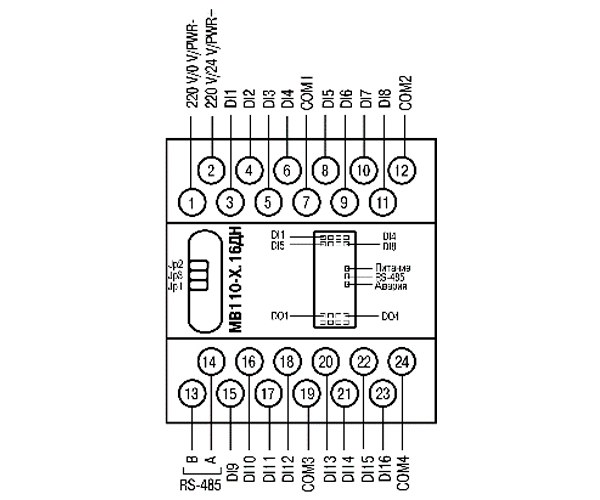
МВ110-224.16ДН |
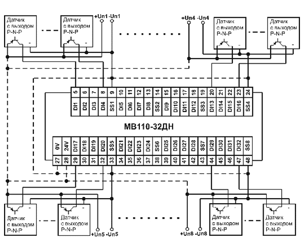
МВ110-24/220.32ДН |
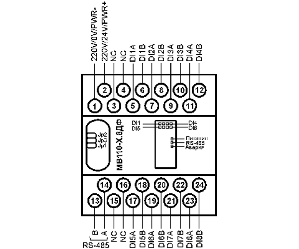
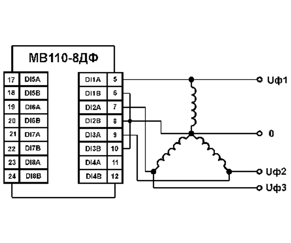
МВ110-224.8ДФ |
|
Общий чертеж |
|||
![]() |
![]() |
![]() |
![]() |
|
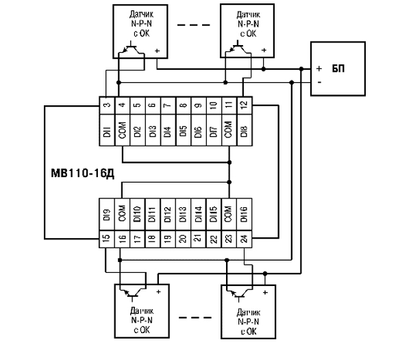
Схема подключения дискретных датчиков с выходом типа «сухой контакт» |
|||
![]() |
![]() |
![]() |
– |
|
Схема подключения трехпроводных дискретных датчиков, имеющих выходной транзистор n-p-n типа с открытым коллектором |
|||
![]() |
![]() |
![]() |
– |
|
Схема подключения трехпроводных дискретных датчиков, имеющих выходной транзистор p-n-p типа |
|||
|
– |
![]() |
![]() |
– |
|
Схема подключения сигналов переменного напряжения ~230 В |
|||
|
– |
– |
– |
![]() |
|
Схема подключения сигналов постоянного напряжения =230 В |
|||
|
– |
– |
– |
![]() |
|
Схема подключения трехфазного двигателя (пример контроля обрыва питающих фаз) |
|||
|
– |
– |
– |
![]() |



















