МО, ВО, Манометры и вакуумметры образцовые с условными шкалами
Манометры и вакуумметры – ВО-11201, ВО-1227, МО-11201, МО-1227, МО-11202, МО-11203, МО-1226 – образцовые с условными шкалами.
Цена: по запросу
Манометры и вакуумметры купить в Перми
Манометры и вакуумметры – ВО-11201, ВО-1227, МО-11201, МО-1227, МО-11202, МО-11203, МО-1226 – образцовые с условными шкалами.
Назначение
Манометры и вакуумметры образцовые с условными шкалами типов МО и ВО предназначены для проверки и калибровки рабочих манометров, вакуумметров и мановакуумметров, а также преобразователей, датчиков давления и разности давлений.
Приборы предназначены для работы в условиях нормированных для вида климатического исполнения УХЛ4.2*
Изготавливаются для российской промышленности и для поставок на экспорт, в том числе для тропического климата.
Внесены в Государственный реестр средств измерений.
По своей точности и качеству приборы являются уникальными.
Аналогов в России нет.
Технические параметры МО и ВО
| Диапазон давления | |
| Диапазон измерения давления, MРa | -0,1 … 60 |
| Шкалы приборов | |
| для класса точности 0,4 (делений) | 250 |
| для класса точности 0,15 и 0,25 (делений) | 400 |
| Цена деления (у.ед.)* | 1 |
| Температурный диапазон | |
| Климатическое исполнение стандартное (°C) | + 5…+ 40 |
| Относительная влажность окружающего воздуха (% при 25°C) | 80 |
| Исполнение для тропического климата (маркировка) | О4.2 |
| Технические условия | |
| Технические условия (ТУ) | 25-05-1664-74 |
| Штуцер | М20х1,5 |
| Масса | |
| для класса точности 0,4 (не более кг.) | 1,8 |
| для класса точности 0,15 и 0,25 (не более кг.) | 5,5 |
| Сервис | |
| Гарантийный срок эксплуатации, месяц | 36 |
| Гарантийный срок хранения, месяц | 6 |
| Межповерочный интервал, месяц | 12 |
| * По отдельному заказу приборы изготавливаются с именной шкалой в конкретных физических величинах. | |
Таблица верхних пределов измерений МО и ВО
| Тип (наименование прибора) | Модель | Верхний предел измерений, Мпа (кгс/м2) | Класс точности |
| МО (манометр) |
11201 | 0,1 (1) | 0,4* |
| 11202 | 0,16; 0,25; 0,4; 0,6; 1; 1,6; 2,5; 4; 6 (1,6; 2,5; 4; 6; 10; 16; 25; 40; 60) | ||
| 11203 | 10; 16; 25; 40; 60; (100; 160; 250; 400; 600) | ||
| ВО (вакуумметр) |
11201 | — 0,1 (-1) | 0,4* |
| МО (манометр) |
1227 | 0,1; 0,16; 0,25; 0,4; 0,6; 1,0; 1,6; 2,5 (1; 1,6; 2,5; 4; 6; 10; 16; 25) | 0,15; 0,25 |
| 1226 | 4; 6; 10; 16; 25; 40; 60 (40; 60; 100; 160; 250; 400; 600) | ||
| ВО (вакуумметр) |
1227 | — 0,1 (-1) | 0,25 |
* — Возможность дополнительно поставки специальных стойки и футляра
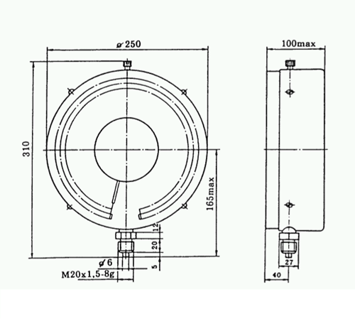
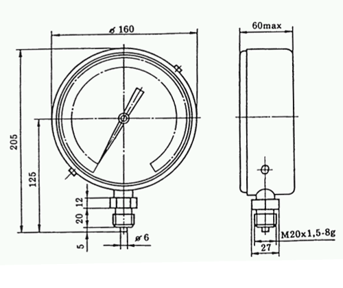
Чертежи МО и ВО
![]() |
![]() |
| Габаритные размеры приборов типов МО и ВО классов точности 0,15 и 0,25 |
Габаритные размеры приборов типов МО и ВО класса точности 0,4 |
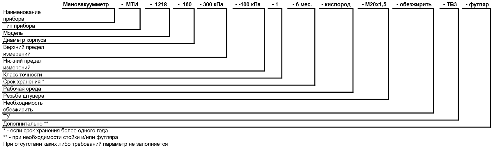
Схема заказа прибора МО и ВО
Купить манометры и вакуумметры образцовые с условными шкалами МО и ВО в Перми можно в компании БРИКО Автоматик.
| Бренд |
|---|



