Миниатюрный поплавковый выключатель ПДУ-Ф501-45
Миниатюрный поплавковый выключатель ПДУ-Ф501-45 предназначен для регулирования уровня жидкости в резервуаре, защиты насоса от сухого хода, автоматизации процесса наполнения/осушения резервуара
Цена: по запросу
Отправьте заявку
0
людей смотрят этот товар прямо сейчас
Прибор для регулирования уровня жидкости в резервуаре, защиты насоса от сухого хода, автоматизации процесса наполнения/осушения резервуара
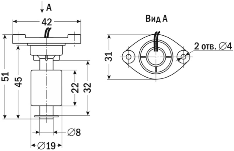
- Длина погружной части: 45 мм
- Диаметр поплавка: 19 мм
- Максимальная коммутируемая мощность: 50 Вт
- Максимальный коммутируемый ток: ≅0,5 А (при ≅24 В)
- Максимальное коммутируемое напряжение: ≅220 В
- Рабочее давление: 0,5 МПа
- Рабочая температура: −10…70°С
- Присоединение: фланцевое с помощью винтов М4
- Длина проводов: 360 мм
- Рабочее положение: вертикальное
- Крепление: вертикальное
- Материал корпуса: нейлон
Особенности: Фланцевое крепление с помощью винтов М4
Технические характеристики
| Параметр | Значение |
| Рабочее положение | Вертикальное |
| Крепление | Вертикальное |
| Количество уровней | 1 |
| Материал корпуса | Нейлон |
| Рабочая температура | −10…70°С |
| Максимальное рабочее давление | 0,5 МПа |
| Максимальная коммутируемая мощность | 50 Вт |
| Максимальный коммутируемый ток | ≅0,5 А (при ≅24 В) |
| Максимальное коммутируемое напряжение | ≅220 В |
| Длина проводов | 360 мм |
| Присоединение | Фланцевое с помощью винтов М4 |
| Диаметр поплавка | 19 мм |
| Длина погружной части | 45 мм |
| Габаритные размеры | 42×30×51 мм |
| Вес | 14 г |
Габаритные размеры
Купить миниатюрный поплавковый выключатель в Перми можно в компании БРИКО Автоматик.
| Бренд |
|---|

