Манометры коррозионностойкие виброустойчивые, с защитой от перегрузки
Тип ТМ (ТВ, ТМВ), серия 21, Пх2,5. Промышленные манометры, устойчивые к воздействию агрессивных измеряемых сред, с возможностью гидрозаполнения (виброустойчивый), для использования в местах с повышенной вибрацией и пульсацией, в случаях, когда возможны кратковременные перегрузки не превышающие 250% от верхнего предела измерений.
Цена: по запросу
При измерении давления с высокими динамическими нагрузками, прибор необходимо заполнить глицерином или силиконом.
Прибор поставляется «сухой» (готовый к гидрозаполнению) или заполненный глицерином (силиконом) по требованию заказчика.
Область применения: для предприятий с повышенными требованиями к безопасности.
| Диаметр корпуса | 100 мм |
| Класс точности | 1,0 |
| Диапазон показаний давлений | ТМ: 0…0,06 / 0,1 / 0,16 / 0,25 / 0,4 / 0,6 / 1 / 1,6 / 2,5 / 4 |
| Диапазон рабочих температур, °C | Окружающая среда: −20…+60 °C (глицерин ПК-94) −60…+60 °C (силикон ПМС-50) −60…+60 °C (без заполнения) Измеряемая среда: −30…+200 °C (без заполнения) −30…+100 °C (с заполнением) |
| Рабочие диапазоны | Постоянная нагрузка: ¾ шкалы Переменная нагрузка: ⅔ шкалы Кратковременная нагрузка: 250% шкалы |
| Корпус | Сплошная перегородка, вышибная задняя стенка, IP65, нержавеющая сталь 08Х17Н13М2 |
| Кольцо | Нержавеющая сталь 08Х17Н13М2 Байонетное |
| Штуцер, чувствительный элемент, трибко-секторный механизм | Нержавеющая сталь 08Х17Н13М2 |
| Циферблат | Алюминий, шкала черная на белом фоне |
| Стрелка | Опционально: с корректором нуля |
| Стекло | Минеральное многослойное безопасное |
| Присоединение | Радиальное |
| Резьба присоединения | G½, M20×1,5 |
| Техническая документация | ТУ 4212-001-4719015564-2008 ГОСТ 2405-88 |
Манометры ТМ серии 21
| Тип | Диаметр корпуса | Класс точности | Диапазон показаний давлений, МПа | Подключение | |
|---|---|---|---|---|---|
| Резьба | Штуцер | ||||
| ТМ-521 | 100 | 1 | 0…0,06 / 0,1 / 0,16 / 0,25 / 0,4 / 0,6 / 1 / 1,6 / 2,5 / 4 | М20×1,5 или G½ | радиальный |
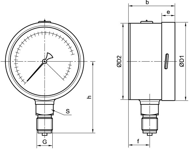
Чертежи
Основные размеры (мм), вес (кг), объём (мл)
| Ø | D1 | D2 | b | e | h | f | S | Вес | Вес с заполнением | Объем заполняющей жидкости |
| 100 | 101 | 100 | 65 | 16 | 90 | 31 | 22 | 0,62 | 0,99 | 370 |
Монтаж и эксплуатация
Прибор следует нагружать давлением постепенно и не допускать резких скачков давления; не превышать диапазон измерений. Запрещается использовать растворители и абразивы для очистки стекол.
Прибор необходимо исключить из эксплуатации и сдать в ремонт в случае, если: прибор не работает; стекло разбито или повреждено; стрелка движется скачками или не возвращается к нулевой отметке; погрешность показаний превышает допустимое значение. При отсутствии давления стрелка должна находиться в пределах участка нулевой отметки. Отклонение стрелки за пределы этого участка свидетельствует о неисправности прибора.
Монтаж/демонтаж производить при отсутствии давления в трубопроводе. Прибор должен быть установлен либо в нормальном рабочем положении (положение прибора с вертикальным расположением циферблата (допускаемое отклонение ±5° в любую сторону)), либо в соответствии со знаком рабочего положения, указанном на циферблате. При монтаже вращать прибор разрешается только за штуцер с помощью гаечного ключа. Прикладывать усилие к корпусу прибора запрещается. Крутящий момент при монтаже не должен превышать 20 Н∙м. Подвод давления осуществляется трубопроводами с внутренним диаметром не менее 3 мм.
При измерении давления среды с температурой, превышающей допускаемую рабочую температуру, необходимо устанавливать перед прибором петлевую трубку. Также петлевая трубка может устанавливаться для защиты манометра от воздействия пульсаций измеряемой среды и уменьшения влияния температуры среды на точность показаний манометра.
Типовой узел отбора для подключения манометра состоит из приварной бобышки с площадкой под уплотнительную прокладку (БП-
Для манометров с возможность гидрозаполнения после монтажа необходимо срезать специальный выступ на пробке прибора. Для пробок с клапаном или краником — открыть клапан или краник.



