КМЧ, комплект монтажных частей, вентильный блок, демпфер
Для подключения и крепления датчиков давления типа ДДМ, ДДМ-03, ДДМ-03-МИ, выносных модулей для многофункциональных приборов ПРОМА-ИДМ(В)
Цена: по запросу
Назначение:
Для подключения и крепления датчиков давления типа ДДМ, ДДМ-03, ДДМ-03-МИ, выносных модулей для многофункциональных приборов ПРОМА-ИДМ(В)
КМЧ-1. Назначение — подключение дифференциальных датчиков ПРОМА-ИДМ-ДД-Р, ПРОМА-ИДМ-ДД-В (выносной датчик) ДДМ-03-ДД или ДДМ-03-МИ-ДД (только газ) к трубопроводу при рабочих давлениях до 1 кГс/см2 (см. РЭ) без применения вентильного блока. В других случаях применять вентильный блок обязательно. Применяется по 2 гайки и 2 штуцера на один датчик.
КМЧ-2. Назначение — подключение датчика ДДМ-03-МИ – модели ДИ, ДВ, ДИВ и обеспечение установки под любым удобным углом визирования от 0 до 360 на трубопроводе с помощью переходника М20В/М20Н.
КМЧ-3. Назначение — крепление 3-х вентильных блоков на объекте.
КМЧ-102ДД. Назначение — соединение вентильного блока и Датчика перепада давления.
Вентильный блок. Назначение — монтаж датчиков разности давлений и коммутации импульсных линий в системах автоматизации технологических процессов.
Демпфер. Назначение — защита чувствительного элемента датчика давления, например ДДМ-03, от воздействия гидроударов или пульсаций измеряемых сред. Рабочая среда – газ, жидкость
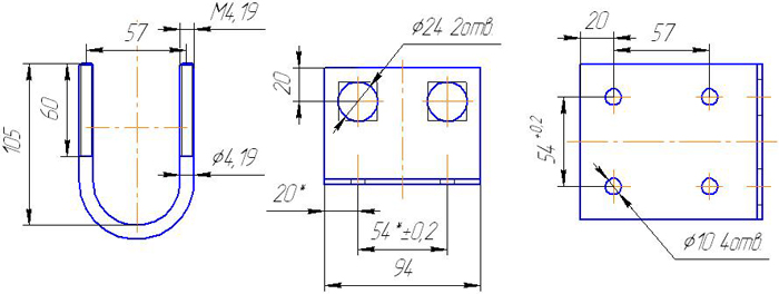
Габаритные и установочные размеры
![]() |
![]() |
![]() |
![]() |
![]() |
![]() |
![]() |
|
| Бренд |
|---|







