Калорифер RC 016
Калорифер RC 016 предназначен для обогрева электрооборудования в закрытых электрошкафах, щитах управления и клеммных коробках, где не допускается падение температуры ниже минимального значения и образование конденсата
Цена: по запросу
Отправьте заявку
0
людей смотрят этот товар прямо сейчас
Прибор для обогрева электрооборудования в закрытых электрошкафах, щитах управления и клеммных коробках, где не допускается падение температуры ниже минимального значения и образование конденсата
- Мощность нагрева: 8 Вт, 10 Вт, 13 Вт
- Максимальная температура поверхности: 150°С, 155°С, 170°С
- Защита: IP54
- Монтаж: настенный
Особенности:
- Подключение через внешний термостат
- Любое монтажное положение
- Компактные размеры
Технические характеристики
| Параметр | Значение | ||
| Мощность нагрева | 8 Вт | 10 Вт | 13 Вт |
| Максимальный пусковой ток | 2 А | 2,5 А | 3 А |
| Рекомендуемый входной предохранитель | 2 А | 4 А | 4 А |
| Максимальная температура поверхности | 150°С | 155°С | 170°С |
| Питание | ≅120…240 В | ||
| Нагревательный элемент | Позистор (PTC) – ограничивающий температуру | ||
| Корпус | Алюминиевый профиль, анодированный | ||
| Монтаж | 2 отв. ∅ 3,2 мм | 2 отв. ∅ 4,5 мм | |
| Подключение | 2 × AWG 18, многожильный провод | 2 × AWG 22, экранированный провод (силикон) | 2 × AWG 22, экранированный провод (силикон) |
| Условия эксплуатации и хранения | −45… 70°С, ≤ 90%RH (без образования конденсата) | ||
| Степень защиты/класс защиты | IP54 / II (с двойной изоляцией) | ||
| Допуски | VDE, UL File No. E150057 (в соответствии с UL508A, NITW файл по запросу), EAC | ||
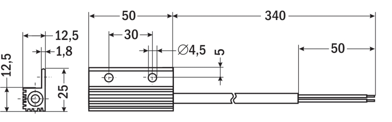
| Габаритные размеры | 30×25×12,5 мм | 50×25×12,5 мм | 60×25×12,5 мм |
| Вес | 20 г | 30 г | 40 г |
Габаритные размеры
![]() |
| 8 Вт |
![]() |
| 10 Вт |
![]() |
| 13 Вт |
Купить калорифер в Перми можно в компании БРИКО Автоматик.
| Бренд |
|---|



