Источники питания на монтажную панель SB-P-35-24 (35Вт, 24В)
Преобразователь напряжения (источник питания стабилизированный) SB-P-35-24.
Выходное напряжение источников питания: 24 В пост. ток
Цена: по запросу
Отправьте заявку
0
людей смотрят этот товар прямо сейчас
Технические характеристики
| Входное напряжение: | 220В AC 50Гц +/-15% (110В AC 50Гц +/-15% устанавливается переключателем на печатной плате) |
| Входной ток: | 0,45А/220В АС (0,8А/110В АС) |
| Механическая подстройка выходного напряжения: | +/-10% |
| Количество выходов: | 1 |
| Комплекс защит от: | короткого замыкания; перегрузки; перенапряжения |
| Рабочая температура и влажность: | -10…+50 C; 20-90% относительной влажности (без образования конденсата) |
| Температура и влажность при хранении: | -20…+85 C; 20-95% относительной влажности (без образования конденсата) |
| Напряжение изоляции: | I/P-O/P — 1,5KVAC; I/P-FG — 1,5KVAC; O/P — FG — 0,5KVAC |
| Сопротивление изоляции: | I/P-O/P, I/P-FG, O/P-FG — 100M Ohms/500VDC |
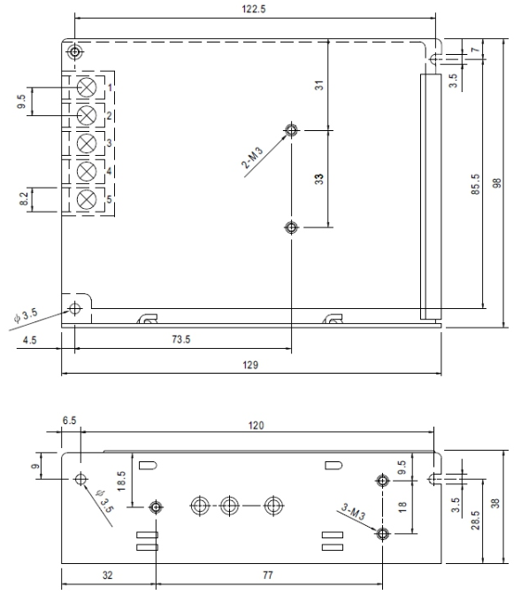
| Способ монтажа: | на монтажную панель |
| Класс защиты корпуса: | IP 20 |
Размеры
| Бренд |
|---|

