Индуктивные датчики LA12 с разъемом М12 в цилиндр. корпусе
D=12мм, разъем М12
Цена: по запросу
Индуктивные датчики серии LA выполнены в цилиндрическом корпусе из никелированной латуни. С одного торца датчика расположена рабочая область, с другого — разъем для подключения М12.
Датчики реагируют на металл на дистанциях 2-4 мм. Используются как замена механическим концевым выключателям для контроля конечных и промежуточных положений механизмов технологического и производственного оборудования, а также применяются в качестве первичных источников сигнала.
Используются при производстве автоматических линий, станков, фасовочного оборудования и др.
Разъемное подключение наделяет датчики преимуществом при монтаже. Датчики LA12 с разъемом обладают высокой надежностью, отсутствием подвижных частей и работают без физического контакта с контролируемыми объектами.
Технические характеристики индуктивных датчиков серии LA с разъемом:
| Параметр | Значение |
| М12 | |
| Напряжение питания | 10…30 VDC, 10…60 VDC |
| Номинальный ток нагрузки | ≤ 200 мА |
| Ток утечки | ≤ 0,01 мА |
| Падение напряжения | ≤ 1,5 В |
| Защита от перегрузки | да |
| Точка срабатывания защиты | 220 мА |
| Защита от обратной полярности | да |
| Защита от короткого замыкания | нет |
| Гистерезис переключения | ≤ 15 % Sr(1) |
| Точность повторения | ≤ 1 % Sr(1) |
| Индикация срабатывания | LED-индикатор |
| Материал корпуса | Никелированная латунь |
| Материал активной части | Ударопрочный конструкционный пластик |
| Температура эксплуатации | -25…+70 °C |
| Температурная погрешность | ≤ 10 % Sr(1) |
| Степень защиты | IP 67 |
| Электрическое подключение | Разъем М12 (male) |
(1) – Реальное расстояние срабатывания конкретного бесконтактного выключателя, измеренное при номинальном напряжении питания, определенных температуре и условиях монтажа.
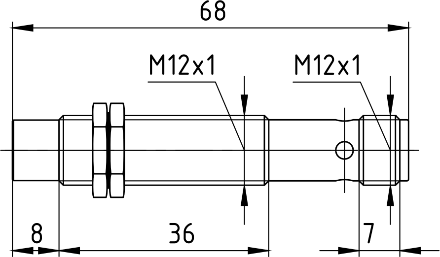
Модификации индуктивных датчиков KIPPRIBOR серии LA с разъемом:
| Габаритный чертеж | Напряжение питания | Схема подключения | Коммута- ционная функция |
Номинальное расстояние срабатывания | Максимальная частота срабатывания | Модификация |
Утапливаемое исполнение |
||||||
![]() |
10…30 VDC | NPN трехпроводная | NO | 2 мм | 2 кГц | LA12-68.2N1.U1.E |
| NC | LA12-68.2N2.U1.E | |||||
| NPN четырехпроводная | NO+NC | LA12-68.2N4.U1.E | ||||
| PNP трехпроводная | NO | LA12-68.2P1.U1.E | ||||
| NC | LA12-68.2P2.U1.E | |||||
| PNP четырехпроводная | NO+NC | LA12-68.2P4.U1.E | ||||
| 10…60 VDC | двухпроводная | NO | LA12-68.2D1.U4.E | |||
| NC | LA12-68.2D2.U4.E | |||||
Неутапливаемое исполнение |
||||||
![]() |
10…30 VDC | NPN трехпроводная | NO | 4 мм | 1 кГц | LA12М-68.4N1.U1.E |
| NC | LA12М-68.4N2.U1.E | |||||
| NPN четырехпроводная | NO+NC | LA12М-68.4N4.U1.E | ||||
| PNP трехпроводная | NO | LA12М-68.4P1.U1.E | ||||
| NC | LA12М-68.4P2.U1.E | |||||
| PNP четырехпроводная | NO+NC | LA12М-68.4P4.U1.E | ||||
| 10…60 VDC | двухпроводная | NO | LA12М-68.4D1.U4.E | |||
| NC | LA12М-68.4D2.U4.E | |||||
Схемы подключения индуктивных бесконтактных датчиков (выключателей) KIPPRIBOR серии LA с разъемом:
| Трехпроводные, NPN, NO (LA••-•.•N1.U1.E) | Трехпроводные, PNP, NO (LA••-•.•P1.U1.E) |
![]() |
![]() |
| Трехпроводные, NPN, NC (LA••-•.•N2.U1.E) | Трехпроводные, PNP, NC (LA••-•.•P2.U1.E) |
![]() |
![]() |
| Четырехпроводные, NPN, NO+NC (LA••-•.•N4.U1.E) | Четырехпроводные, PNP, NO+NC (LA••-•.•P4.U1.E) |
![]() |
![]() |
| Двухпроводные, NO (LA••-•.•D1.U4.E) | Двухпроводные, NC (LA••-•.•D2.U4.E) |
![]() |
![]() |
Цоколевка индуктивных датчиков серии LA с разъемом:
Структура условного обозначения при заказе:
Например: LA12М-68.2N2.U1.E
Вы заказали: Индуктивный датчик с диаметром корпуса 12 мм неутапливаемого исполнения с номинальным расстоянием срабатывания 2 мм, схемой подключения – трехпроводной NPN, коммутационной функцией – NС, напряжением питания 10…30 VDC, разъемом М12.
| Бренд |
|---|












