Фотодатчик сигнализирующий ФДС-03БГ, ФДС-03БГ-У
Для установки непосредственно на корпусе горелочных устройств или блочных горелок. Выпускается в двух исполнениях: с угловым расположением светоприемника под углом 90° к оси датчика (БГ-У) или по оси датчика исполнение (БГ).
Цена: по запросу
Функционально осуществляет преобразования интегрального потока ультрафиолетового излучения и выдачи сигнала («полупроводниковый транзисторный ключ») наличия/отсутствия пламени основной горелки в схему защиты котла или установки с целью перекрытия подачи топлива на горелочные устройства в случае отсутствия пламени.
Фотодатчик может быть использован в составе действующих и проектируемых систем защиты котельной автоматики в составе запально-защитных и горелочных устройств.
Основные технические характеристики ФДС-03БГ
| Рабочий диапазон, ультрафиолетовый спектр λ, нм | 185 — 260 |
| Выходной сигнал: | транзисторный ключ |
| Допустимое напряжение, В | 40 |
| Ток, не более, А | 0,1 |
| Сопротивление нагрузки (входное сопротивление контроллера), кОм | (0,5 – 10) |
|
Время срабатывания, не более, с: — при появлении пламени — при погасании пламени |
1 1 |
| Напряжение питания, В | 220В, 50Гц |
| Потребляемый ток, не более, А | 0,1 |
| Сопротивление изоляции при нормальных условиях эксплуатации, не менее, МОм | 20 |
| Температура окружающей среды, оС | от -20 до +60 |
|
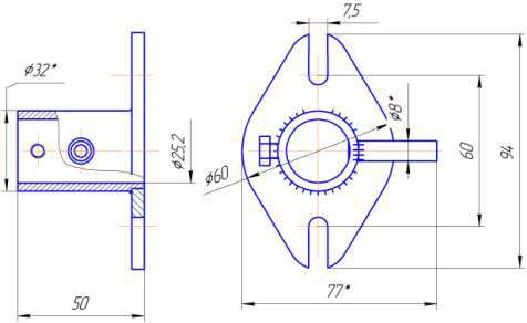
Габаритные размеры (без фланца), ширина х высота х длина, мм ФДС-03 БГ ФДС-03 БГ-У (угловой) |
102 х 82 х 58 102 х 152 х 58 |
| Масса прибора, не более, кг | 0,5 |
Схема внешних подключений
Габаритные и установочные размеры

| Вариант |
ФДС-03БГ ,ФДС-03БГ-У |
|---|


